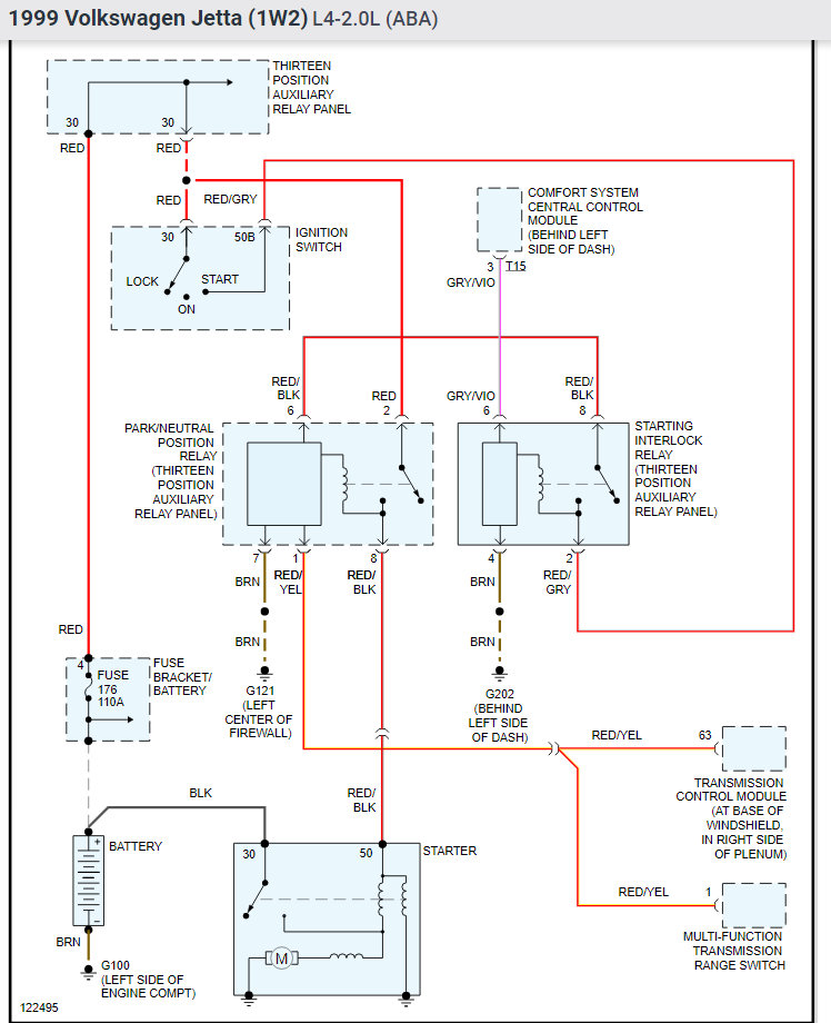
The car started two times and then we turned it off to get somethings before starting it again.
Now you can turn the key on however it will not crank and no clicking noise.
Also noticed when I try to open the trunk with the door switch it popped the trunk one time, however it will not open the trunk now, not sure if that has anything to do with the starting issue.
I turned the key in the door lock for the trunk in either position and it will not pop the trunk OR turn over when the key is in the ignition. Very odd because it started great after charging the battery, replacing the brake light switch and now nothing?
Thank you for any help you can offer.
Friday, September 17th, 2021 AT 2:23 PM











