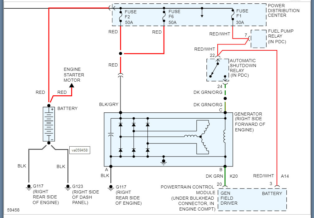
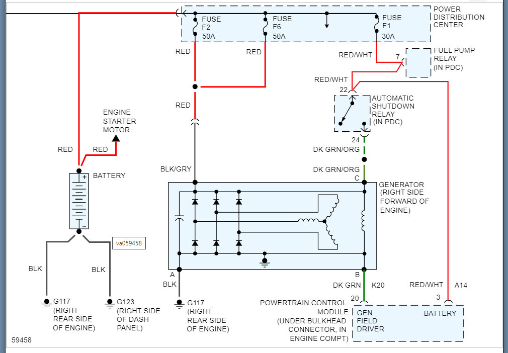
I have a 1994 jeep wrangler yj. I am having a brain fart and can not remember the locations on the wires on my alternator. That is where the wires connect to the alternator.
Thanks in advance,
Chad
Thanks in advance,
Chad
Jun 19, 2010 at 10:32 PM



