Fan switch only works on high speed, resistor?

Tiny
FPG
  • MEMBER
  • 2004 JEEP LIBERTY
  • 6 CYL
  • 4WD
  • AUTOMATIC
  • 38,000 MILES
My fan switch only works on high speed. Blower will not spin unless in high speed
Thursday, September 10th, 2009 AT 6:34 PM

22 Replies

Tiny
JACOBANDNICKOLAS
  • MECHANIC
  • 110,194 POSTS
Hello,

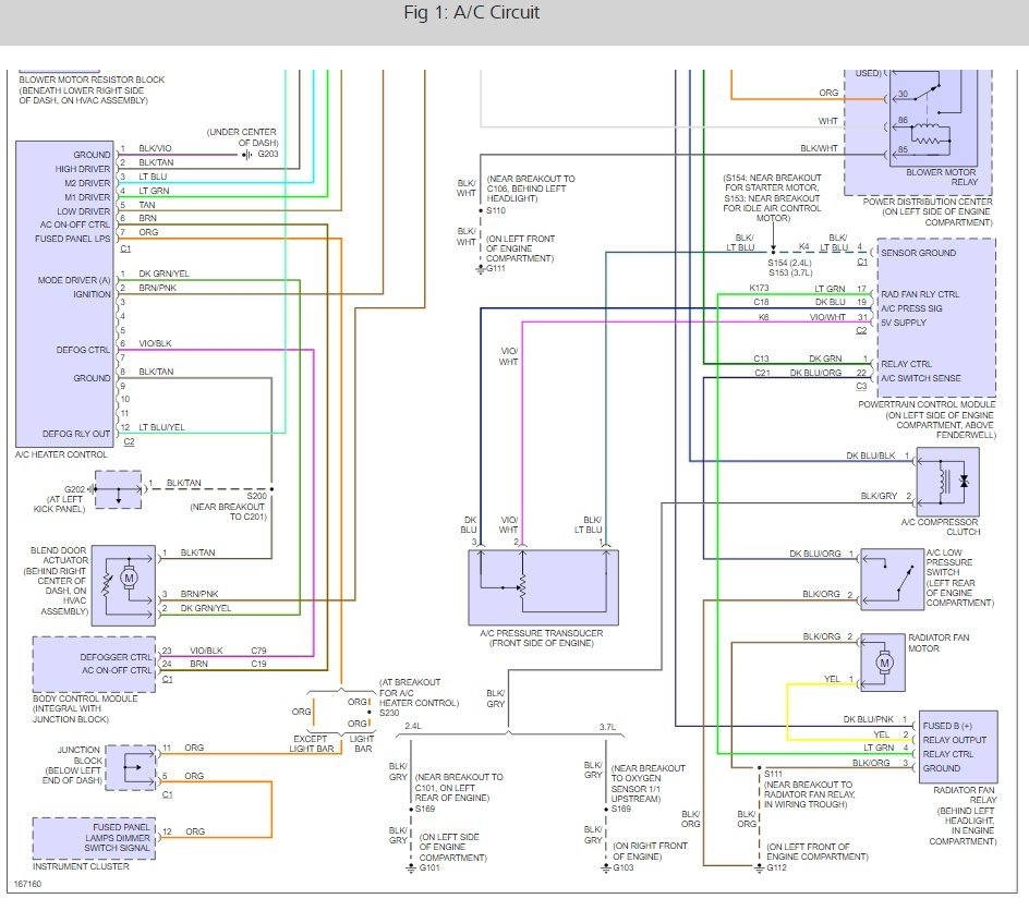
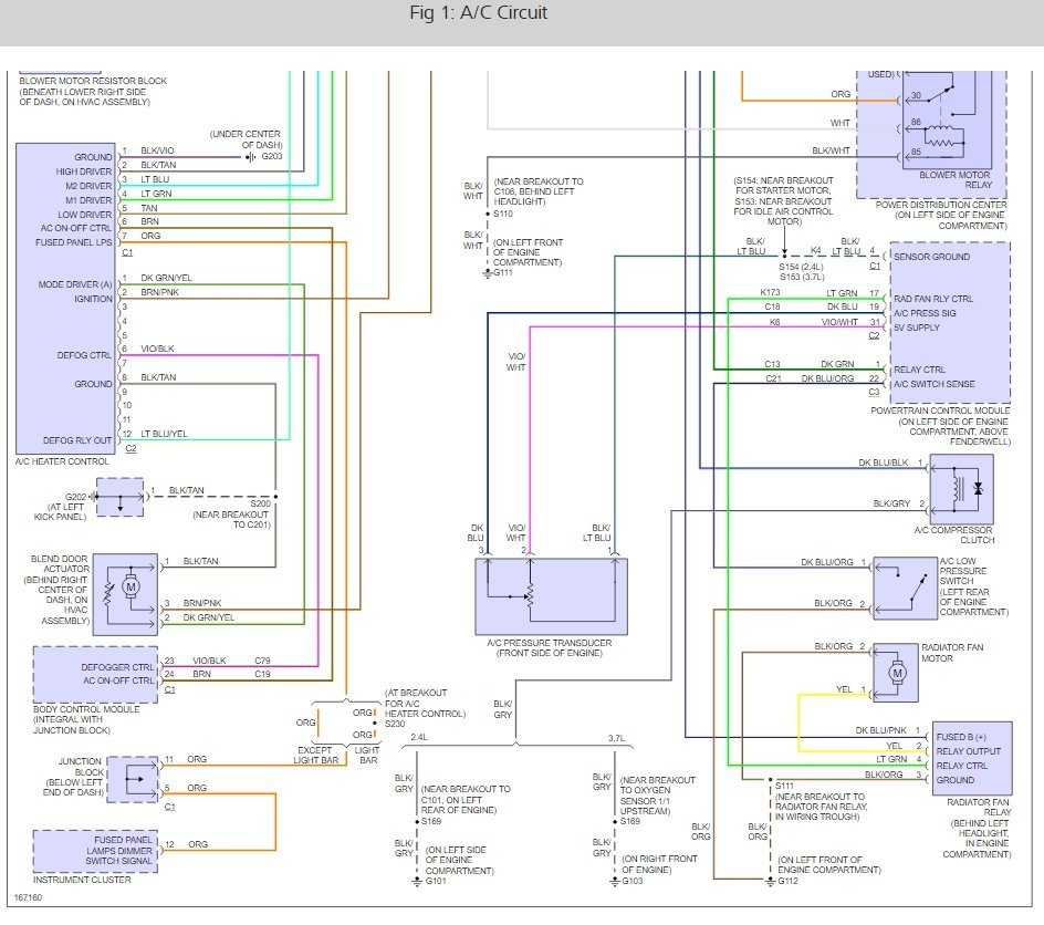
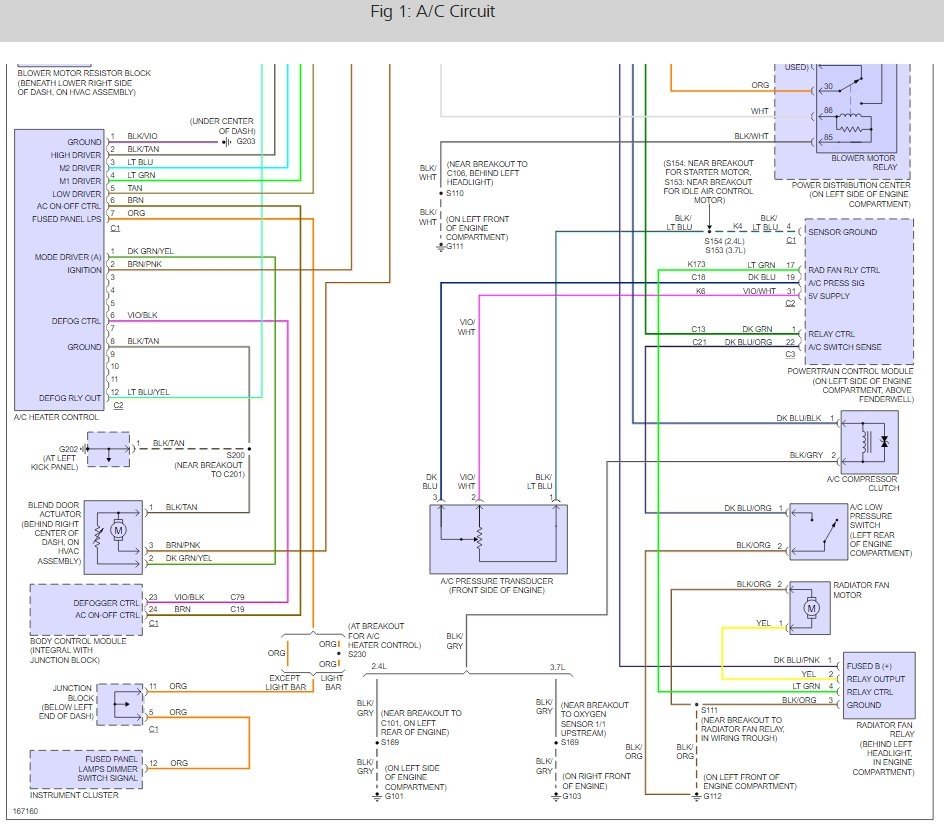
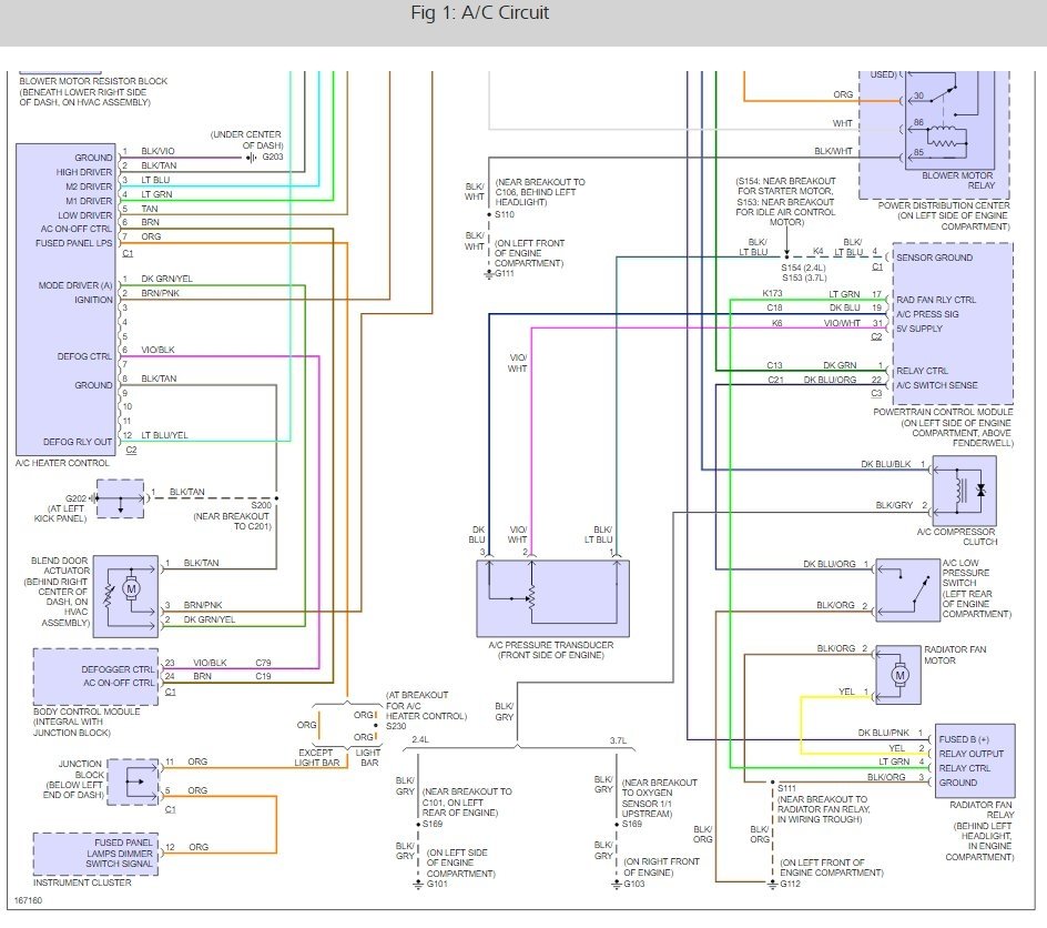
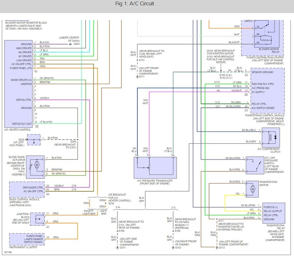
This is common when the speed control resistor for the blower goes out here is the location so you can change it out. Check out the diagrams (Below). Please let us know if you need anything else to get the problem fixed.
Was this
answer
helpful?
Yes
No
+3
Monday, September 14th, 2009 AT 8:13 AM
Tiny
VIRGIL REDFORD
  • MEMBER
  • 1 POST
  • 2004 JEEP LIBERTY
  • 98,000 MILES
The fan blower only works on the highest setting
Was this
answer
helpful?
Yes
No
+4
Saturday, May 23rd, 2020 AT 12:16 PM (Merged)
Tiny
SATURNTECH9
  • MECHANIC
  • 30,869 POSTS
Do you have a multimeter to do some testing?That way we can make sure its your blower motor resistor before replacing it.
Was this
answer
helpful?
Yes
No
+2
Saturday, May 23rd, 2020 AT 12:16 PM (Merged)
Tiny
SATURNTECH9
  • MECHANIC
  • 30,869 POSTS
Also do you have auto climate control or manual temp control?
Was this
answer
helpful?
Yes
No
-2
Saturday, May 23rd, 2020 AT 12:16 PM (Merged)
Tiny
BILLY1252
  • MEMBER
  • 3 POSTS
  • 2004 JEEP LIBERTY
  • 6 CYL
  • 4WD
  • AUTOMATIC
  • 70,000 MILES
My blower motor is bad-how do I remove and replace it?
Was this
answer
helpful?
Yes
No
Saturday, May 23rd, 2020 AT 12:16 PM (Merged)
Tiny
RASMATAZ
  • MECHANIC
  • 75,992 POSTS
How do you know its bad-could be a fuse/control switch/relay problem

Find the blower motor- turn heater on-bang on it a few times-did it work?
Was this
answer
helpful?
Yes
No
+1
Saturday, May 23rd, 2020 AT 12:16 PM (Merged)
Tiny
BILLY1252
  • MEMBER
  • 3 POSTS
I have replaced all relays
Was this
answer
helpful?
Yes
No
Saturday, May 23rd, 2020 AT 12:16 PM (Merged)
Tiny
BILLY1252
  • MEMBER
  • 3 POSTS
Where is blower motor?
Was this
answer
helpful?
Yes
No
Saturday, May 23rd, 2020 AT 12:16 PM (Merged)
Tiny
RASMATAZ
  • MECHANIC
  • 75,992 POSTS
Its behind right side of dash on the HVAC assembly.
Was this
answer
helpful?
Yes
No
Saturday, May 23rd, 2020 AT 12:16 PM (Merged)
Tiny
THOLMSTROM
  • MEMBER
  • 2 POSTS
  • 2003 JEEP LIBERTY
  • 6 CYL
  • 4WD
  • AUTOMATIC
How to replace a blower motor resistor switch
Was this
answer
helpful?
Yes
No
+1
Saturday, May 23rd, 2020 AT 12:16 PM (Merged)
Tiny
RASMATAZ
  • MECHANIC
  • 75,992 POSTS
The blower motor resistor is mounted to the rear side of the HVAC housing on the passenger side of the vehicle.

Disconnect and isolate the battery negative cable.
Open the glove box door to gain access to the blower motor resistor.
Pull out the lock on the blower motor resistor wire harness connector to unlock the connector latch.
Depress the latch on the blower motor resistor wire harness connector and unplug the connector from the resistor.
Remove the two screws that secure the resistor to the HVAC housing.
Remove the resistor from the HVAC housing.
Was this
answer
helpful?
Yes
No
Saturday, May 23rd, 2020 AT 12:16 PM (Merged)
Tiny
THOLMSTROM
  • MEMBER
  • 2 POSTS
Thank you very much!
Was this
answer
helpful?
Yes
No
+1
Saturday, May 23rd, 2020 AT 12:16 PM (Merged)
Tiny
BILLMIK10
  • MEMBER
  • 9 POSTS
  • JEEP LIBERTY
2003, 3.7, 42,000 miles. A/C or heater fan only works in two, three or four not one. Any ideas? Some say its a resister pack or switch? Where is resister pack at and how or what to check?
Thanks
Was this
answer
helpful?
Yes
No
+2
Saturday, May 23rd, 2020 AT 12:16 PM (Merged)
Tiny
KEN L
  • MASTER CERTIFIED MECHANIC
  • 55,512 POSTS
Yes, it sounds like your blower motor resistor is out this is located in the heater box near the blower motor. (speed resistor) please let me know. If thats okay the switch has gone bad but to be sure here is the wiring diagrams below so you can see how the system works.

Here are some diagrams (below) and some guide to help you test to confirm the problem and get it fixed:

https://www.2carpros.com/articles/how-to-use-a-test-light-circuit-tester

Please run some tests and get back to us we are interested to see what it is.

Cheers, Ken
Was this
answer
helpful?
Yes
No
Saturday, May 23rd, 2020 AT 12:16 PM (Merged)
Tiny
BILLMIK10
  • MEMBER
  • 9 POSTS
Thanks for your answer, but where is this located? You say in heater box, Meaning? Where the motor is? Or back behind the switch panel? And can it be checked with a ohm meter before I go buy one?
Thanks
Was this
answer
helpful?
Yes
No
Saturday, May 23rd, 2020 AT 12:16 PM (Merged)
Tiny
BILLMIK10
  • MEMBER
  • 9 POSTS
Okay, I replaced the part and its fixed thanks!

If others want to know where this resistor is see below:

How do you replace a blower motor resistor in a 2003 jeep Liberty?
Answer:

Open your glove box and empty it out. There will be two supports on each side of the glove box, push these towards each other and the glove box will kind of "fall out." It will still be hinged but hanging down far. You will then see a five wire connector going to a mount with two screws. Unscrew both of these with a nut driver, the whole thing will pull out. It is a credit card size resistor board. Unplug the cable from the resistor. This is what you need to replace to make it work correctly with one, two and three.
Was this
answer
helpful?
Yes
No
+9
Saturday, May 23rd, 2020 AT 12:16 PM (Merged)
Tiny
MADSHOPPER
  • MEMBER
  • 1 POST
Is this a dealer item? You have the same problem with my A/C on my 2007 Jeep Liberty. Position one and two do not work at all.
Was this
answer
helpful?
Yes
No
Saturday, May 23rd, 2020 AT 12:16 PM (Merged)
Tiny
KEN L
  • MASTER CERTIFIED MECHANIC
  • 55,512 POSTS
Hello,

Yes, this is a dealer item only.

Please use 2CarPros anytime, we are here to help. Tell a friend please.

Cheers, Ken
Was this
answer
helpful?
Yes
No
Saturday, May 23rd, 2020 AT 12:16 PM (Merged)
Tiny
JAKESNANACAROL
  • MEMBER
  • 1 POST
  • 2002 JEEP LIBERTY
Air Conditioning problem
2002 Jeep Liberty 6 cyl Four Wheel Drive Automatic

blower for ac/heat does not run on first 3 settings-only blows out on high
Was this
answer
helpful?
Yes
No
Saturday, May 23rd, 2020 AT 12:16 PM (Merged)
Tiny
DANAUTHIER
  • MECHANIC
  • 156 POSTS
This sound like a textbook example of a blower motor resistor failure. The resistor is what controls the speed of the motor, simply put the switch sends power though different curciuts in the resistor which changes the speed. The lower three settings slow the electicity, which slows the motor. The top setting is a battery voltage "pass through", the high speed will eventually fail is the resistor is not replaced.
The resistor is located behind the glove box and fairly easy to replace.

1) Disconnect and isolate the neg battery cable.
2) Open glove box door to access resistor.
3) Pull out lock on blower motor resitor harness
connector to unlock the connector latch.
4) Press down on the latch on the blower motor resistor harness connector and dissconnect the wire harness from the resistor
5) Remove the two screws that secure the blower motor resistor to the HVAC housing and remove the resistor.
Reverse to install, torque screws to 17 in-lb (2 Nm)

This is the R&R from my database.
The resistor may be available from you local parts store but check the price at your local Jeep dealer as well, sometimes with electrical parts they are less expensive at the dealer and even if you buy them and install them yourself Chrysler parts come with a 12 month warranty.
Let me know if this helps.

Dan
Was this
answer
helpful?
Yes
No
+6
Saturday, May 23rd, 2020 AT 12:16 PM (Merged)

Please login or register to post a reply.