Air condition not working

Tiny
MECARCHASER
  • MEMBER
  • 1998 JEEP GRAND CHEROKEE LAREDO
The air compressor keeps cutting in and out when fan is on. When I put the air con on it just cuts in and out as well. Also the 2 pipe get real cold. Any ideas? Cheers
Tuesday, August 17th, 2010 AT 5:34 AM

8 Replies

Tiny
KHLOW2008
  • MECHANIC
  • 41,814 POSTS
Hi mecarchaser,

Does the compressor cut in and out with any or specific blower fan speed mode with A/C switch turned off? Was any repairs carried out prior to this occurring?
Was this
answer
helpful?
Yes
No
Tuesday, August 17th, 2010 AT 9:36 AM
Tiny
MECARCHASER
  • MEMBER
  • 4 POSTS
Hi,
I don't know what this means HVAC system? So I don't know if it's manual or auto

the compressor DOES cut in and out with any fan speed mode with A/C switch turned off?

I haven't had the car long so I don't know if it had repairs done

I took the air con relay out and know have more power it was like cutting the power down with air con cutting in and out

also when you put the air con on it still just cuts in and out

thanks
Was this
answer
helpful?
Yes
No
Wednesday, August 18th, 2010 AT 8:04 AM
Tiny
KHLOW2008
  • MECHANIC
  • 41,814 POSTS
HVAC is an acronym that stands for the closely related functions of "Heating, Ventilating, and Air Conditioning"

First diagram shows an automatic HVAC control panel.


https://www.2carpros.com/forum/automotive_pictures/192750_HVACControlPanelAuto98CherokeeLaredoFig01_3.jpg



https://www.2carpros.com/forum/automotive_pictures/192750_HVACControlPanelManual98CherokeeLaredoFig01_1.jpg



Something has caused the compressor to come on when the blower motor is turned on.

What is the engine capacity for your vehicle?
Was this
answer
helpful?
Yes
No
+1
Wednesday, August 18th, 2010 AT 9:26 AM
Tiny
MECARCHASER
  • MEMBER
  • 4 POSTS
Mine is NOT automatic HVAC we call automatic HVAC "Climate Control". And the motor is a 6 cylinder 4ltr. What is a blower motor? Is that the heater fan? Thanks
Was this
answer
helpful?
Yes
No
Thursday, August 19th, 2010 AT 5:06 AM
Tiny
KHLOW2008
  • MECHANIC
  • 41,814 POSTS
Blower motor is the heater fan.

Did you try swapping the A/C clutch relay?

The A/C compressor clutch relay is grounded by the PCM and it could possibly be faulty. Check all ground circuits for proper and clean conditions.

Does the A/C compressor kicks in and out when the blower is not turned on?
Was this
answer
helpful?
Yes
No
Thursday, August 19th, 2010 AT 7:02 AM
Tiny
MECARCHASER
  • MEMBER
  • 4 POSTS
Thanks
I did swap the relays still the same '
if you turn the blower fan off it doesn't cut in out
but than I can't use my heater.

Some one else said check the earth(ground) leads

how do I check them they look alright to me
can I use a multimeter to check it?
Cheers
Was this
answer
helpful?
Yes
No
Friday, August 20th, 2010 AT 6:43 AM
Tiny
KHLOW2008
  • MECHANIC
  • 41,814 POSTS
To check for a bad gound, the easiest way is to use an ohmmeter. Push probe to a well grounded location and use the other probe on any ground wire that you wish to test. Anything more than 1 ohm should be cleaned and retightened.

It might not be a ground circuit connection but a faulty Power Control Module or a leaking vacmun line.

The A/C compressor relay is activated by the PCM and if it is kicking n and out, the PCM is either faulty or it is getting the wrong signal from somewhere.

The heater fan should not turn the compressor on unless it is shorted to the circuit.

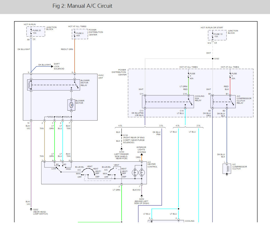
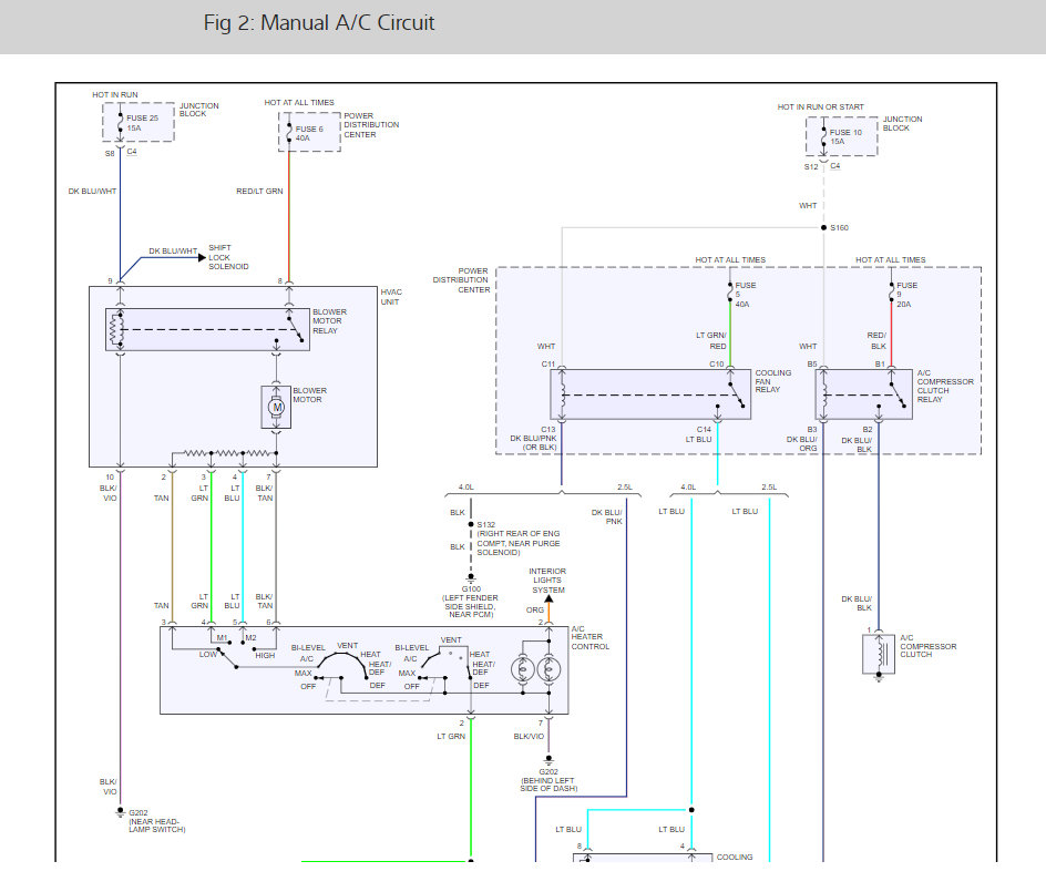
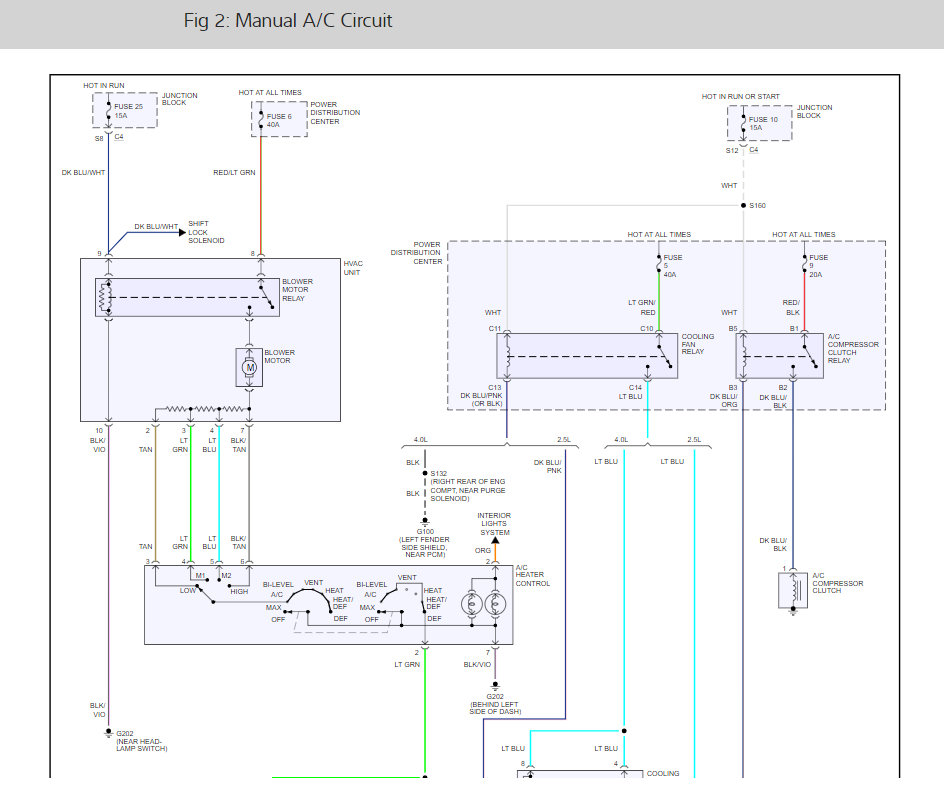
Here is a wiring schematic. Note the location of the ground circuits that should be checked. Check out the diagrams (Below). Please let us know what you find.
Was this
answer
helpful?
Yes
No
+2
Friday, August 20th, 2010 AT 7:26 AM
Tiny
ZANYJB
  • MEMBER
  • 1 POST
I had to replace the AC compressor cost $234.00 my friend helped me fix it.
Was this
answer
helpful?
Yes
No
Tuesday, November 12th, 2019 AT 3:14 PM

Please login or register to post a reply.

Related Air Conditioner Not Working Content