See my profile, You need to get into the rear cover of your AMC Model 20 Corporate Differential housing.
It may be bad in there, but still you must investigate
Before we get involved, I want you to remove the "NUT COVERS" on your wheel centers (talking about the center of your axles, outside left and right.
I want you to re-install your wheels but leave off any cover that will prevent you from seeing these nuts.
Next get into your rig and attempt to drive, WHILE YOUR BUDDY WATCHES the nuts, ONE AT A TIME!
We are seeing if you have stripped out your 2 piece STOCK axles (common problem, axle turning inside the hub) IF THE NUTS SPIN and THE JEEP STAYS STILL, YOU NEED NEW AXLES (at least that side that is spinning)
If they are really bad, they will exibit the same symptoms of Differential problems!
Stock will require a axle (each side is different) and a hub....
Better than that is to install a Aftermarket "1 PIECE AXLE" (both sides) It really makes a difference.
I will let you respond to me about this 1st, before we go into the diff.
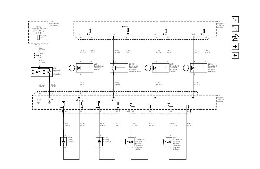
DIFFERENTIAL IS NEXT!
I CAN TELL YOU THE BEST AND MOST EXPEDIENT WAY TO GET THE OLD TORX BOLTS OUT (they are rusted, torqued really in there), WITHOUT SCREWING UP THE BOLTS OR YOUR TOOLS.
TRUST ME...YOU WILL TEAR UP SOMETHING IF YOU DO IT YOUR WAY!!!
I SAY AGAIN!
TRUST ME...YOU WILL TEAR UP SOMETHING IF YOU DO IT YOUR WAY!!! And they will have to be drilled out...really bad situation!
WHEN WE GET THEM OUT....WE WILL REPLACE WITH TRADITIONAL HEX BOLTS--GRADE 8.
NEVER HAVE THE TORX PROBLEM AGAIN....I DO THIS WITH ALL OF MY JEEP BOLTS
I WILL GET YOU A PIC OF THE "NELSOMATIC TECHNIQUE"....SOON AS YOU RESPOND.
Your Turn
The Medic
See that dash---NO TORX---Stainless hex bolts---all out the EZ way!

Image (Click to make bigger)
Sunday, July 4th, 2010 AT 2:56 PM