Brake lights not working correctly?

Tiny
DANPICARDFK
  • MEMBER
  • 2008 JEEP CHEROKEE
  • V8
  • AWD
  • AUTOMATIC
  • 28,145 MILES
When I press the brake, all three brake lights come on. When I turn on the headlights, the left rear taillight does not come on and if I press the brake with headlights on, the left rear brake light does not work. If I am pressing the brake, the light is on, but if, while pressing the brake, I turn the headlights on, the light goes out?
Tuesday, March 23rd, 2010 AT 6:39 PM

18 Replies

Tiny
MERLIN2021
  • MECHANIC
  • 17,250 POSTS
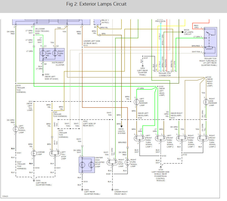
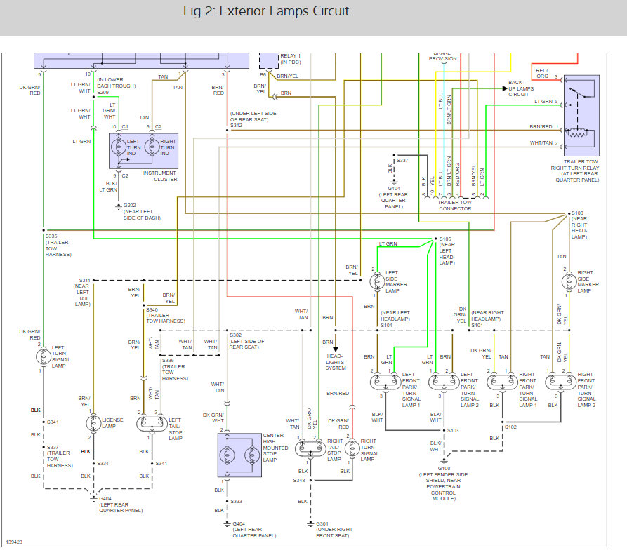
It sounds like the front control module is out which is common here is the brake light wiring diagrams so you can see how the stem works with the instructions on how to change out the front control module which is easy because it self initializes. Check out the diagrams (below). Please let us know what you find.
Was this
answer
helpful?
Yes
No
Thursday, March 25th, 2010 AT 2:21 PM
Tiny
ADILIS4U
  • MEMBER
  • 1 POST
Yes! This is a great post. I got a a used unit for $100.00 from the junkyard. Worked perfect.
Was this
answer
helpful?
Yes
No
Thursday, November 12th, 2020 AT 12:15 PM
Tiny
JEEP001
  • MEMBER
  • 2 POSTS
  • 2001 JEEP CHEROKEE
  • 6 CYL
  • 2WD
  • AUTOMATIC
  • 124,000 MILES
I have the Sport model. I recently found out that my brake lights are not working. All of the running lights/parking lights work on the front and rear but nothing happens when I push the brake pedal. My turn signals also work. I have checked all the fuses and bulbs. They all seem to be okay. All other lights are in working order. What components could be at fault and is this something I can fix myself? The brakes themselves work fine. It is just the brake lights that are not working.
Was this
answer
helpful?
Yes
No
+1
Thursday, November 12th, 2020 AT 12:16 PM (Merged)
Tiny
BMRFIXIT
  • MECHANIC
  • 19,053 POSTS
This sounds like the fuse#12, 20, 23 and 19 or the brake light switch is out. Here is a guide to help you test for power through the switch and fuse with the wiring and fuse diagrams to help you with the test:

https://www.2carpros.com/articles/how-to-use-a-test-light-circuit-tester

This brake light wiring diagrams will show you which ones to check

Check out the diagrams (below). Please let us know what you find.

Cheers
Was this
answer
helpful?
Yes
No
Thursday, November 12th, 2020 AT 12:16 PM (Merged)
Tiny
JEEP001
  • MEMBER
  • 2 POSTS
Thanks for the guides. I did some testing and It was the switch I got a new one for $43.00 and all set! I love this site btw.
Was this
answer
helpful?
Yes
No
-1
Thursday, November 12th, 2020 AT 12:16 PM (Merged)
Tiny
BMRFIXIT
  • MECHANIC
  • 19,053 POSTS
Nice work, we are here to help, please use 2CarPros anytime.

Cheers
Was this
answer
helpful?
Yes
No
+1
Thursday, November 12th, 2020 AT 12:16 PM (Merged)
Tiny
ADOWEN
  • MEMBER
  • 1 POST
  • 2001 JEEP CHEROKEE
  • 6 CYL
  • 4WD
  • AUTOMATIC
  • 94,000 MILES
One break lights stops working when headlights are turned on
Was this
answer
helpful?
Yes
No
Thursday, November 12th, 2020 AT 12:16 PM (Merged)
Tiny
ZACKMAN
  • MECHANIC
  • 4,202 POSTS
Which light not working? Is the turn signal working?

This guide can help us

https://www.2carpros.com/articles/brake-lights-not-working

As your stop light circuit, turn signal, hazard, and trailer tow circuits all use the same filament of the tail/stop/turn combination light bulb, you have to check EVERY single bulb that you have on the truck front and back, to make sure that they are all operational.
Was this
answer
helpful?
Yes
No
Thursday, November 12th, 2020 AT 12:16 PM (Merged)
Tiny
LARRY KEENUM
  • MEMBER
  • 1 POST
  • 2001 JEEP CHEROKEE
Electrical problem
2001 Jeep Cherokee V6 Four Wheel Drive Automatic 98000 miles

Driver side rear lights - when I turn on the lights, all tail lights are okay but when I press the brake pedal all lights go out on the rear driver side. Without lights on the brake light on the left side doesn't work. Turn signal, tail light, and backup lights work until you step on the brake. Every thing works on the passenger side. I changed the brake light bulb, no help. I switched the passenger side and the driver side taillight assembly and the driver's side unit will not work on the passenger side but the passenger side unit will work on the driver's side. Suggestions?
Was this
answer
helpful?
Yes
No
Thursday, November 12th, 2020 AT 12:17 PM (Merged)
Tiny
RASMATAZ
  • MECHANIC
  • 75,992 POSTS
I switched the passenger side and the driver side taillight assembly and the driver's side unit will not work on the passenger side but the passenger side unit will work on the driver's side. Do a continuity test the left assembly if it is a wiring problem it will do it with the right side.
Was this
answer
helpful?
Yes
No
Thursday, November 12th, 2020 AT 12:17 PM (Merged)
Tiny
MERLIN2021
  • MECHANIC
  • 17,250 POSTS
If the unit works on the opposite side, you have to trace the wires.
Was this
answer
helpful?
Yes
No
Thursday, November 12th, 2020 AT 12:17 PM (Merged)
Tiny
JONNBOY44
  • MEMBER
  • 1 POST
I have a 2000 Cherokee and this worked for me.
Was this
answer
helpful?
Yes
No
Thursday, November 12th, 2020 AT 12:17 PM (Merged)
Tiny
NJHA32
  • MEMBER
  • 2 POSTS
  • 2001 JEEP CHEROKEE
Please help! I have a Grand Cherokee Laredo. My brake do not work when I turn on the headlights, but turn on when headlights are off. The top brake light works. I have changed the brake switch and replaced all bulbs, to no avail. Any suggestions or solution will be greatly appreciated.
Was this
answer
helpful?
Yes
No
Thursday, November 12th, 2020 AT 12:17 PM (Merged)
Tiny
BVEGA
  • MEMBER
  • 1 POST
Hello,

I have a Jeep Grand Cherokee 2000 that had the same problem. I did not notice it until a kind soul shouted at an intersection that my brake lights were off! In New York City, it is illegal to have non-functional head-beams and brake lights. Luckily, searching Google, I found a fix that worked for me. Here is a copy of the procedure:

1. Remove the tail light assembly. Most of you know how to remove the light assembly if you have changed bulbs, so I will not cover that.

2. Disconnect the wiring harness by sliding the red locking clip to the side in order to press the side of the male connector and pull apart.

3. Once you have got the tail assembly away from the vehicle and on a bench, remove the light socket for the tail/brake light. You will see three silver contact points inside the black plastic ring. Two are grouped together and there is one that is opposite of the two. The one by itself is the ground; the other two are the contacts for the tail light and brake light. The problem lies with the ground connector. (By the way, I tested continuity with all lights and contacts including the turn signal and the reverse light to verify that the circuit board itself was good, and it was).

4. Clean all contacts with a Q-Tip and some sort of contact cleaner - rubbing alcohol will work.

5. You should notice that the ground contact is depressed into the plastic and the plastic itself is slightly warped down. I was able to use a small pair of needle nose pliers that have a forty five degree angle to press up on the contact from underneath using the opposite lip of the hole as leverage (very carefully). Once it had moved up a bit, I was able to wedge a mini-flat head screwdriver in between the metal contact and the plastic to force the contact up even further (again, very carefully). Once it looked even with the rest, gently reinsert the connector and test.

Good Luck!

Benny Vega
2000 Jeep Grand Cherokee 4.0L
Was this
answer
helpful?
Yes
No
+7
Thursday, November 12th, 2020 AT 12:17 PM (Merged)
Tiny
NJHA32
  • MEMBER
  • 2 POSTS
Thanks for all your help. I will try it this weekend. However, I have one question, why would a bad ground effect both side of the tail light?
Was this
answer
helpful?
Yes
No
+2
Thursday, November 12th, 2020 AT 12:17 PM (Merged)
Tiny
STINGRAYBOY
  • MEMBER
  • 1 POST
Thanks so much for the information on this page. I had this problem and instead of spending big bucks on a new assembly decided to try this fix. It almost worked. We cleaned the contacts and bent them up slightly but still had the problem. The solution was to first find the socket that was not working and line up the contacts. We did this by seating the lamp and turning it to its locked position and then slowly moving the lamp in the opposite unlocked direction until proper contact was made. So far so good.

Thanks!
Was this
answer
helpful?
Yes
No
+1
Thursday, November 12th, 2020 AT 12:17 PM (Merged)
Tiny
MIDNIGHTGURU
  • MEMBER
  • 1 POST
Benny, I joined the forum just to thank you so much for this answer! It resolved my problem on my 2000 Jeep Grand Cherokee Laredo where the left brake light was not working. With the parking lights on, the left brake light started working and the right brake light went out.

Your description above was, point-for-point, exactly the same as my experience. I bent the ground tab up on the left brake bulb's socket and voila! They both work with the running lights on or off!

Thanks again!
-Mike
Was this
answer
helpful?
Yes
No
+3
Thursday, November 12th, 2020 AT 12:17 PM (Merged)
Tiny
HAVEANEPIPHANY
  • MEMBER
  • 1 POST
Thanks so much for posting this. We have a 2001 Jeep Grand Cherokee Limited, and the brake lights (left and right) were not working. The middle (top) brake light was working, so I knew the switch under the brake pedal was functioning.

After cleaning the contacts and adjusting them as described here, one of my two lights started working again (it happened to be the left one). I checked the bulb in the other one, and even though the filaments looked okay, I decided to replace the bulb. Everything is working beautifully now!

Thanks again!
Was this
answer
helpful?
Yes
No
+1
Thursday, November 12th, 2020 AT 12:17 PM (Merged)

Please login or register to post a reply.