HOME
ASK A QUESTION
REPAIR GUIDES
BECOME A MEMBER
LOG IN
Login with Facebook
OR
Remember me
NOT A MEMBER?
FORGOT PASSWORD?
CONTACT US
PRIVACY POLICY
TERMS AND CONDITIONS
☰
Home
Jeep
Cherokee
Body
Door
Panel
Replace/Remove
2002 Jeep Cherokee Removal of door panel
DRMMRTZ
MEMBER
2002 JEEP CHEROKEE
Interior problem
2002 Jeep Cherokee 4 cyl Two Wheel Drive Automatic
need to check the power windows that came off their frame- how do I remove the door panel?
Saturday, January 17th, 2009 AT 7:08 PM
1 Reply
BLUELIGHTNIN6
MECHANIC
16,542 POSTS
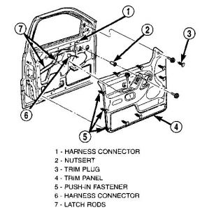
Hello
Below is info. you requested.
FIGURE 3
FIGURE 4
Thanks for using 2CarPros.com!
Was this
answer
helpful?
Yes
No
Saturday, January 17th, 2009 AT 7:19 PM
Please
login
or
register
to post a reply.
Related Door Panel Replace/Remove Content
Door Hinges On 89 Jeep Cherokee
I Have A 1989 4x4 Jeep Cherokee With The 4.0l 5 Speed With 324,000km's, Which I'm Trying To Replace The Door Hinge Pins On At Least The...
Asked by
carsjd20004
·
1 ANSWER
1989
JEEP CHEROKEE
GUIDE
Door Panel Removal
A door panel is used to cover the inside part of the door and hide the inner working of the door accessory's such as the window and door latch mechanisms. This padded...
1995 Jeep Cherokee Door Latch Is Fliped Over
The Driver Door Side Door Latch Is Fliped In So The Door Will Not Close Or Lock How Can I Fix This?
Asked by
kazski04
·
3 ANSWERS
2 IMAGES
1995
JEEP CHEROKEE
Driver's Door Wiring Problem
I Have An Jeep That Has The Same Problems As Others. The Interior Lights Wont Shut Off And The Driver's Side Door Controls Wont Work...
Asked by
MD89
·
1 ANSWER
2004
JEEP CHEROKEE
2003 Jeep Cherokee My Doors Do Not Lock With Manual...
They Do Not Lock Either When You Reach 15mph. Interrior Lights Stay On And Message On Computer Says That The Driver Door Is Ajar.
Asked by
Charles Rinker
·
1 ANSWER
2003
JEEP CHEROKEE
1998 Jeep Cherokee Electrical
Electrical Problem 1998 Jeep Cherokee Four Wheel Drive Automatic V8 Miles Moved Car This Morning With No Problem. When Locking The...
Asked by
RBourne
·
4 ANSWERS
1998
JEEP CHEROKEE
VIEW MORE
Ask a Car Question. It's Free!
Fix a Door That Will Not Close
Door Not Closing