1997 Jeep Cherokee location of fuel filters

Tiny
DONNY YORK
  • MEMBER
  • 1997 JEEP CHEROKEE
Other Category problem
1997 Jeep Cherokee Engine Size unknown Four Wheel Drive Automatic 194000 miles

where are they located?
Sunday, December 2nd, 2007 AT 9:51 PM

2 Replies

Tiny
BLACKOP555
  • MECHANIC
  • 10,386 POSTS
There is one located in the tank on the fuel pump, and there is one located after the pump and before the engine. Follow the fuel lines to find it.
Was this
answer
helpful?
Yes
No
Sunday, December 2nd, 2007 AT 10:02 PM
Tiny
KEN L
  • MASTER CERTIFIED MECHANIC
  • 55,130 POSTS
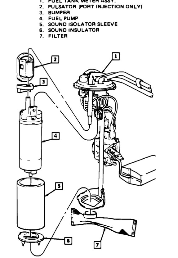
Nope, there is only one fuel filter which is on top of the fuel tank, here is the fuel fitler location and how to change it out.

REMOVAL
1. Remove fuel tank. Refer to Fuel Tank/Service and Repair.
See: Fuel Tank > Procedures
2. Clean area around filter/regulator.
3. Disconnect fuel line at filter/regulator. Refer to Quick-Connect Fittings for procedures.
Fig. 19 Fuel Filter/Regulator

4. Remove retainer clamp from top of filter/regulator (Fig. 19). Clamp snaps to tabs on pump module. Discard old clamp.
5. Pry filter/regulator from top of pump module with 2 screwdrivers. Unit is snapped into module.
Fig. 20 Fuel Filter/Regulator Gasket

6. Discard gasket below filter/regulator (Fig. 20).
Fig. 21 Fuel Filter/Regulator O-Rings

7. Before discarding filter/regulator assembly inspect assembly to verify that 0-rings (Fig. 21) are intact. If the smallest of the two 0-rings can not be found on bottom of filter/regulator it may be necessary to remove it from the fuel inlet passage in fuel pump module.

INSTALLATION
1. Clean recessed area in pump module where filter/regulator is to be installed.
2. Obtain new filter/regulator (two new 0-rings should already be installed).
3. Apply a small amount of clean engine oil to 0-rings. Do not install 0-rings separately into fuel pump module. They will be damaged when installing filter/regulator.
4. Install new gasket to top of fuel pump module.
5. Press new filter/regulator into top of pump module until it snaps into position (a positive click must be heard or felt).
6. The arrow (Fig. 19) molded into top of fuel pump module should be pointed towards front of vehicle (12 o'clock position).
7. Rotate filter/regulator until fuel supply tube (fitting) is pointed towards front of vehicle (12 o'clock position).
8. Install new retainer clamp (clamp snaps over top of filter/regulator and locks to flanges on pump module).
9. Connect fuel line at filter/regulator.
10. Install fuel tank. Refer to Fuel Tank/Service and Repair.
See: Fuel Tank > Procedures

Check out the images (below). Let us know if you need anything else.
Was this
answer
helpful?
Yes
No
Tuesday, June 25th, 2024 AT 3:47 PM

Please login or register to post a reply.

Related General Content