Monday, May 10th, 2010 AT 3:39 PM
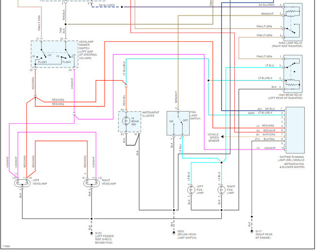
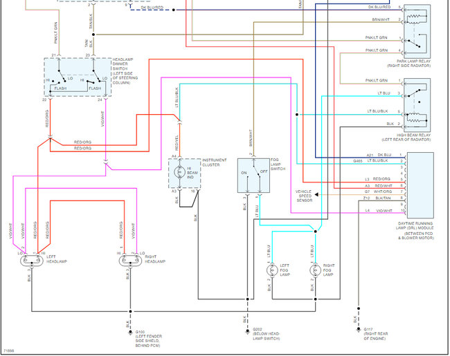
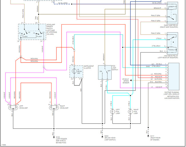
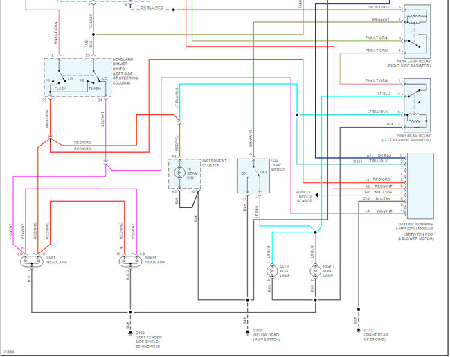
Lights worked fine for a year, parked the car and turned off the lights, few hours later I came out and only the high beams worked (if I held the lever back), fixed that issue by replacing the entire light toggle/switch behind the dash. The new problem is that pulled all the way back only my headlights work, no dash lights and more dangerous, no tail lights. As of now i'm driving with hazards. Complete opposite works if the switch is barely pulled out (dash and tail lights function, but no headlights). I've replaced twice, one new and one junkyarded. Also checked the fuses, all are good. Any ideas?



