Headlight relay

Tiny
1111111112
  • MEMBER
  • 1995 JEEP CHEROKEE
  • 6 CYL
  • 4WD
  • AUTOMATIC
  • 203,000 MILES
Both high and low beams inop lamps have been checked on/off switch replaced Where is the headlight relay located?
Thursday, September 9th, 2010 AT 12:32 PM

2 Replies

Tiny
RASMATAZ
  • MECHANIC
  • 75,992 POSTS
Hello,

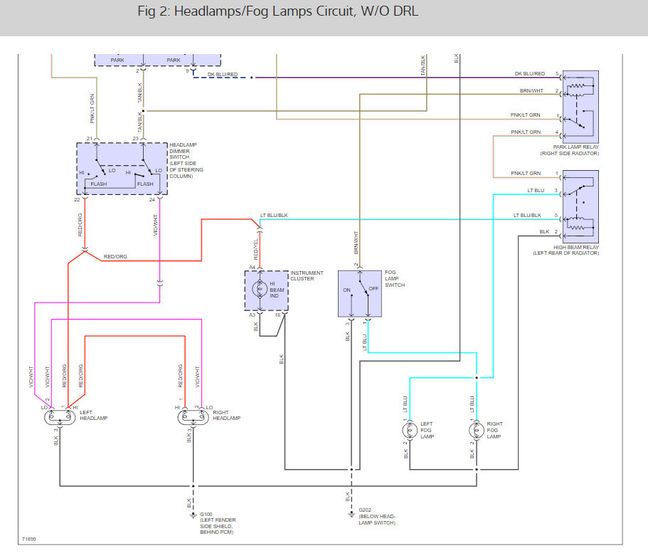
Here is a guide to help you test to see where you are losing power and the relay locations with the headlight wiring diagrams so you can see how it works.

https://www.2carpros.com/articles/how-to-use-a-test-light-circuit-tester

High Beam Relay - On left side of radiator closure panel.

Check out the diagrams (Below). Please run some tests and get back to us. Cheers
Was this
answer
helpful?
Yes
No
-2
Friday, September 10th, 2010 AT 9:32 AM
Tiny
OIDAVEY
  • MEMBER
  • 0 POST
Thanks for this post I had this problem and it was the dimmer switch FYI cost me $67.00 for a new one.
Was this
answer
helpful?
Yes
No
Monday, November 19th, 2018 AT 6:25 PM

Please login or register to post a reply.