Sunday, February 10th, 2008 AT 5:51 PM
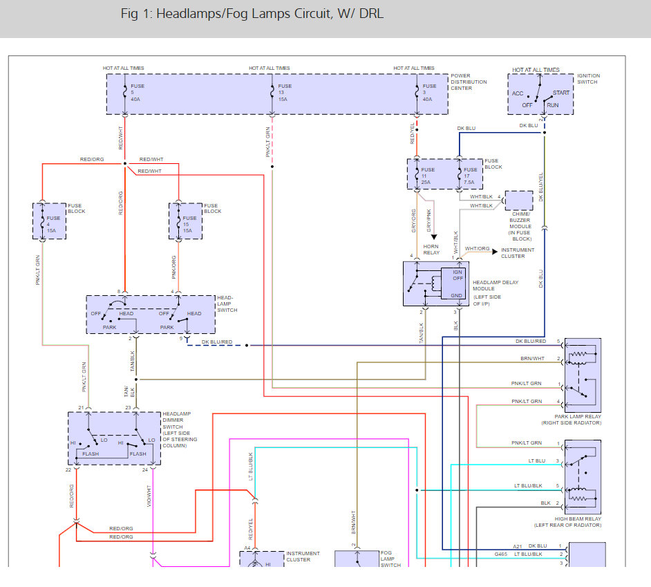
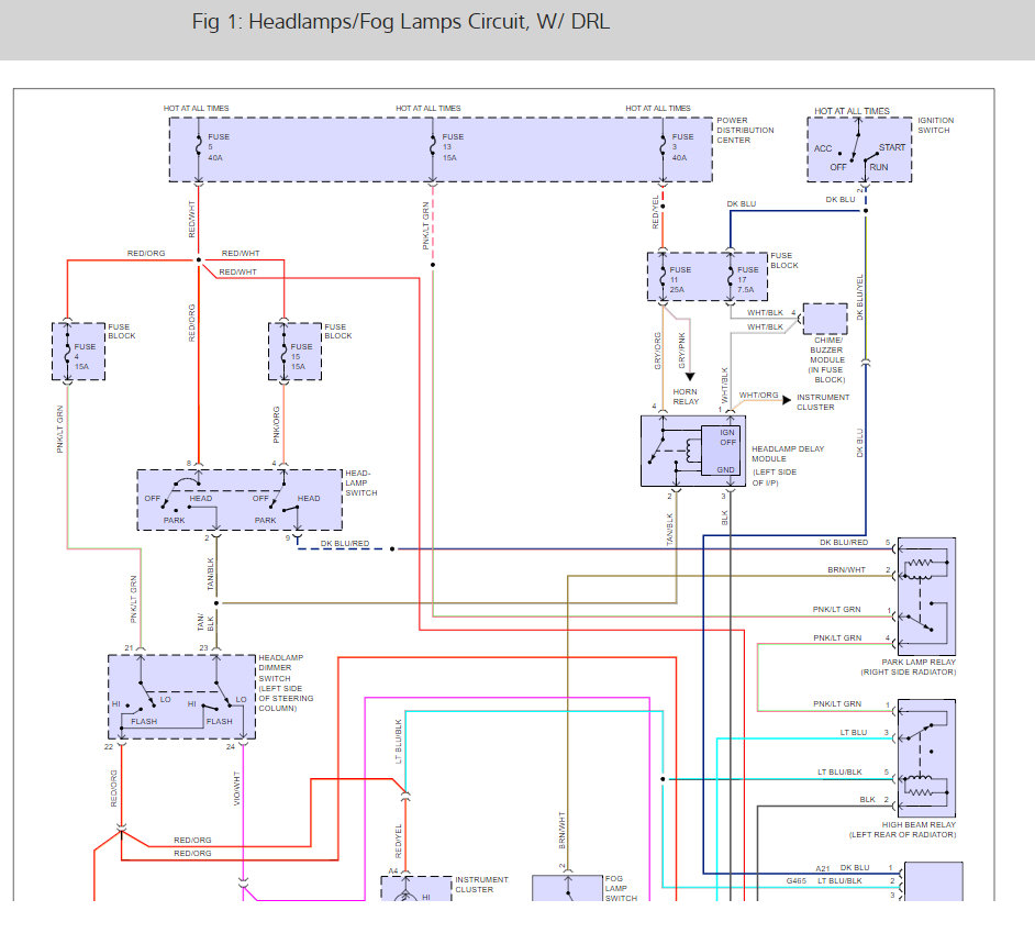
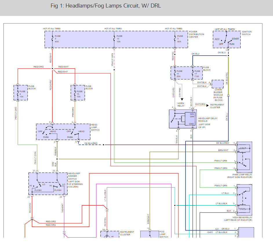
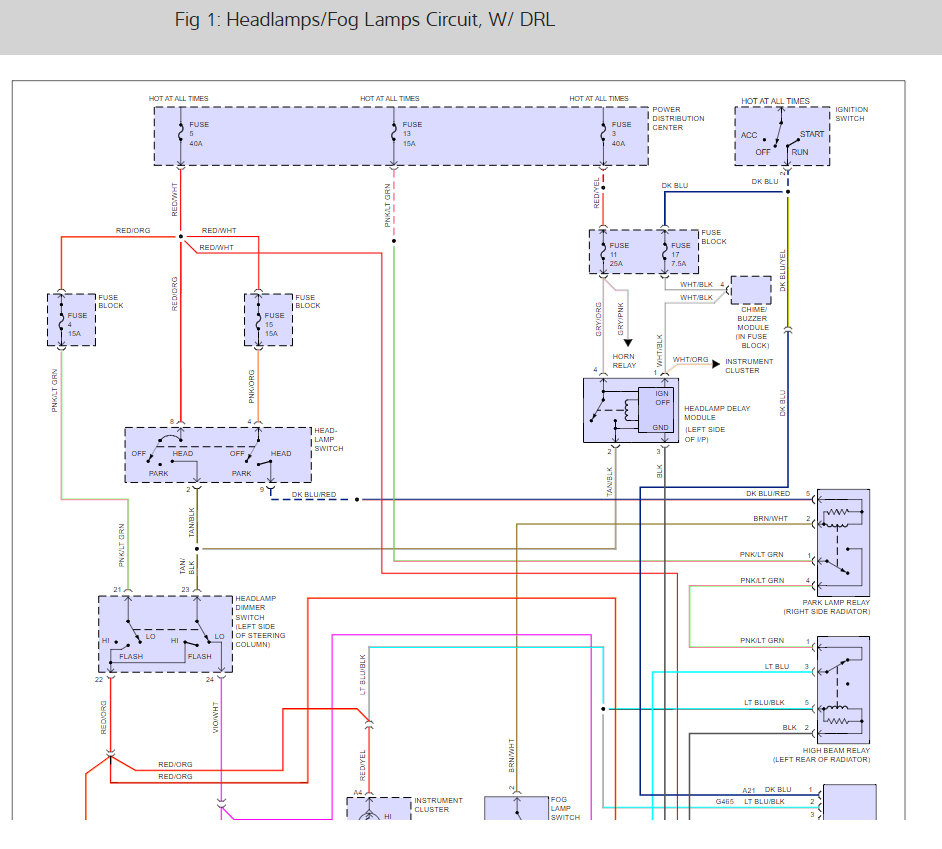
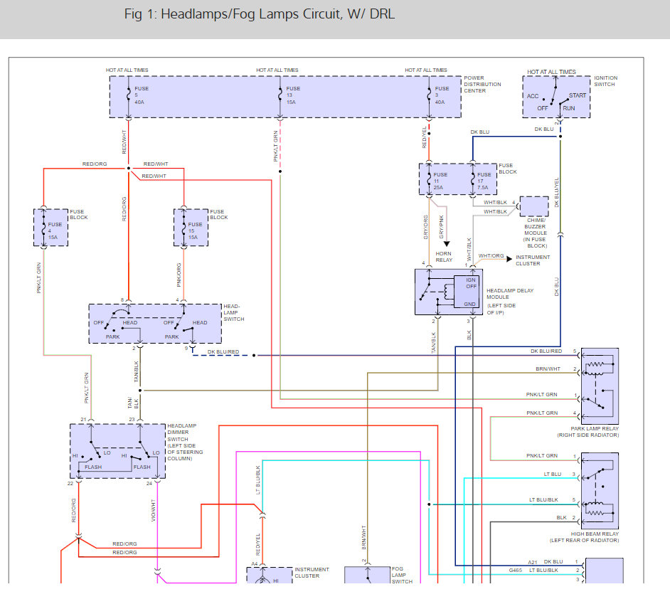
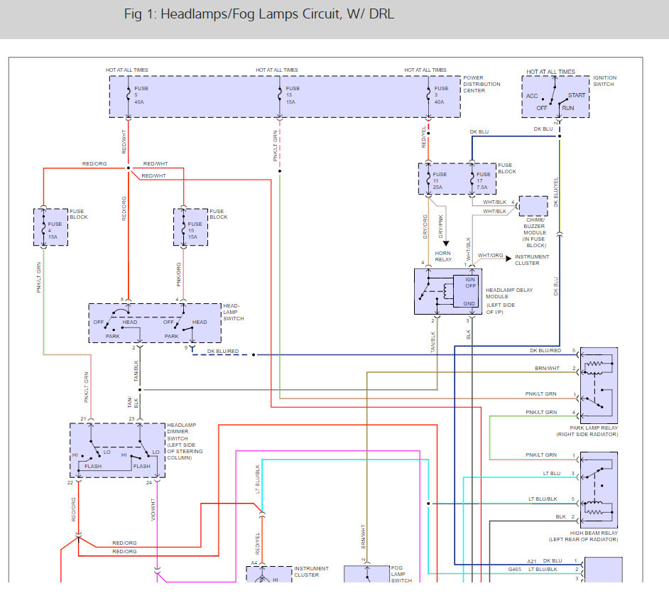
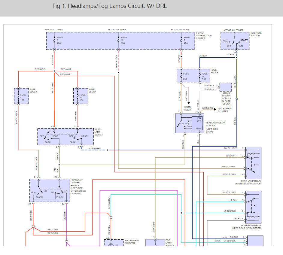
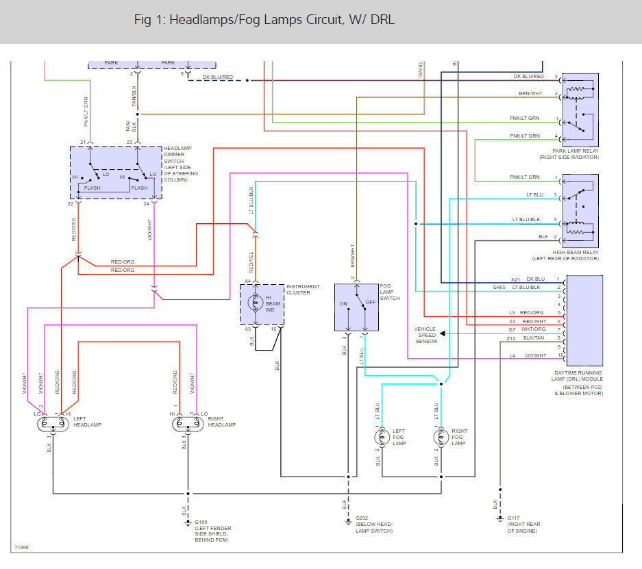
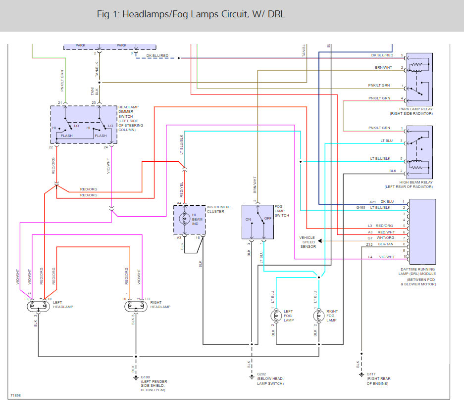
The dim lights stopped working suddenly and both right and left. Bulbs okay and fuses okay. Could it be dimmer switch on column or relays?



