1986 Jaguar XJS wiper motor relay?

Tiny
JLMEAL
  • MEMBER
  • 1986 JAGUAR XJS
  • V12
  • 2WD
  • AUTOMATIC
  • 99,000 MILES
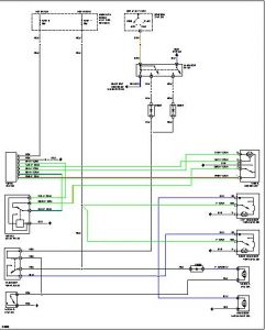
A mechanic that is no longer available to discuss this with, somehow unhooked my wiper motor on my Jaguar XJ-S. IS anyone aware of what area the relay is located or perhaps a simple wiring plug that he may have easily unfastened?
I just took the car back from someone who was going to purchase it, but died. The mechanics had it and refuse to discuss the car with me unless I pay the man's bill. ((They did nothing to it!))
Wednesday, January 23rd, 2008 AT 5:56 PM

1 Reply

Tiny
DAVE H
  • MECHANIC
  • 13,384 POSTS


http://www.2carpros.com/forum/automotive_pictures/266999_jag_54.jpg

Was this
answer
helpful?
Yes
No
Wednesday, January 6th, 2010 AT 5:53 AM

Please login or register to post a reply.