1987 Jaguar XJ6 Blows hot air all the time

Tiny
RICHARD CAIN
  • MEMBER
  • 1987 JAGUAR XJ6
  • 6 CYL
  • 2WD
  • AUTOMATIC
  • 185,000 MILES
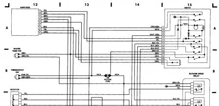
Need blower switch wiring diagram. The switch has 9 terminals 4@top and 5@ bottom or vice verse. The switch is sometimes called the micro switch. The sequence is as follows; off#1 second position low. Automatic high then defrost. The wires are brown. Brown/yellow red/white stripe pink black black/white black/green green. Note the blower switch is on the right side. Note pay pal has already taken care of the price. If you need a fax I can supply one for the
picture of the switch.

thank you
Friday, July 30th, 2010 AT 9:12 PM

1 Reply

Tiny
BLUELIGHTNIN6
  • MECHANIC
  • 16,542 POSTS
Hello and thanks for donating

The wiring diagram for your vehicle's HVAC system is below. I have also emailed a copy to your email address on file so that you can enlarge the image. .


https://www.2carpros.com/forum/automotive_pictures/261618_Noname_2509.jpg



https://www.2carpros.com/forum/automotive_pictures/261618_Noname2_820.jpg



https://www.2carpros.com/forum/automotive_pictures/261618_Noname3_300.jpg

Was this
answer
helpful?
Yes
No
Friday, July 30th, 2010 AT 11:58 PM

Please login or register to post a reply.