No reverse

Tiny
WARWICK_HALL
  • MEMBER
  • 2003 JAGUAR
Transmission problem 6 cyl All Wheel Drive Automatic

After topping up the geabox of my 2003 Jaguar x-type the car would not reverse. Oil level is correct level
Sunday, November 16th, 2008 AT 4:59 PM

1 Reply

Tiny
KEN L
  • MASTER CERTIFIED MECHANIC
  • 55,488 POSTS
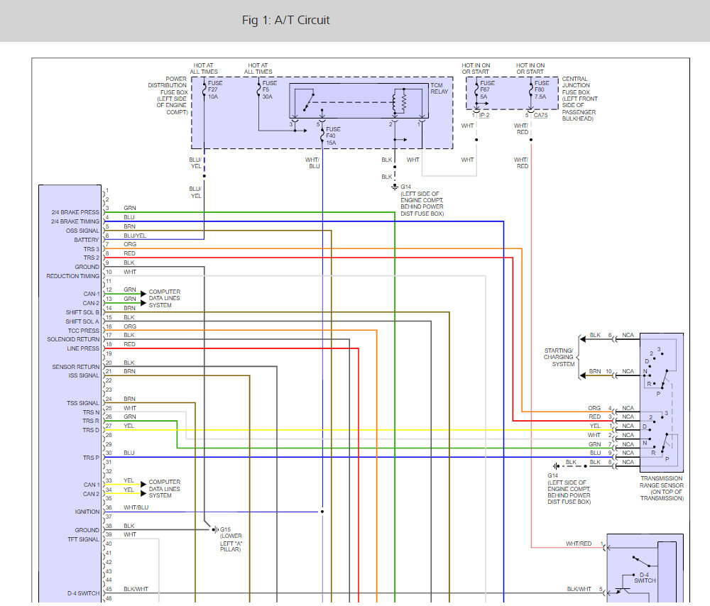
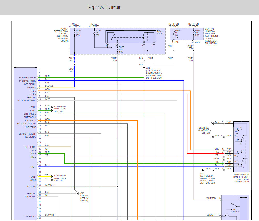
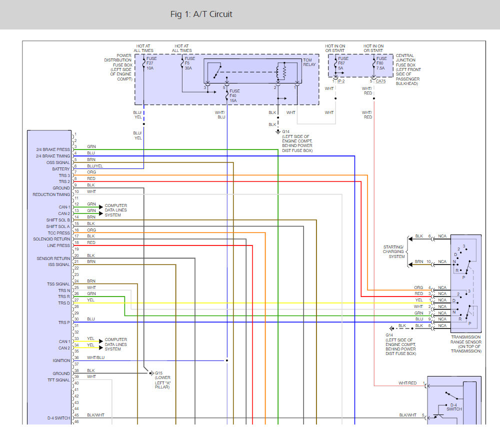
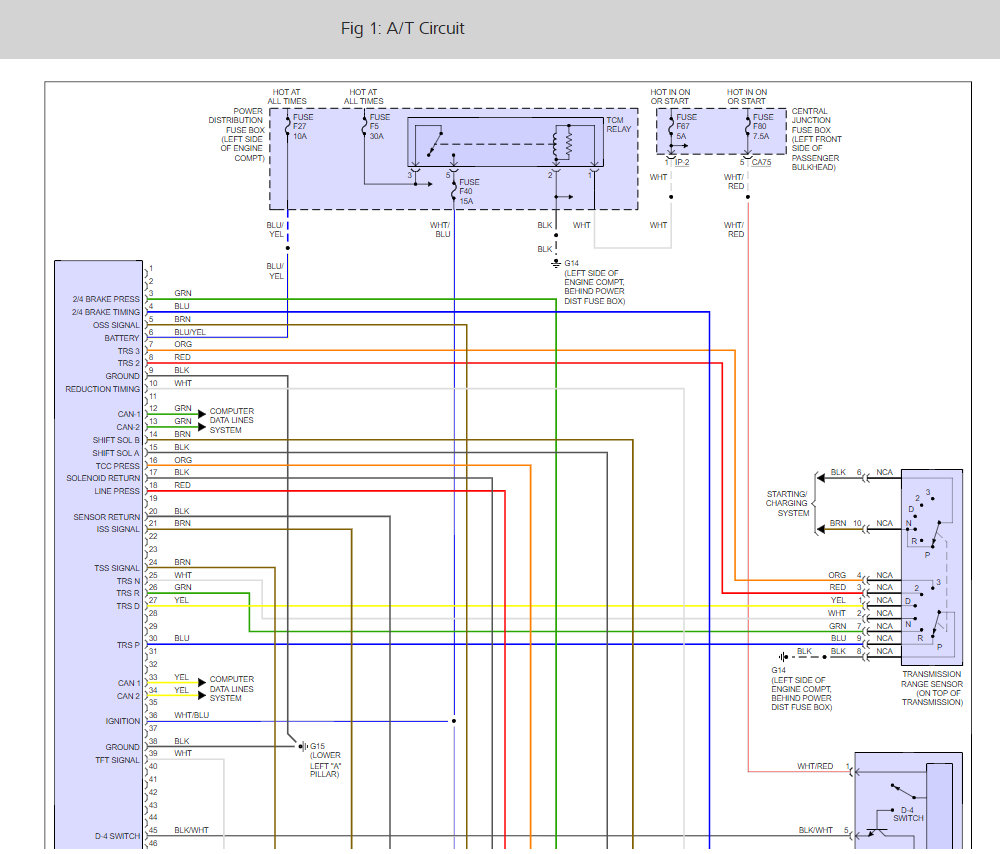
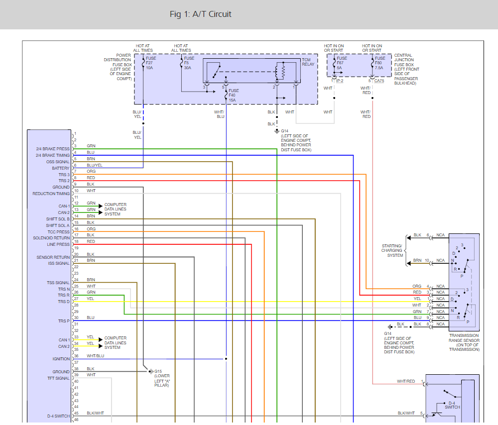
It sounds like you have a reverse shift solenoid that is not working. Here is a wiring diagram and a few guides to help us test and replace the solenoid. Also a transmission range selector switch can cause the problem as well.

You will need to remove the pan

https://www.2carpros.com/articles/how-to-service-an-automatic-transmission

Here is a guide so you can test the switch

https://www.2carpros.com/articles/how-to-use-a-test-light-circuit-tester

Here is the wiring diagram (below)

Please let us know what happens.

Cheers, Ken
Was this
answer
helpful?
Yes
No
Wednesday, October 25th, 2017 AT 8:48 PM

Please login or register to post a reply.