Will not start

Tiny
RACHEL HYLAND
  • MEMBER
  • 2017 FIAT 500X
  • 2.8L
  • V6
  • 4WD
  • AUTOMATIC
  • 100,000 MILES
Press the button and brake. Car not recognizing keys and will not start.
Saturday, May 26th, 2018 AT 1:06 AM

1 Reply

Tiny
KEN L
  • MASTER CERTIFIED MECHANIC
  • 55,030 POSTS
Hello,

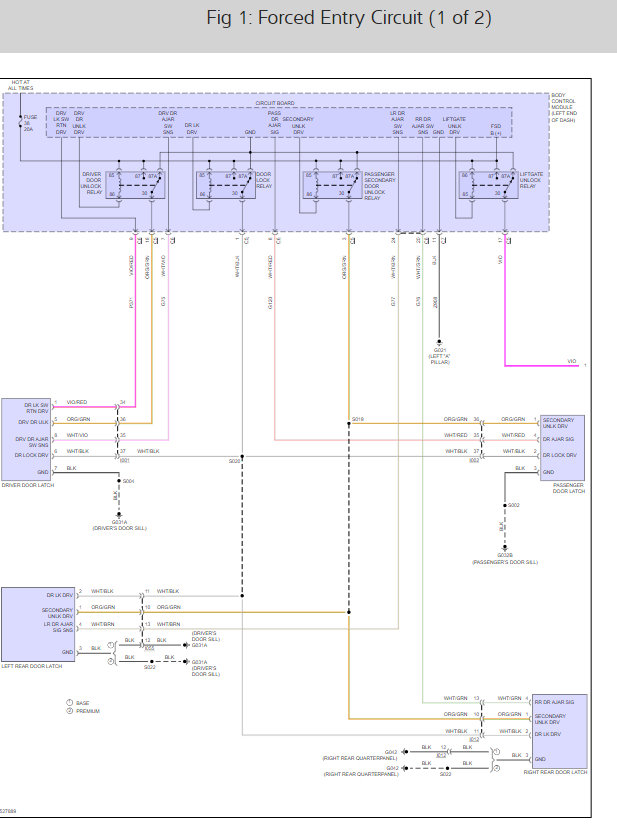
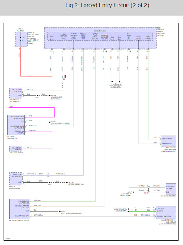
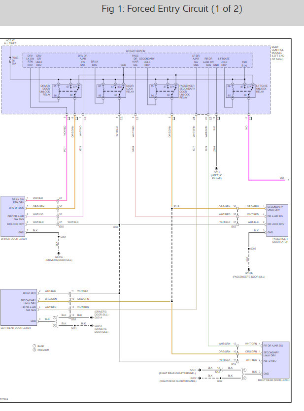
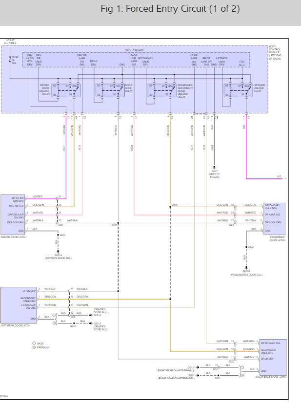
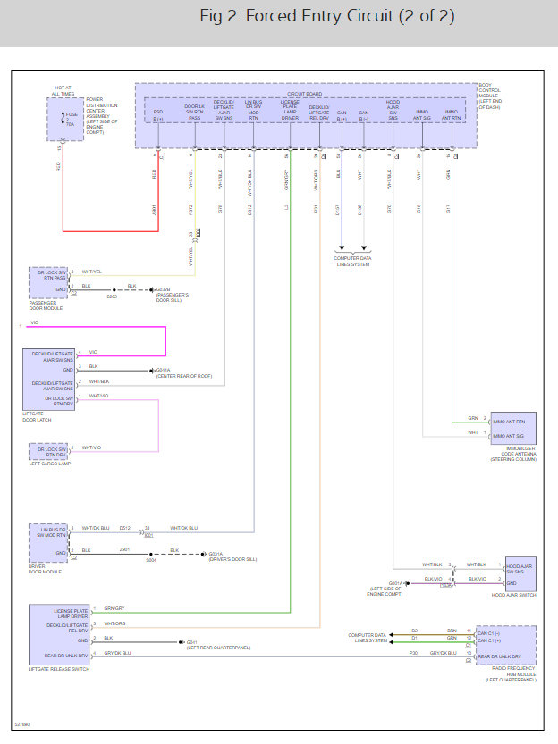
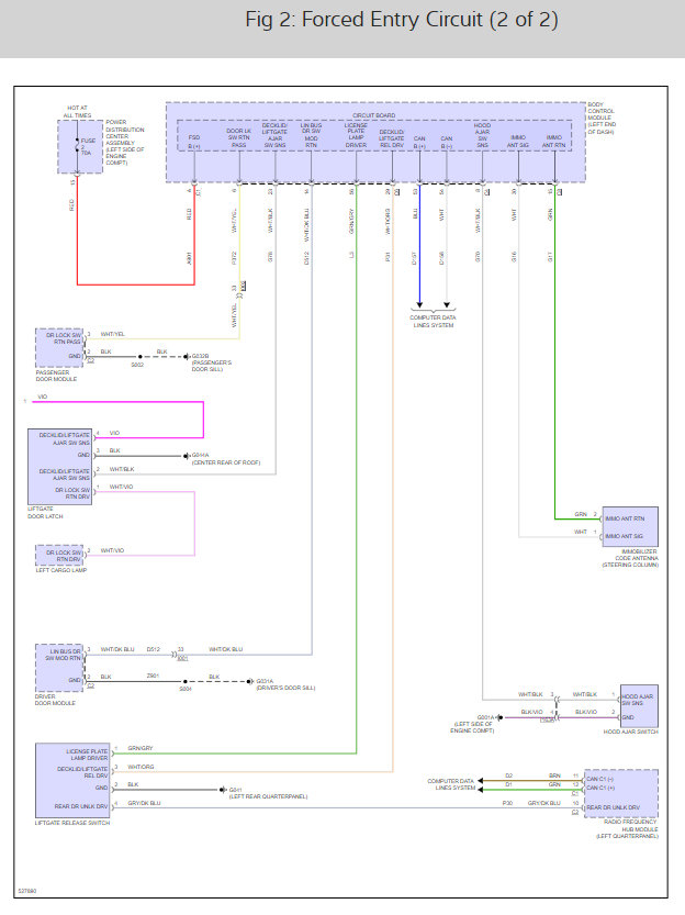
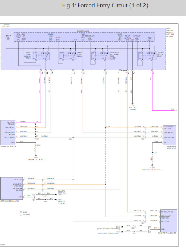
It sounds like the security system has lost its confirmation is the security light flashing? I would start by checking the fuses. Here is a guide and the fuse panel location and identification:

https://www.2carpros.com/articles/how-to-check-a-car-fuse

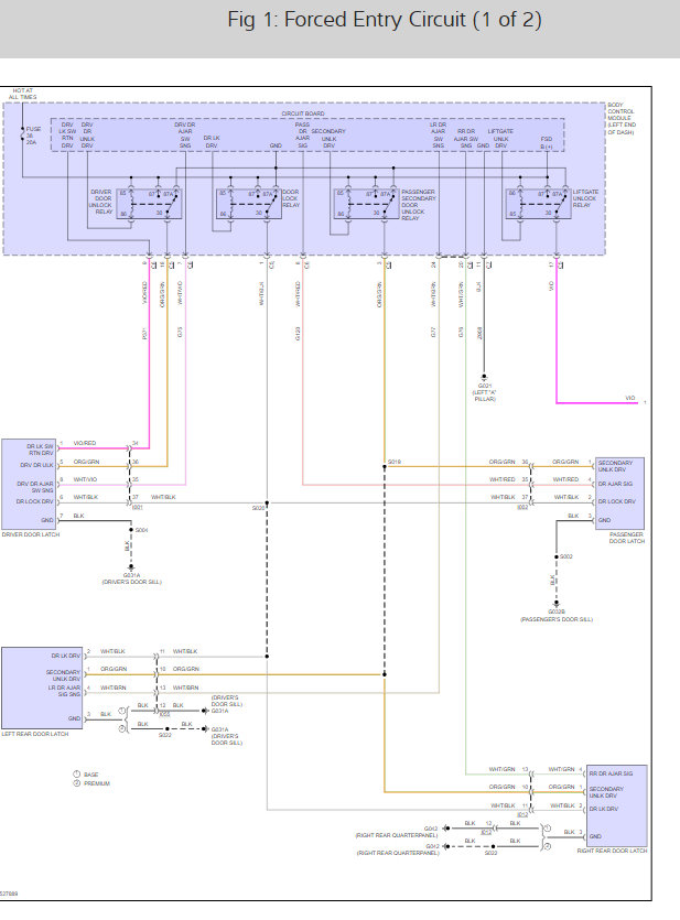
Here are the fuse panels and the security system wiring so you can see how the system works.

Check out the diagrams (below). Please let us know what happens.

Cheers, Ken
Was this
answer
helpful?
Yes
No
Sunday, May 27th, 2018 AT 1:07 PM

Please login or register to post a reply.