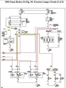
When you step on the brakes, while the headlights are on, the tail lights go dark, instead of getting brighter. The center brake light does work with the head lights on, in fact all other lights work; turn signals, hazard etc.
I have checked all the fuses and they are fine. Is there a relay or resistor that could cause this?
Thursday, January 10th, 2008 AT 2:40 PM


