Can I get the complete ECU pin assignment (diagram)?

Tiny
PROSPER DAVIDSON
  • MEMBER
  • 2013 ISUZU NPR
  • 3.0L
  • 4 CYL
  • AUTOMATIC
  • 215,304 MILES
I need a complete ECU pin assignment (diagram)for 2013 Isuzu reach, came in a 3.0L 4jj1 and a Bosch edc17cv41 12v ECU, I need to do some conversion on wires, so I need diagram for reference. Any help would be appreciated.
Saturday, December 2nd, 2023 AT 2:54 PM

11 Replies

Tiny
JACOBANDNICKOLAS
  • MECHANIC
  • 110,192 POSTS
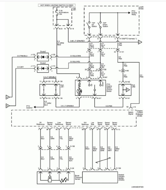
Hi,

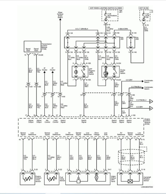
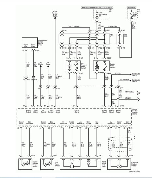
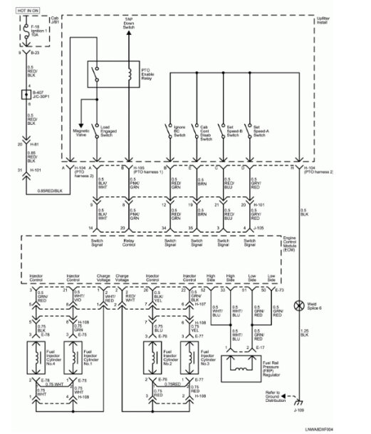
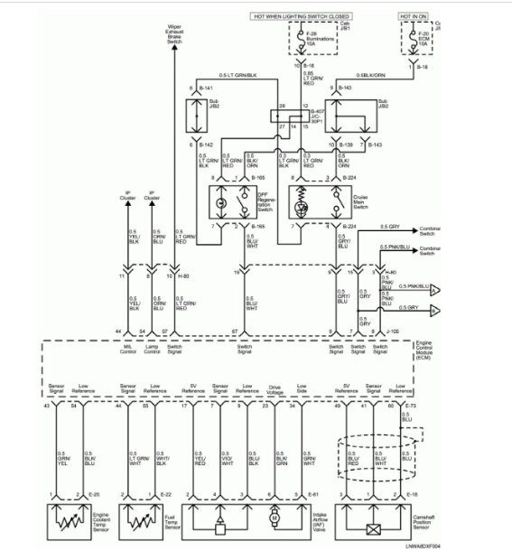
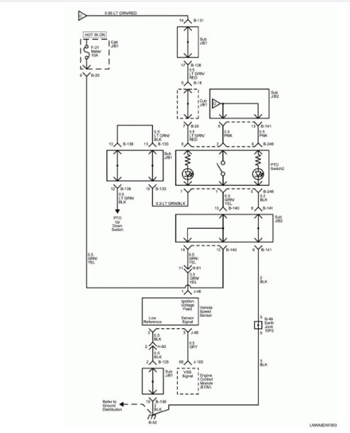
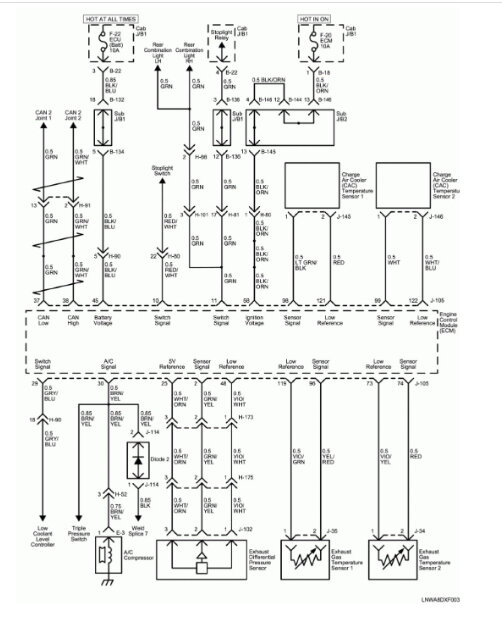
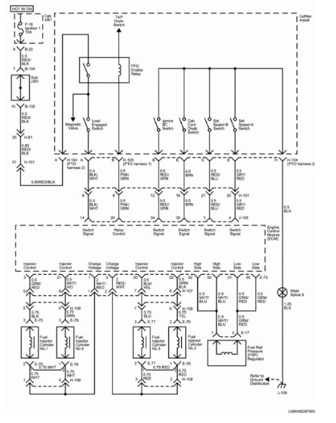
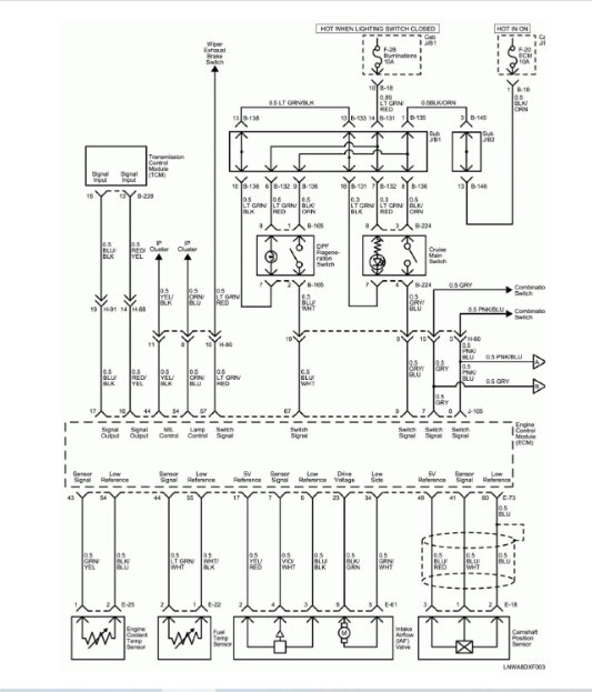
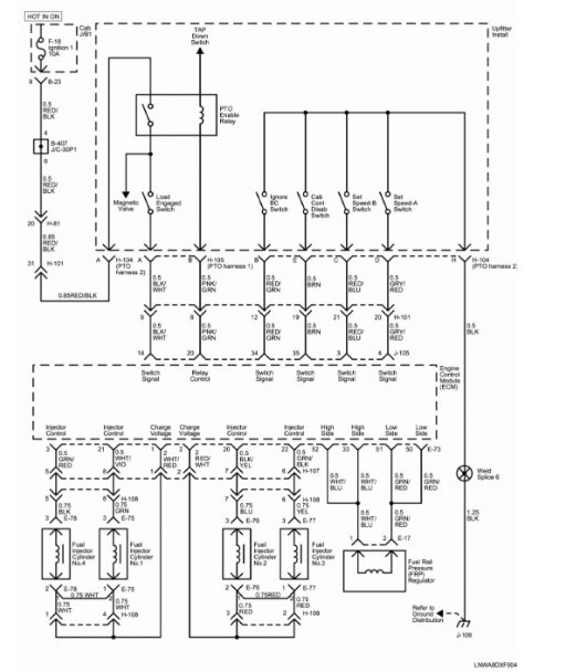
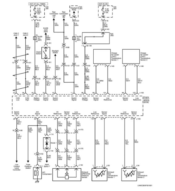
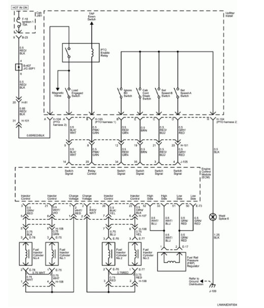
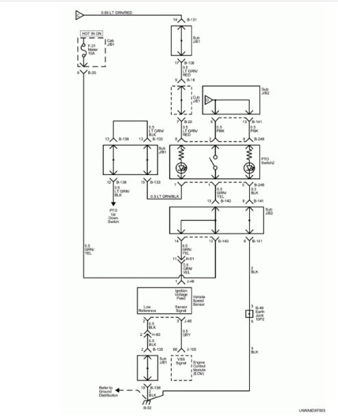
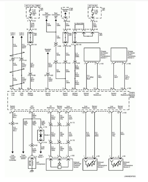
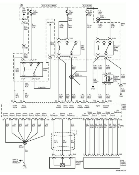
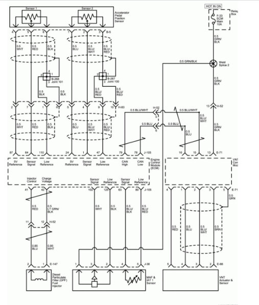
If you look below, pic 1 shows the two connectors at the ECM. The remaining pictures are the pinouts for them.

Let me know if this helps or if you have questions.

Take care,

Joe

See pics below.
Was this
answer
helpful?
Yes
No
Saturday, December 2nd, 2023 AT 9:12 PM
Tiny
PROSPER DAVIDSON
  • MEMBER
  • 16 POSTS
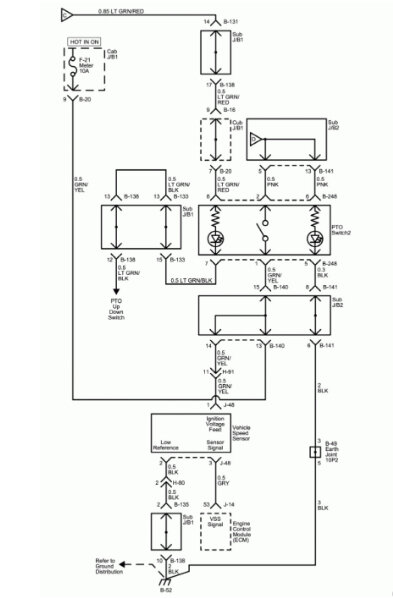
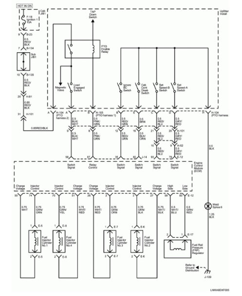
Thanks, JACOBANDNICKOLAS for your response, but this doesn't match my need. What I need is for a Bosch EDC17CV41 ECU on 4 cylinder 3.0L 4jj-1 motor that's the picture below, please help if you have.
Was this
answer
helpful?
Yes
No
Saturday, December 2nd, 2023 AT 11:55 PM
Tiny
JACOBANDNICKOLAS
  • MECHANIC
  • 110,192 POSTS
Hi,

That is the only one I'm finding for the Reach. My manual provides one engine possibility and one ECM possibility. Could it be listed under something different?

Joe
Was this
answer
helpful?
Yes
No
Sunday, December 3rd, 2023 AT 8:47 PM
Tiny
PROSPER DAVIDSON
  • MEMBER
  • 16 POSTS
JALB4T172D7W01321 here comes the VIN, check if you can make anything out of it.
Was this
answer
helpful?
Yes
No
Sunday, December 3rd, 2023 AT 11:38 PM
Tiny
JACOBANDNICKOLAS
  • MECHANIC
  • 110,192 POSTS
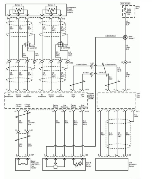
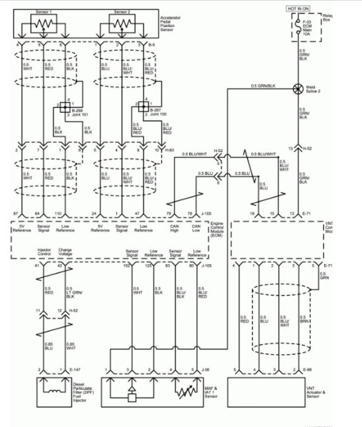
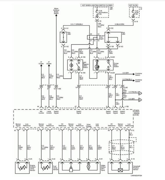
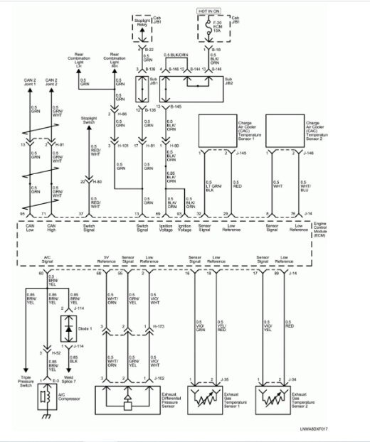
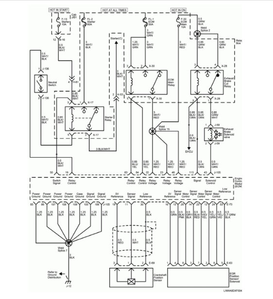
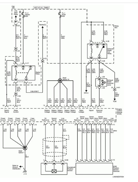
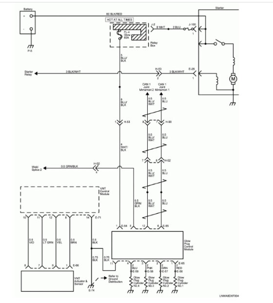
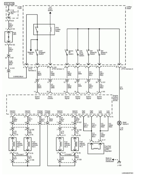
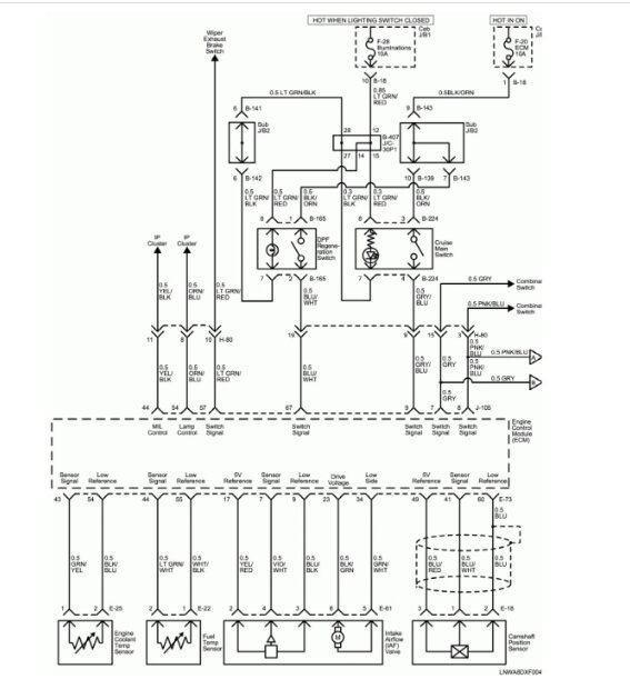
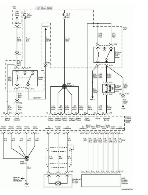
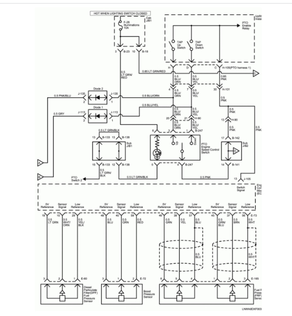
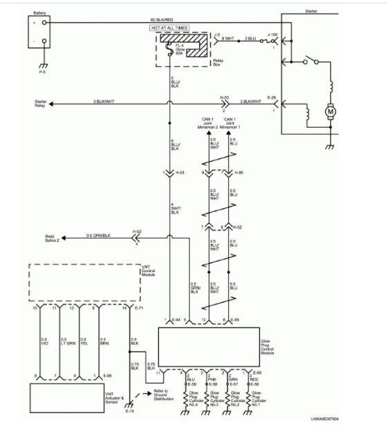
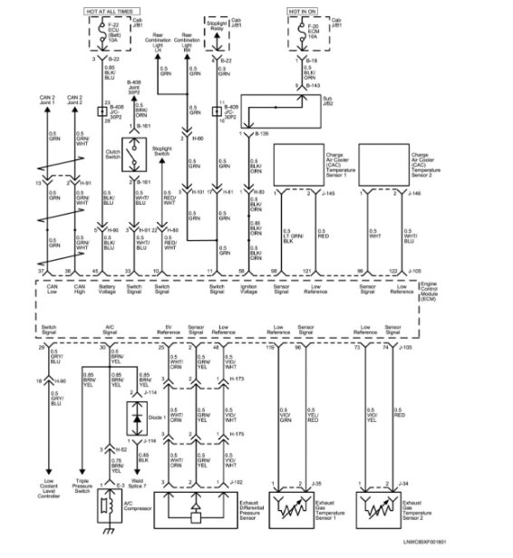
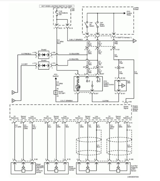
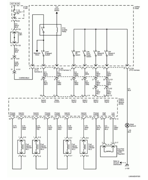
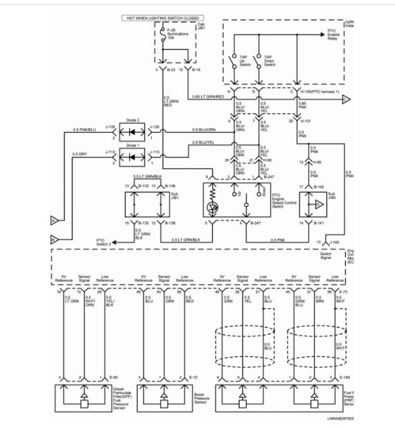
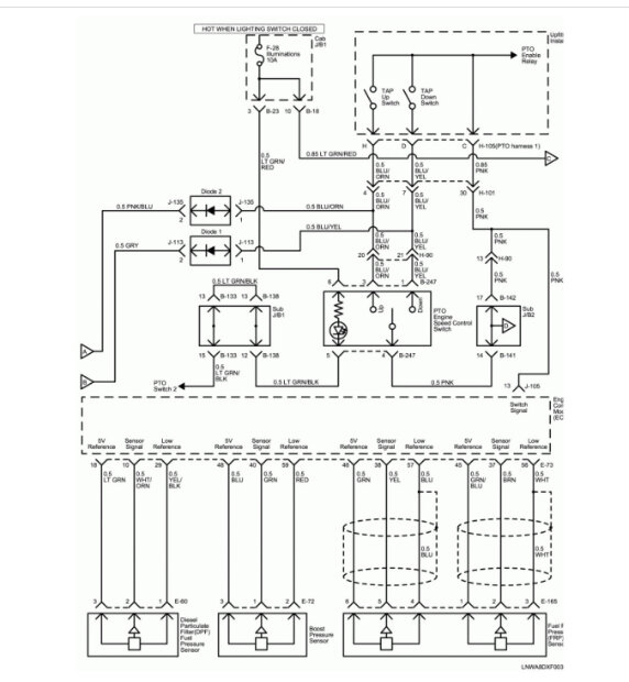
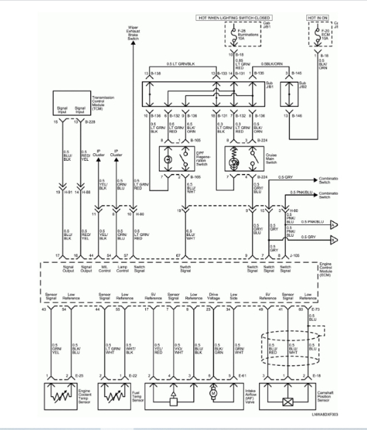
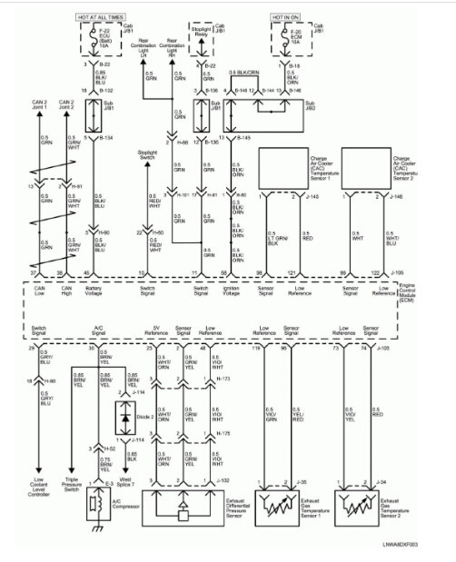
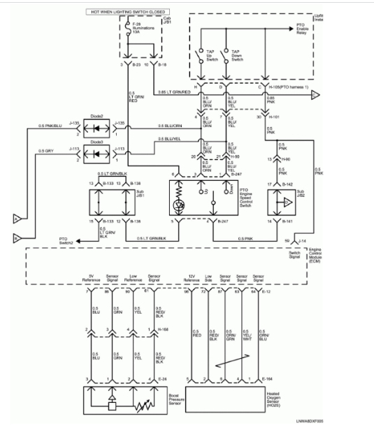
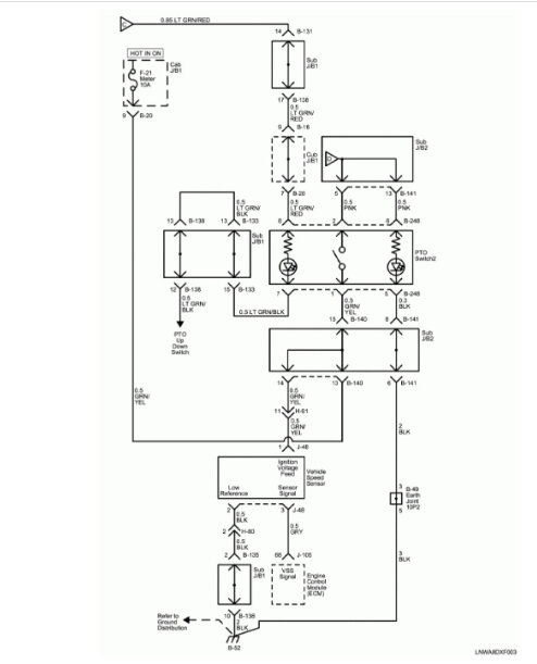
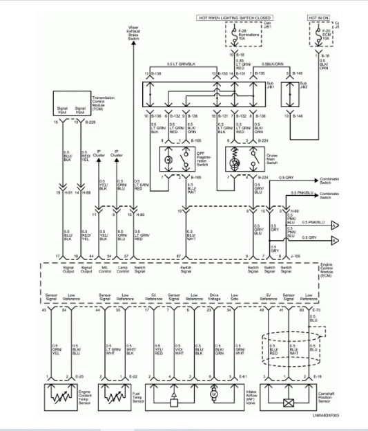
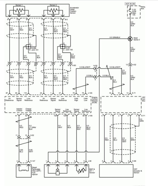
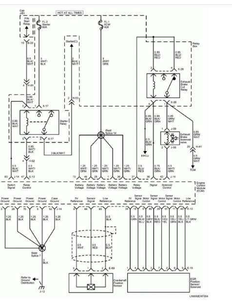
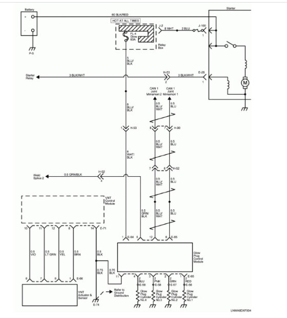
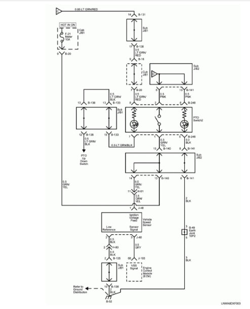
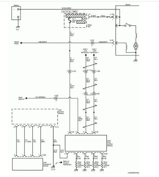
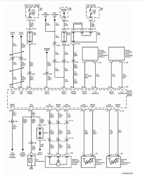
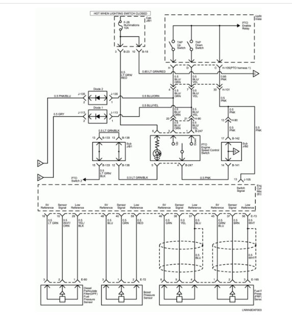
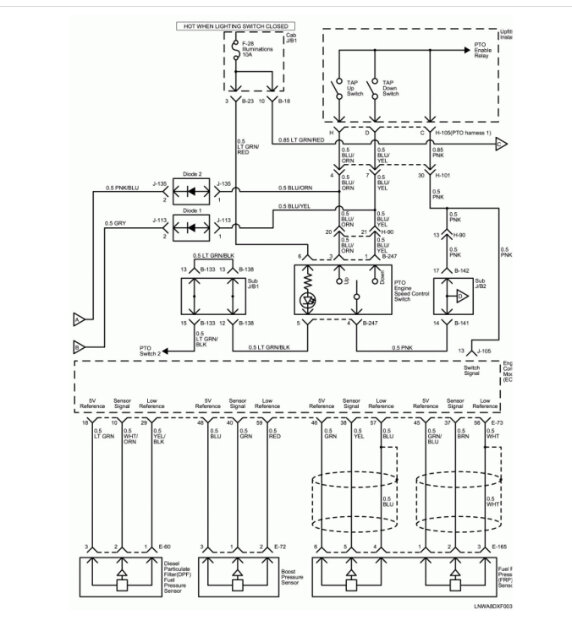
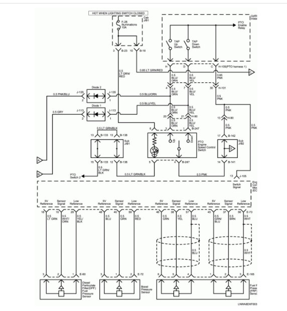
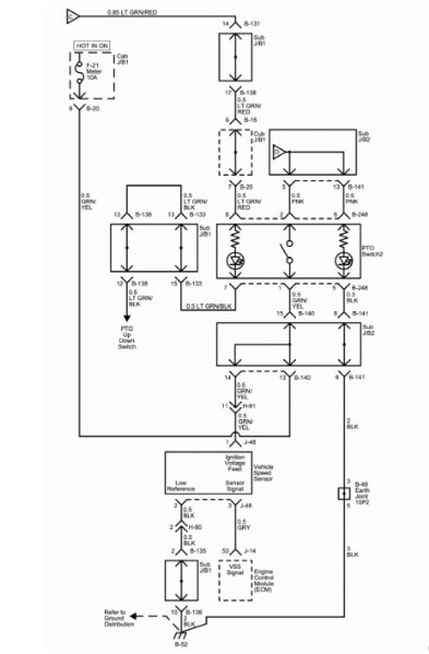
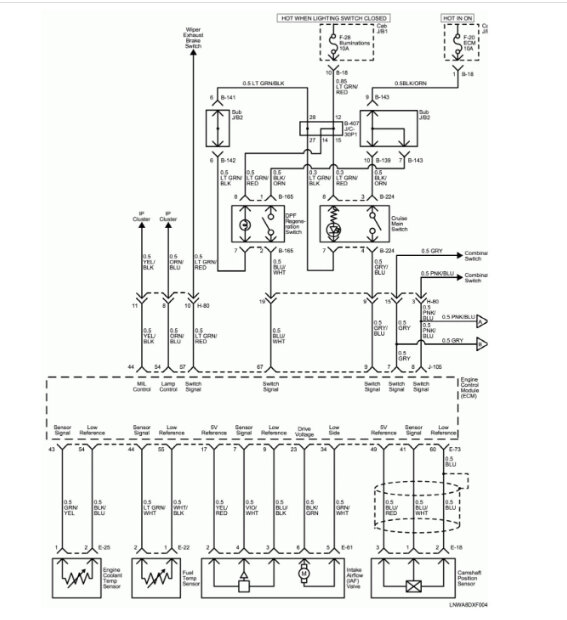
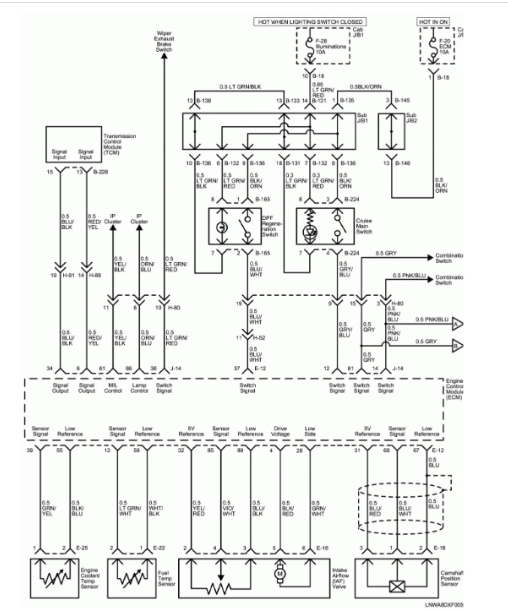
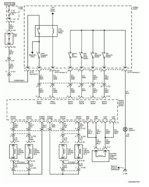
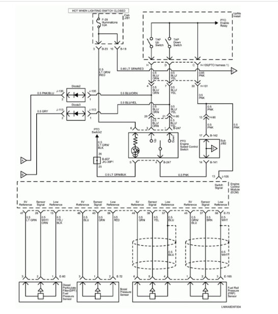
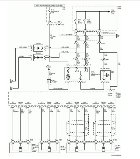
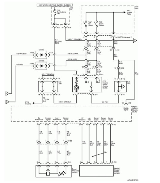
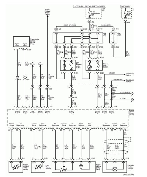
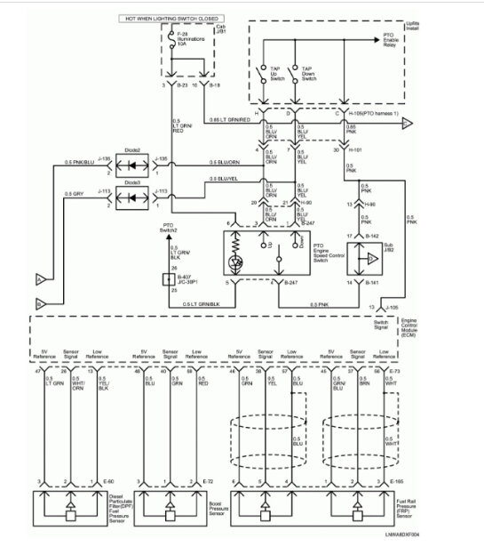
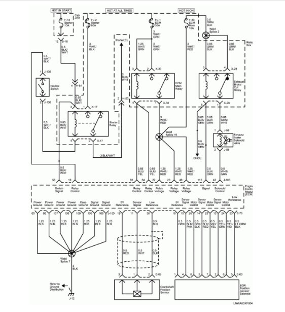
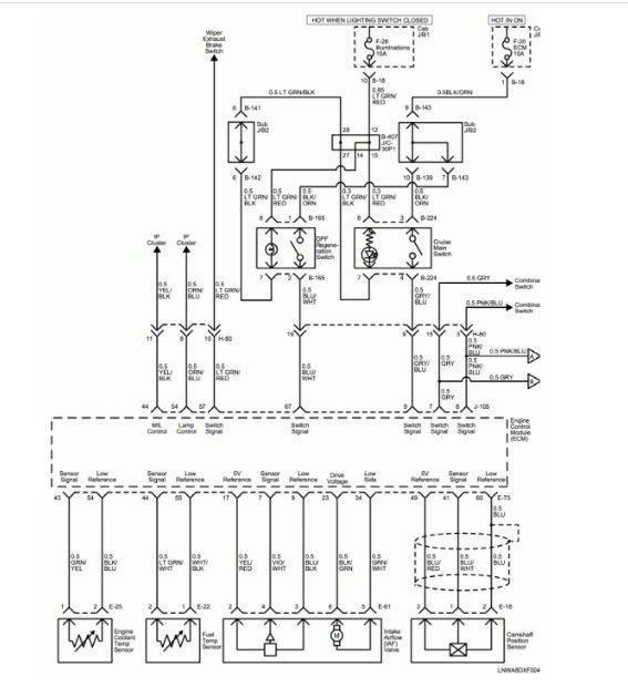
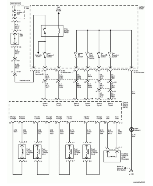
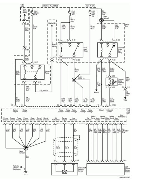
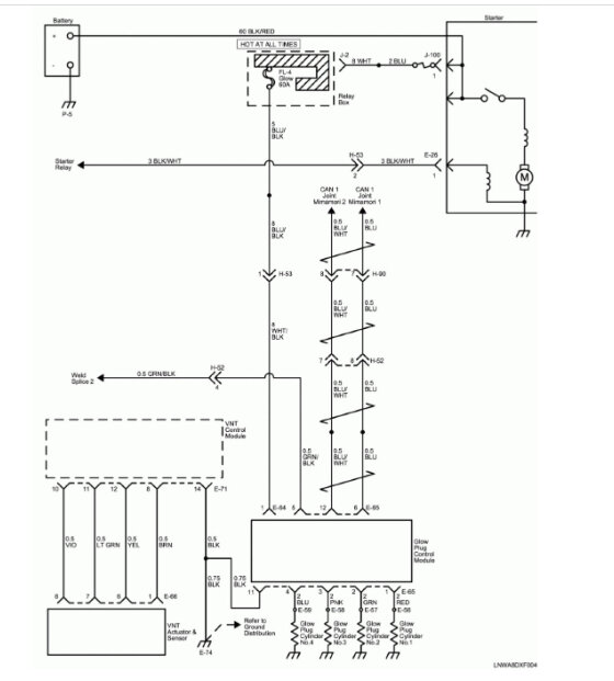
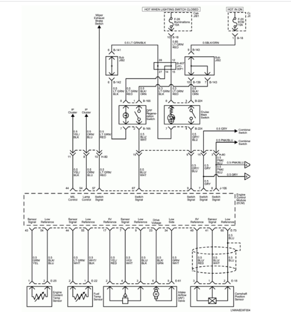
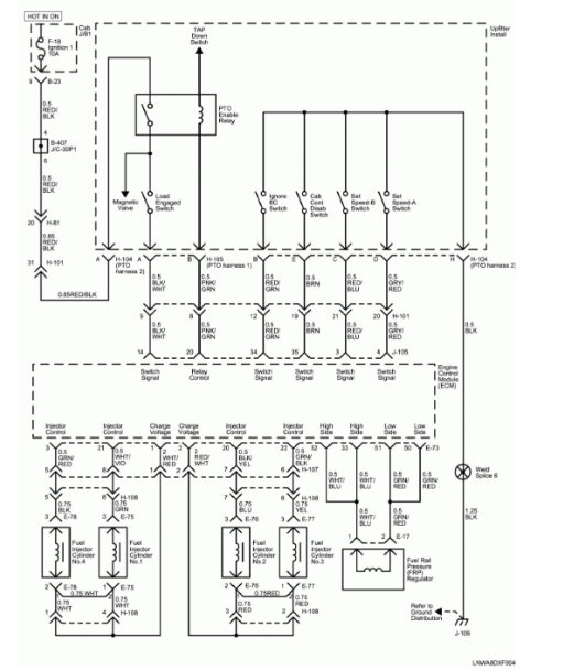
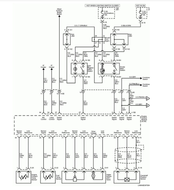
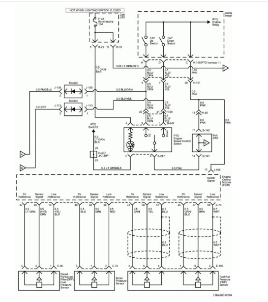
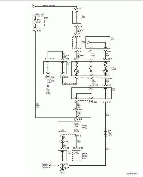
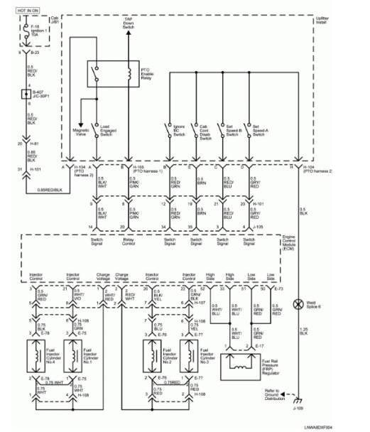
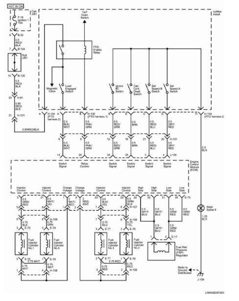
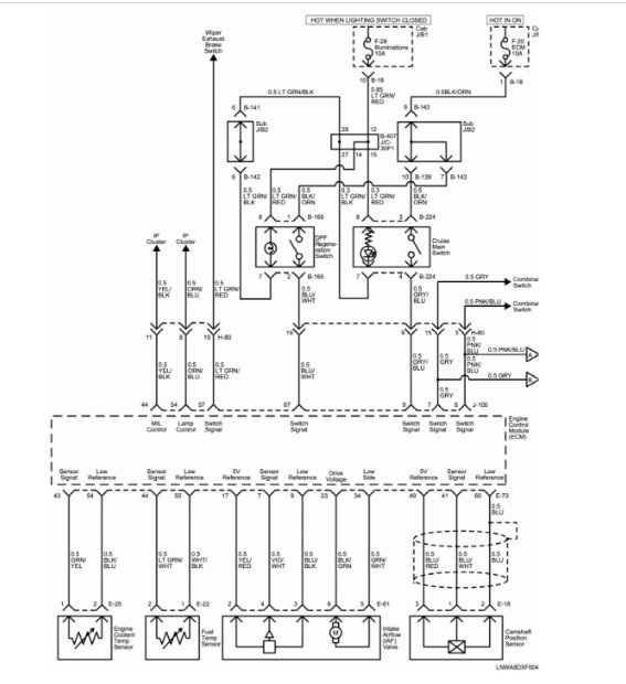
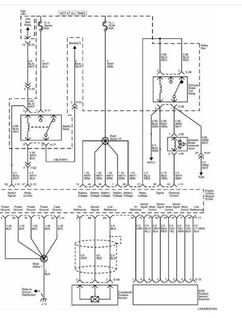
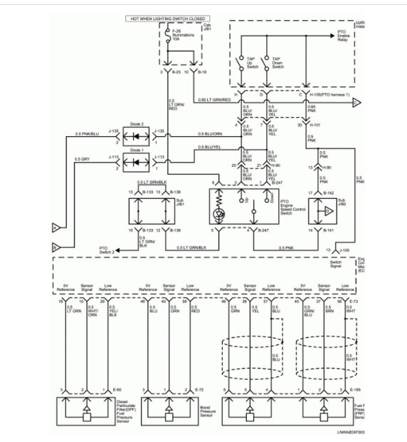
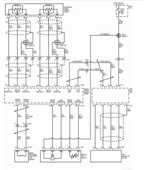
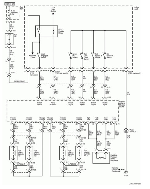
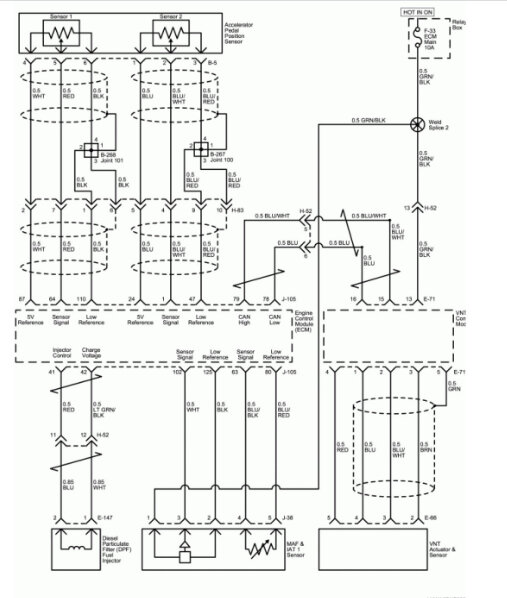
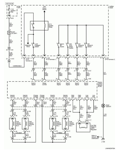
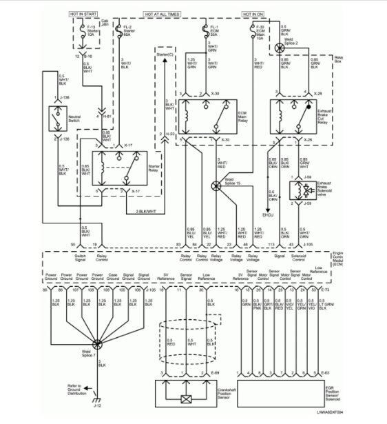
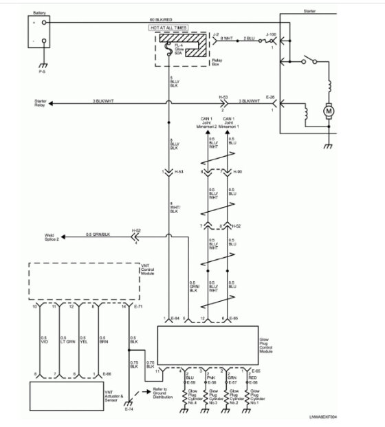
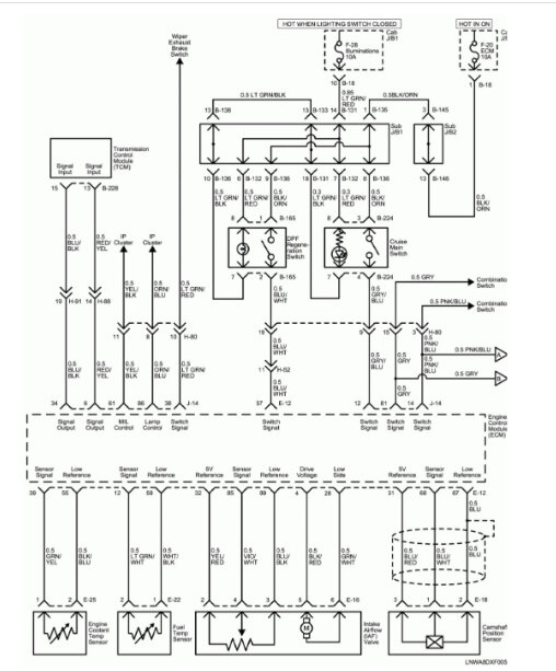
With the VIN, I get different information. I attached it below. Let me know if that is what you need or if that is incorrect as well.

Take care,

Joe

See pics below.
Was this
answer
helpful?
Yes
No
Monday, December 4th, 2023 AT 7:01 PM
Tiny
PROSPER DAVIDSON
  • MEMBER
  • 16 POSTS
This pin-out looks like it correspondents with my ECU pin numbers, but can I get the ECU wiring diagram to further check? Because the vehicle is far away from me, I'll be going there by next week and I need to gather all necessary information.

I also need to add that I'm new to Isuzu troubleshooting so I'll need you to answer this question: is it possible to perform Adblue off using idss or other special development tool like I can on other European trucks which I'm specialize in like Daf, Volvo, MAN, and Mercedes this is a US isuzu and we don't have much experience with US isuzu I have g-idss but not good with this Isuzu truck. Thank you very much JACOBANDNICKOLAS for your assistance.
Was this
answer
helpful?
Yes
No
Wednesday, December 6th, 2023 AT 2:38 AM
Tiny
JACOBANDNICKOLAS
  • MECHANIC
  • 110,192 POSTS
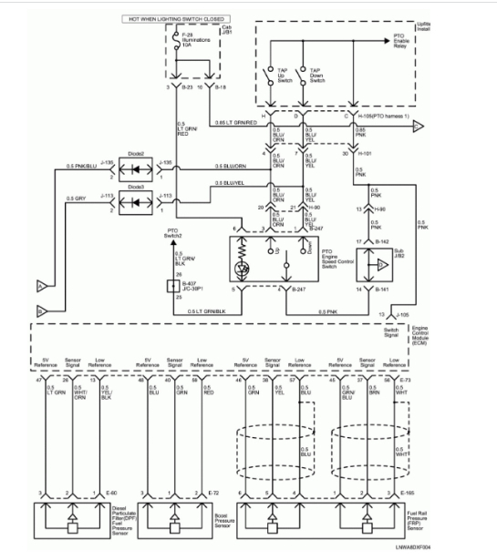
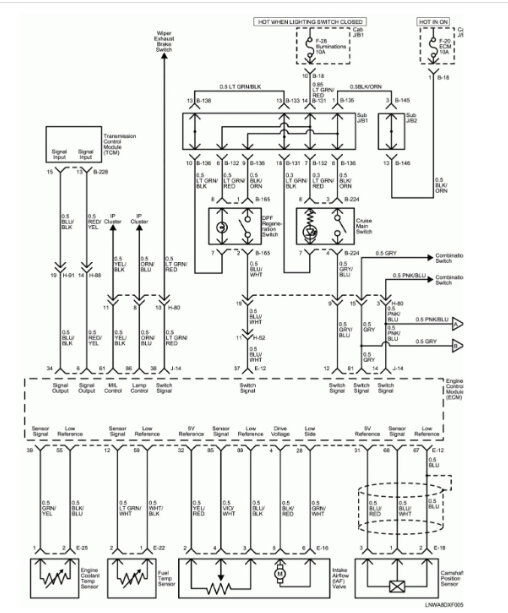
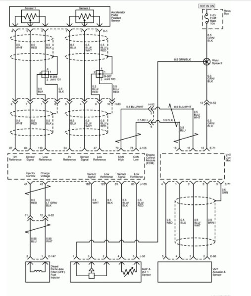
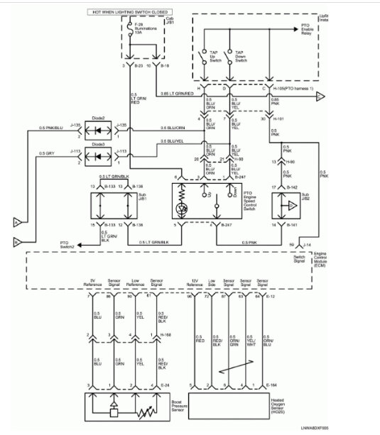
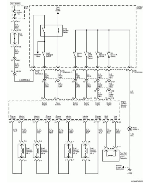
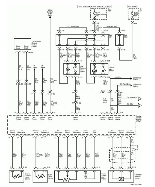
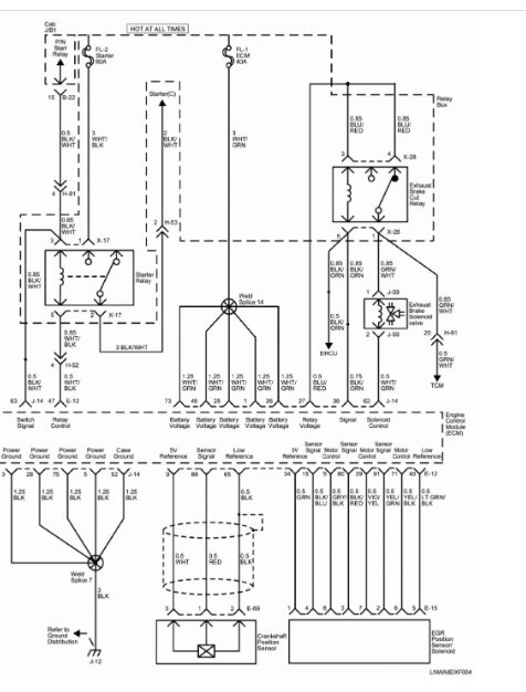
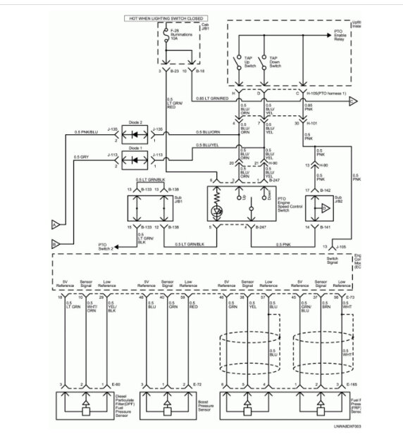
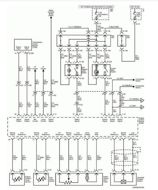
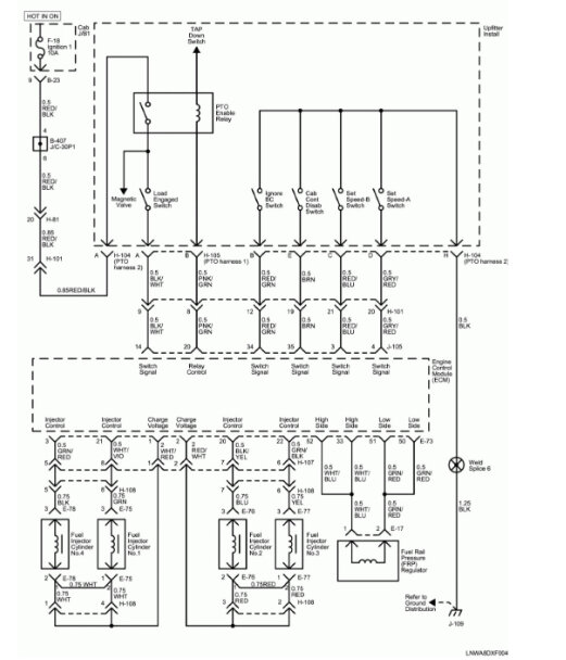
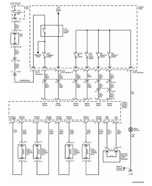
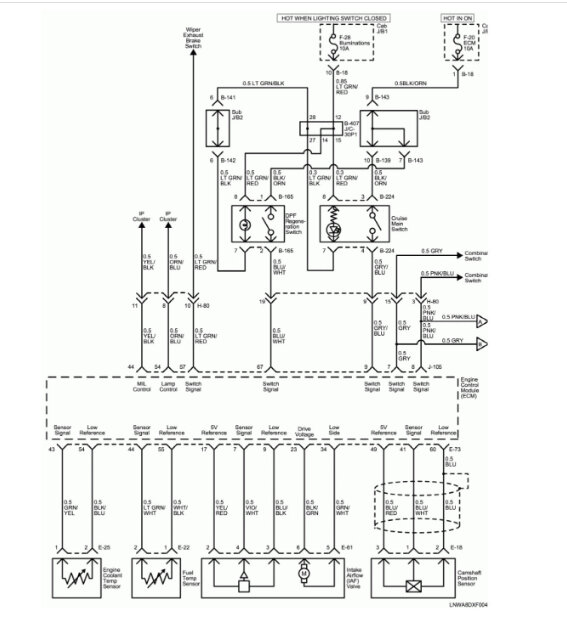
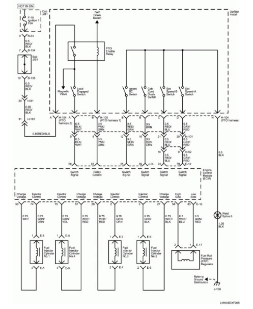
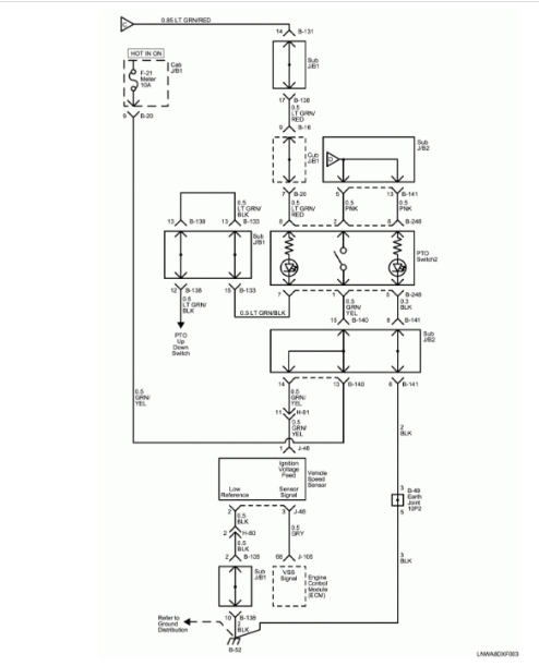
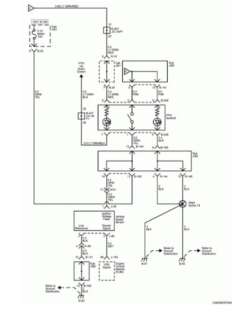
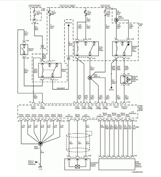
Hi,

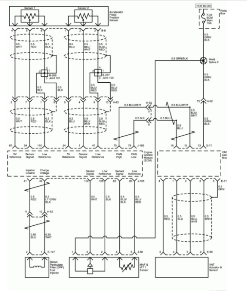
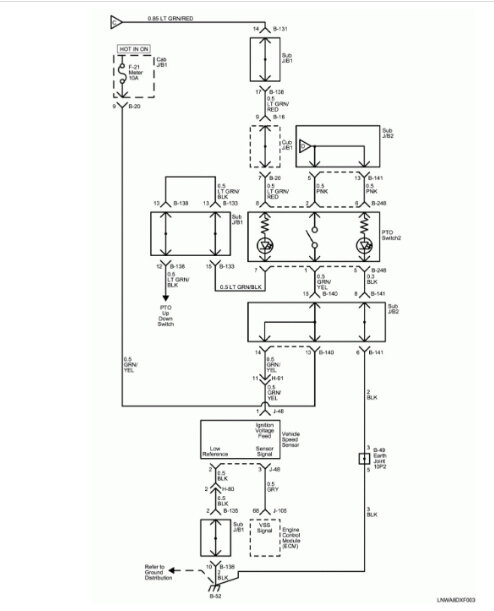
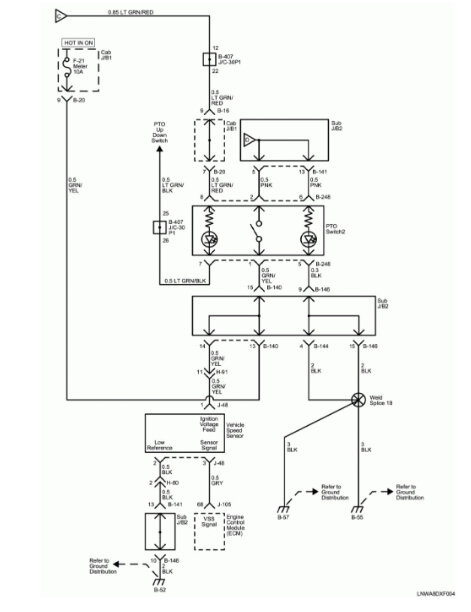
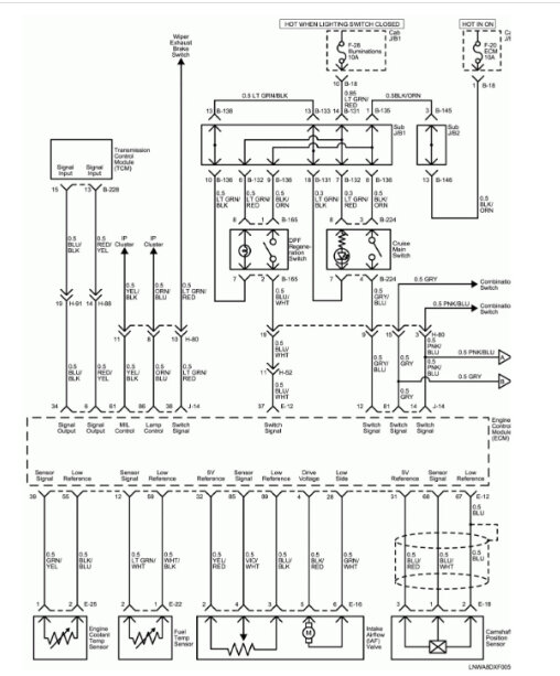
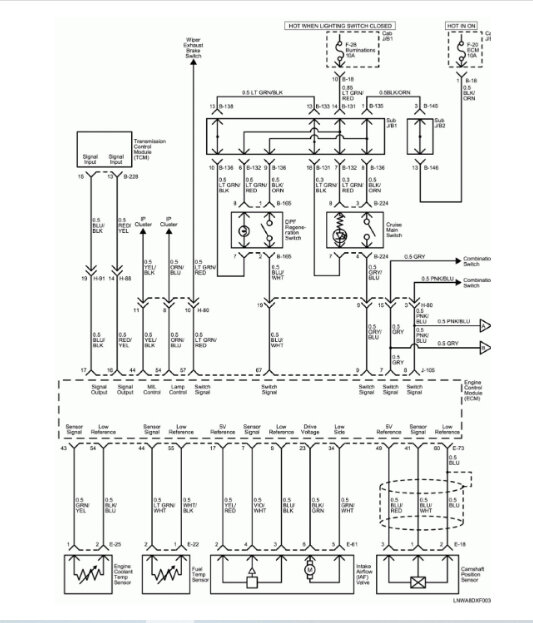
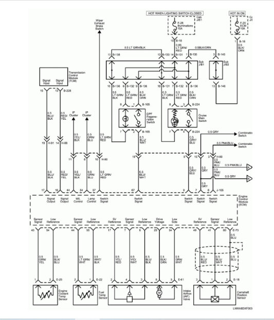
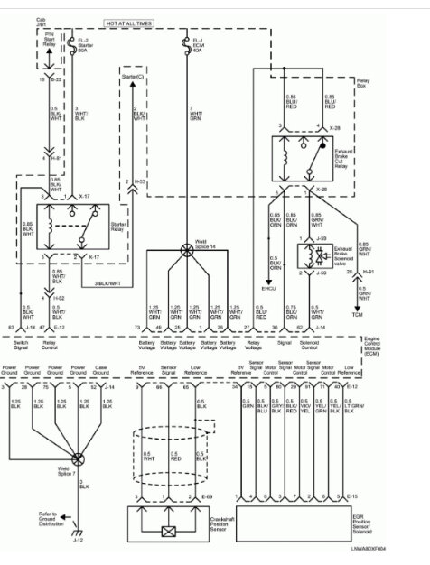
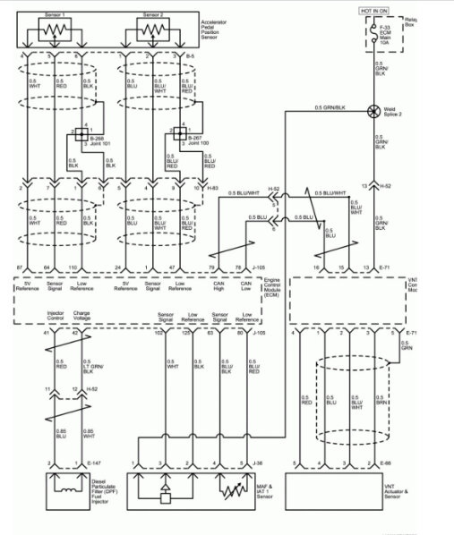
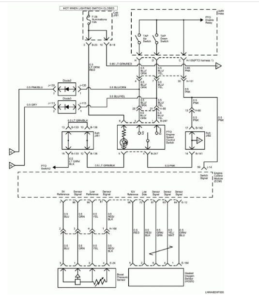
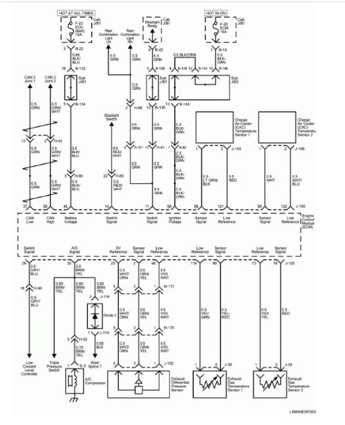
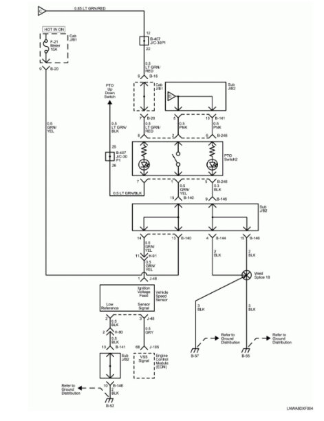
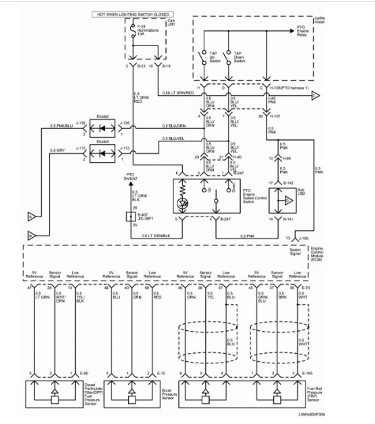
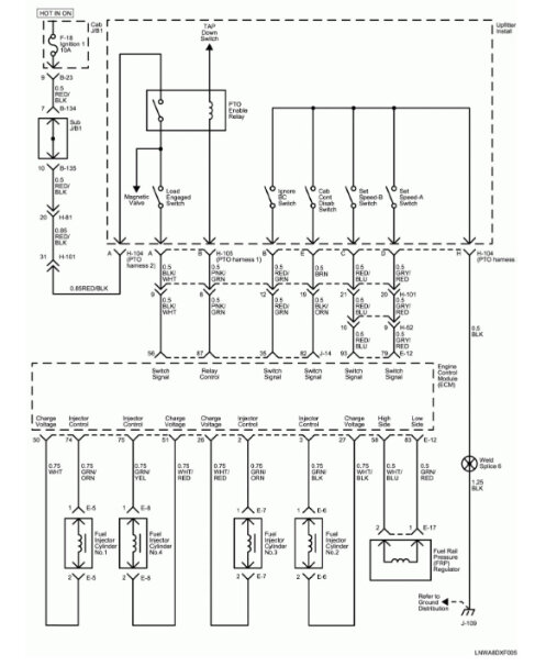
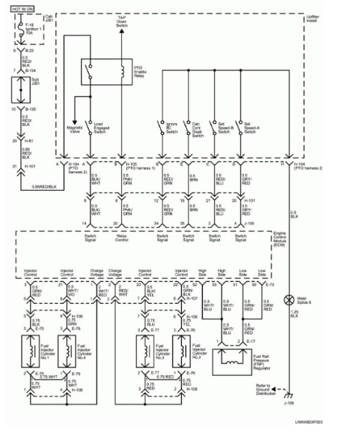
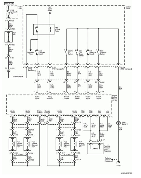
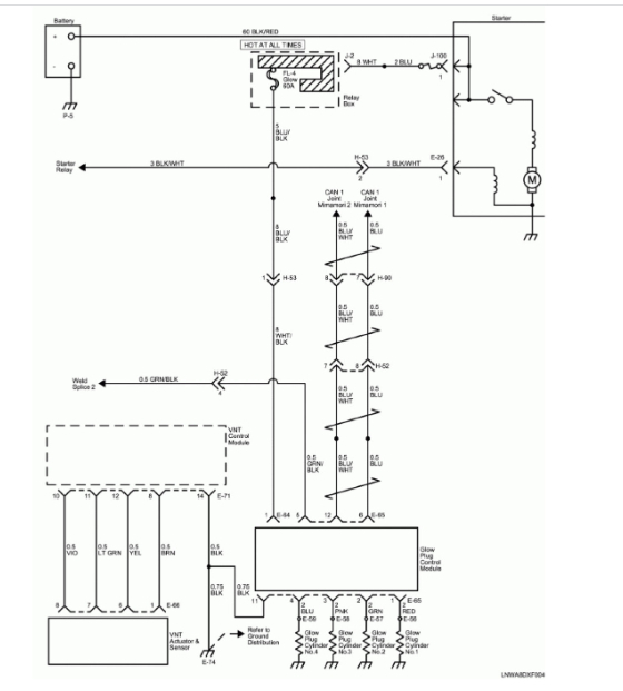
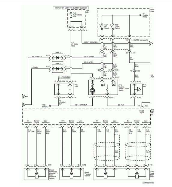
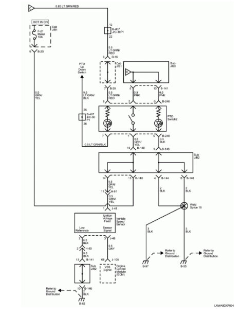
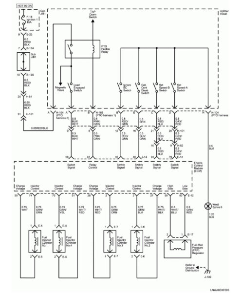
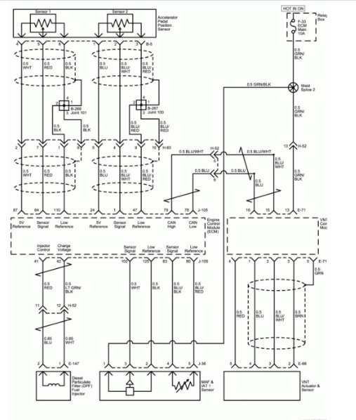
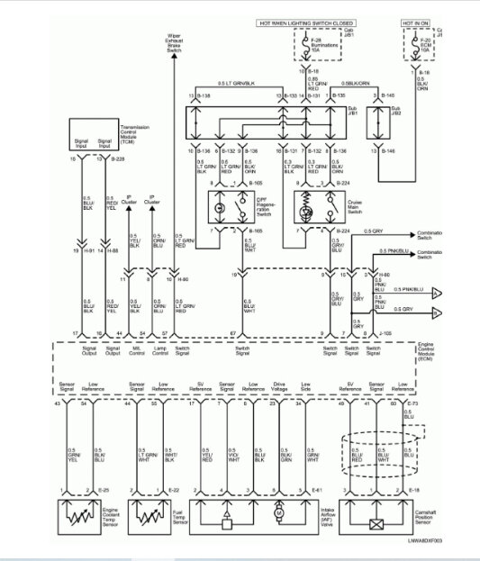
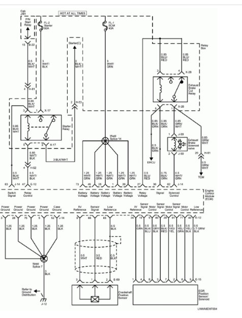
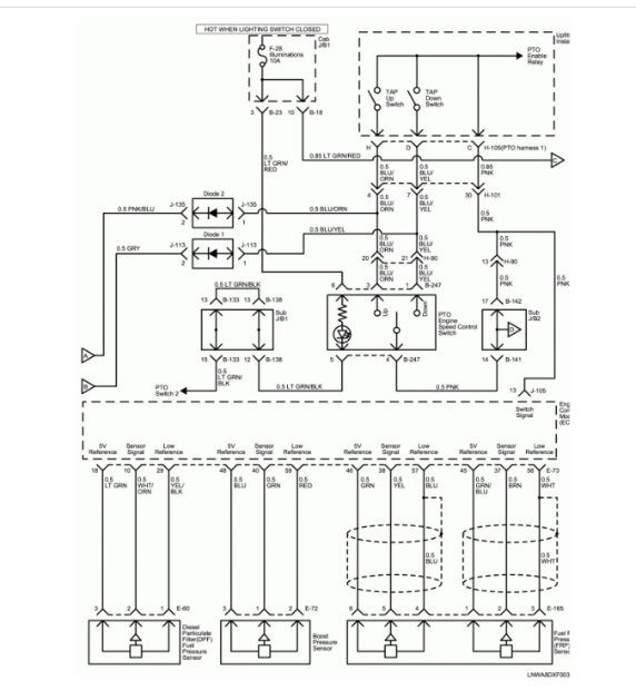
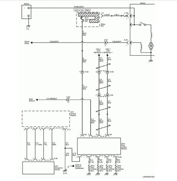
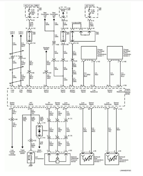
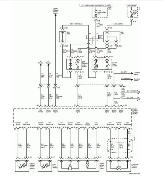
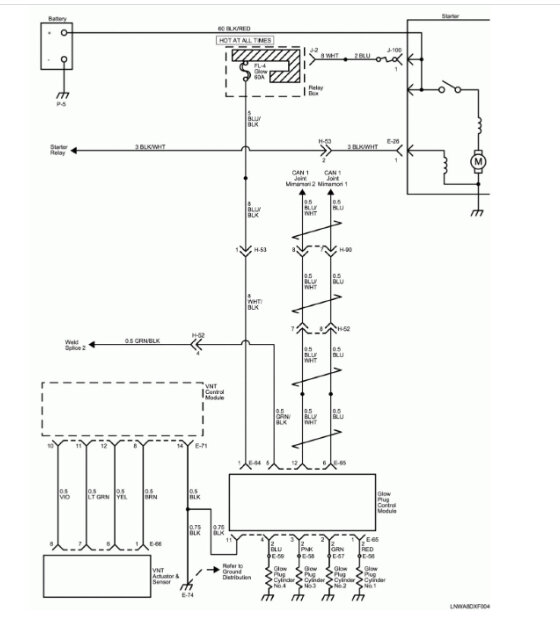
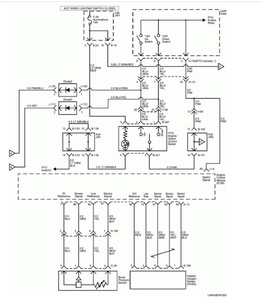
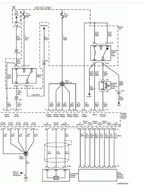
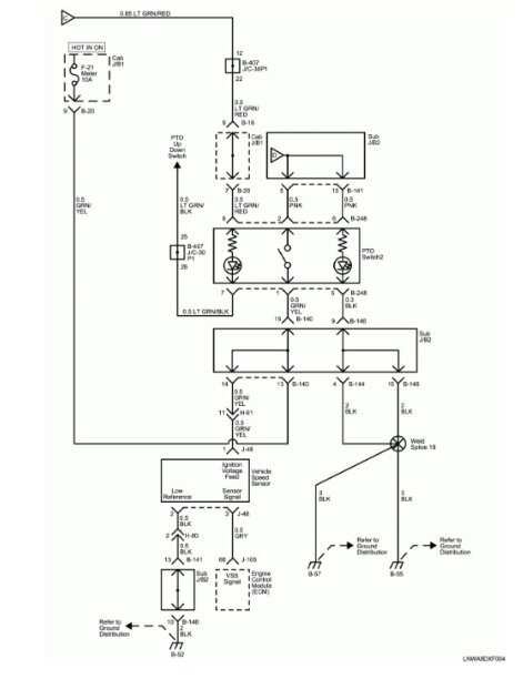
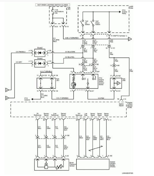
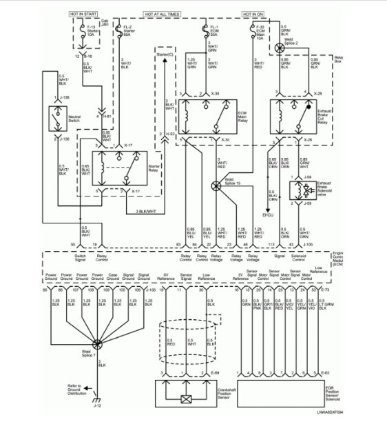
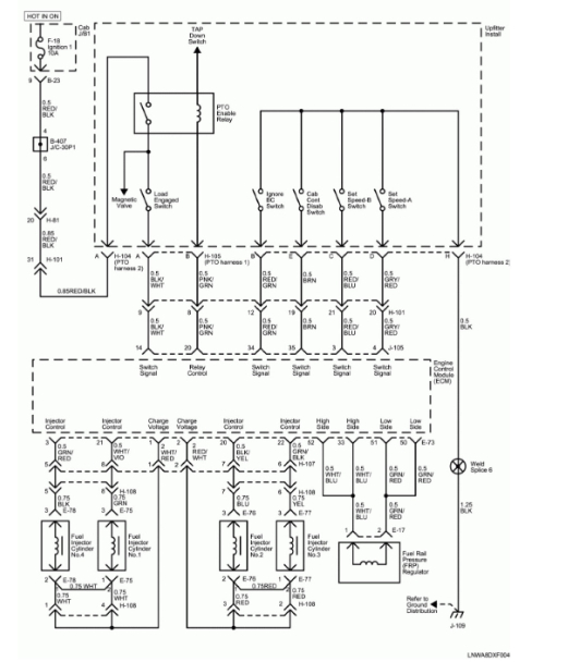
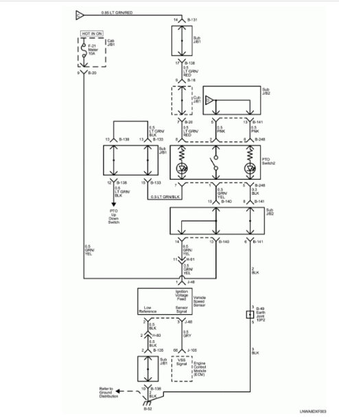
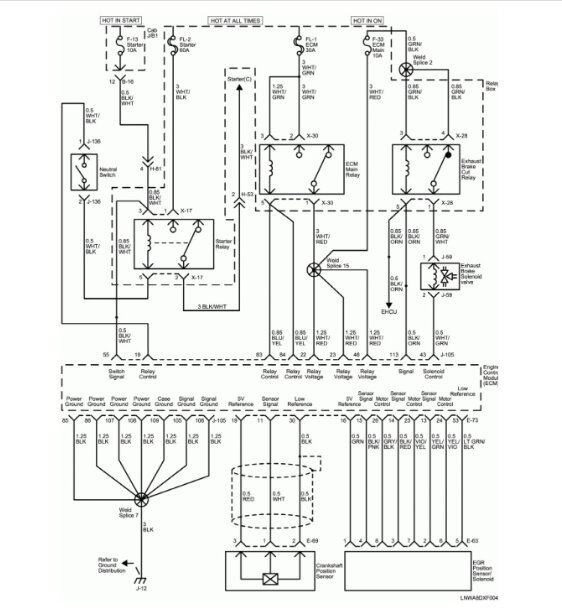
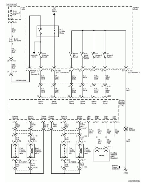
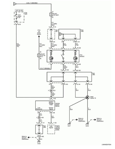
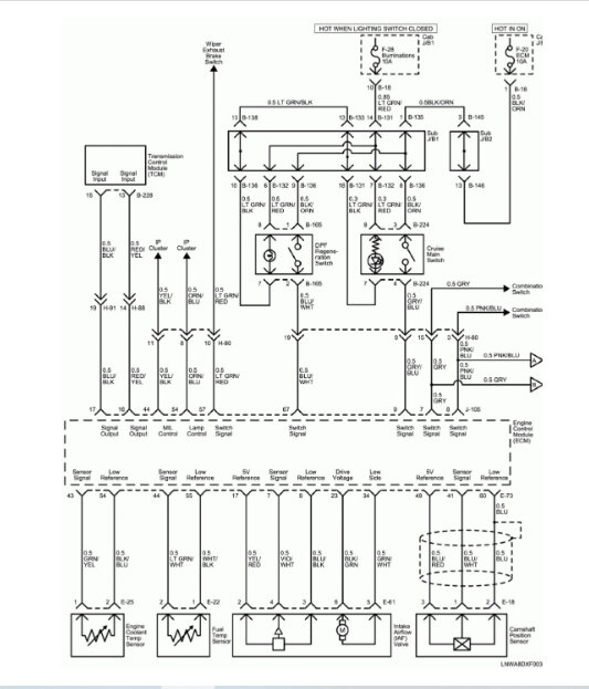
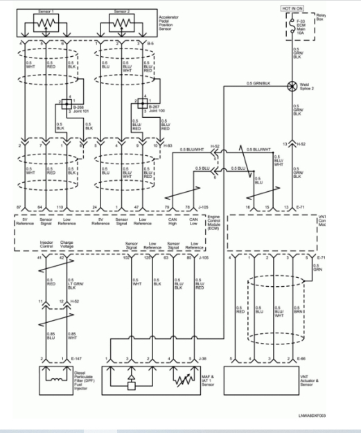
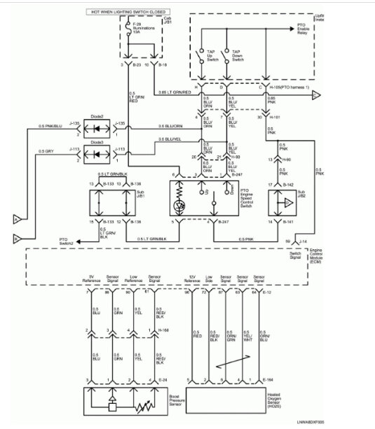
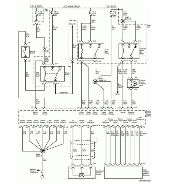
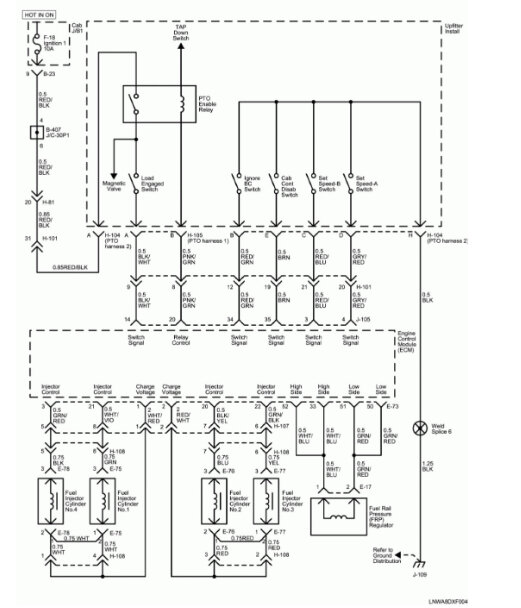
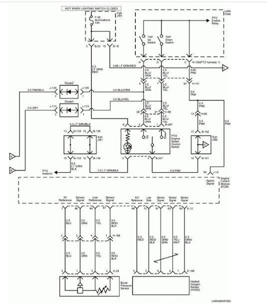
I attached what I have based on VIN. Take a look and let me know if they help.

As far as your second question is concerned, I'm not familiar with the vehicle. The only way I'm getting info is with your VIN.

Let me know.

Joe

See pics below.
Was this
answer
helpful?
Yes
No
Wednesday, December 6th, 2023 AT 7:45 PM
Tiny
PROSPER DAVIDSON
  • MEMBER
  • 16 POSTS
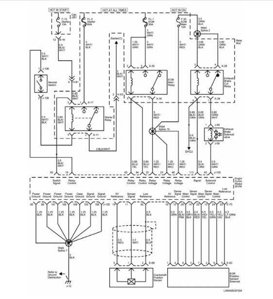
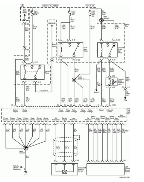
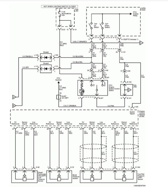
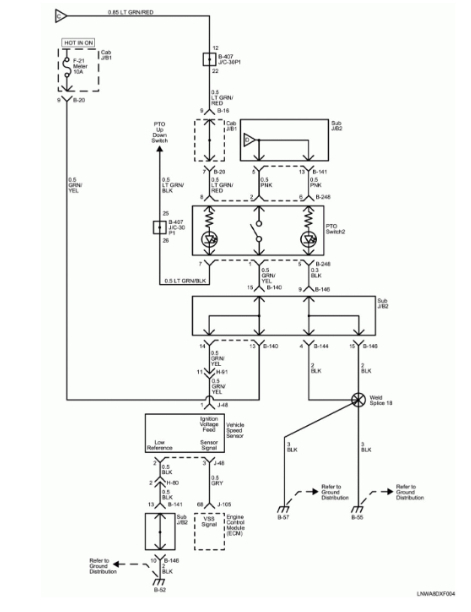
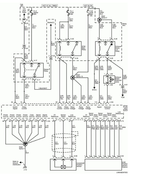
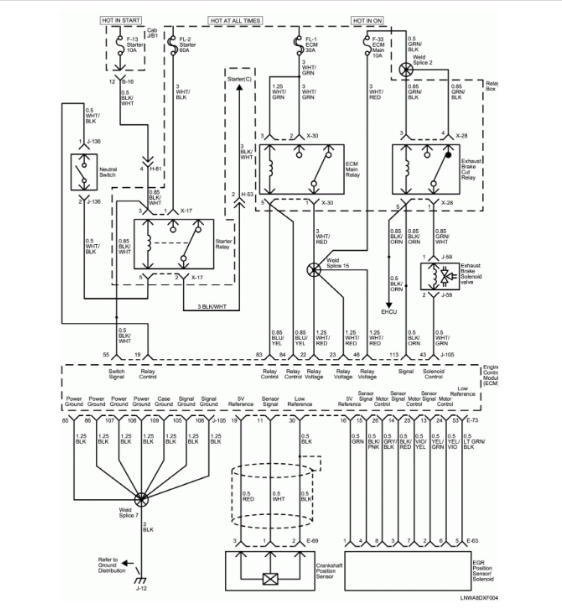
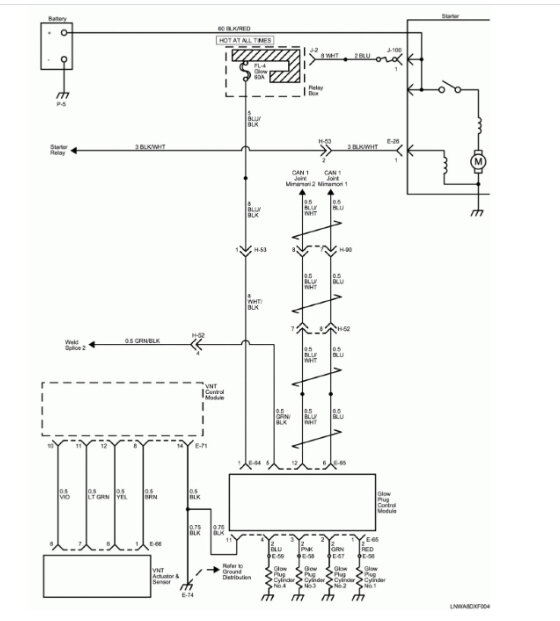
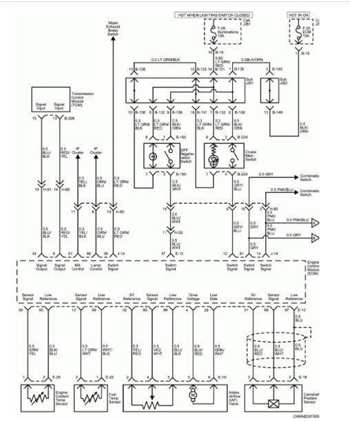
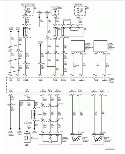
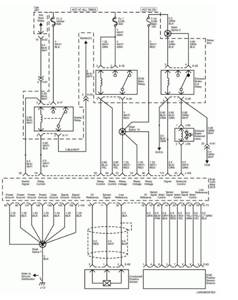
Yes, the diagram seems helpful, but looks like a 121 ECU pin and not a 96 ECU pin like the pin-out you sent earlier. Pictures appear to be blurry, I can't see those ECU pin numbers clearly, can you confirm and resend?
Thanks for your help.
Was this
answer
helpful?
Yes
No
Thursday, December 7th, 2023 AT 12:29 PM
Tiny
JACOBANDNICKOLAS
  • MECHANIC
  • 110,192 POSTS
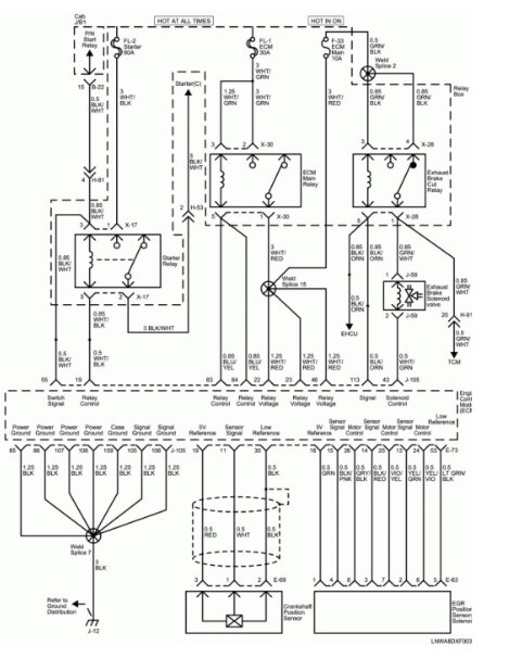
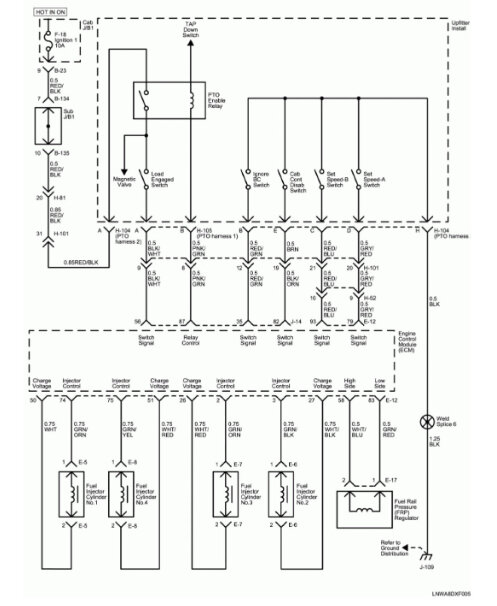
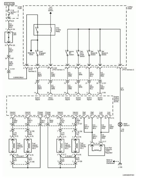
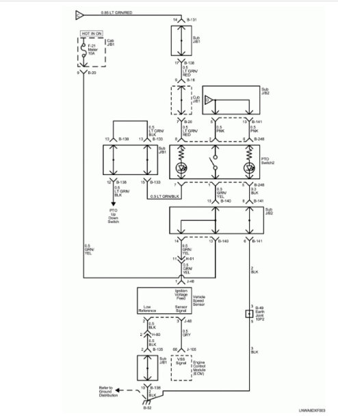
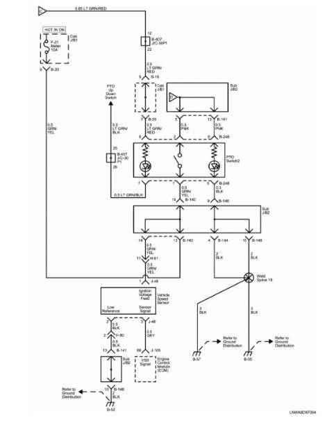
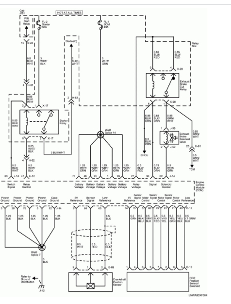
Hi,

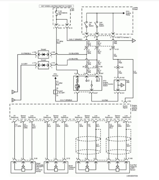
Unfortunately, the schematics are factory, and they aren't that clear. That is what came up with the VIN. I hope it is correct and helpful.

Let me know.

Joe
Was this
answer
helpful?
Yes
No
Thursday, December 7th, 2023 AT 8:26 PM
Tiny
PROSPER DAVIDSON
  • MEMBER
  • 16 POSTS
The schematics don't match in any way you can confirm this yourself. But if that's all you have, it's fine thanks for your time and effort.
Was this
answer
helpful?
Yes
No
Friday, December 8th, 2023 AT 10:41 AM
Tiny
JACOBANDNICKOLAS
  • MECHANIC
  • 110,192 POSTS
Hi,

I'm really sorry about that. I hope you get what is needed.

Take care of yourself,

Joe
Was this
answer
helpful?
Yes
No
Friday, December 8th, 2023 AT 9:49 PM

Please login or register to post a reply.