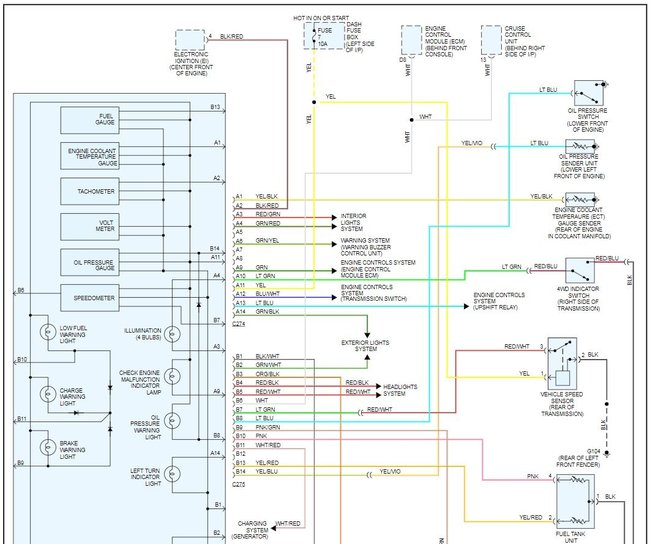
Saturday, November 10th, 2007 AT 11:02 PM
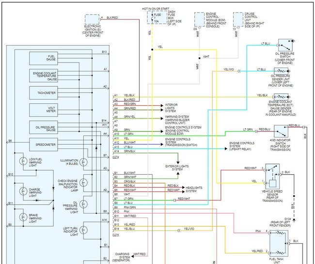
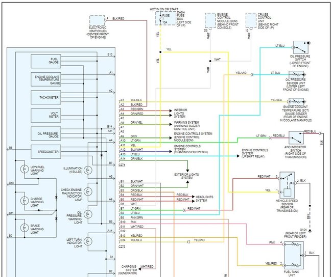
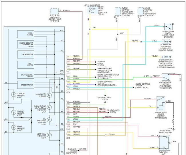
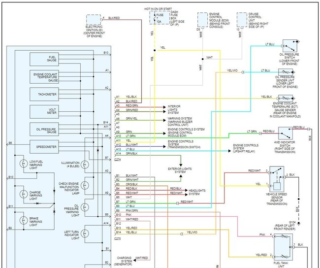
I have a 94 Isuzu xls V6, the speedometer went down to zero, then later on it went back up. Why is this happening? Can a speedometer be fixed. I was told it could not be fixed. Thank you for your help.




