Friday, February 20th, 2009 AT 6:12 PM
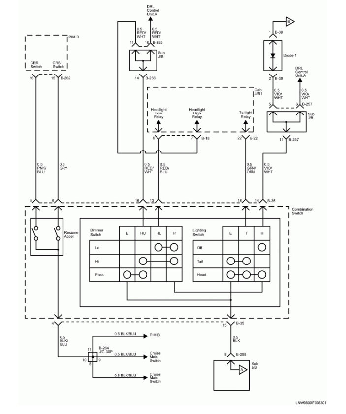
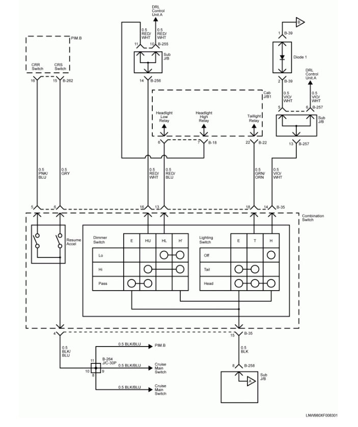
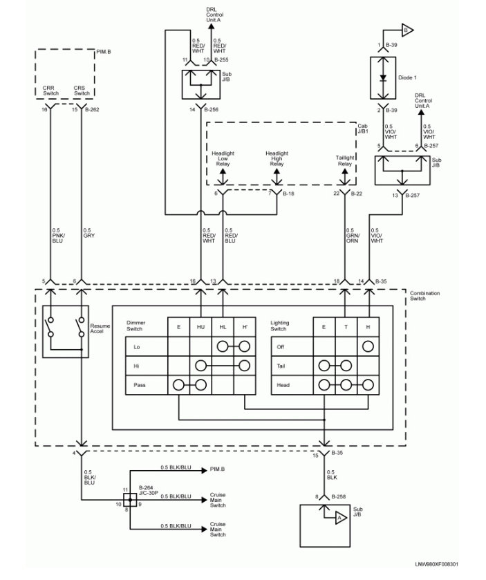
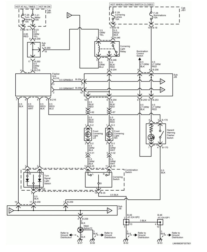
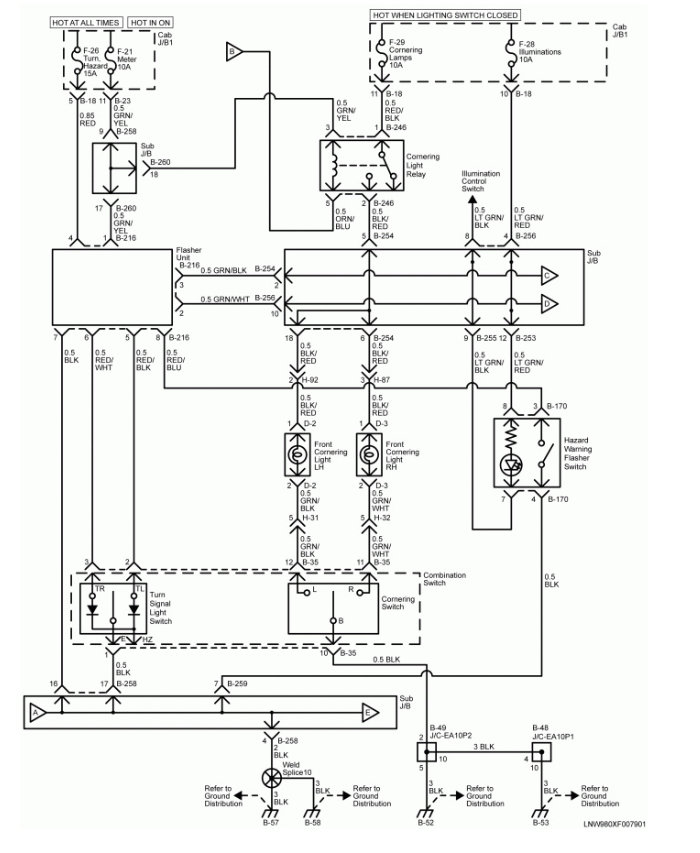
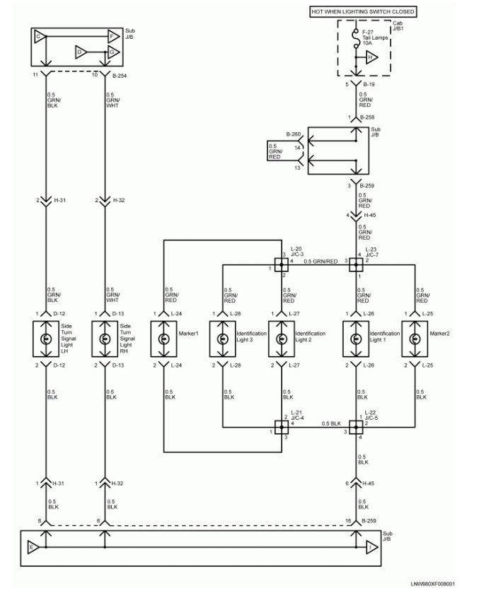
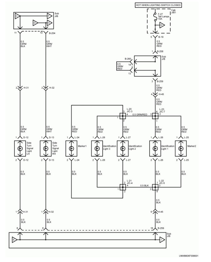
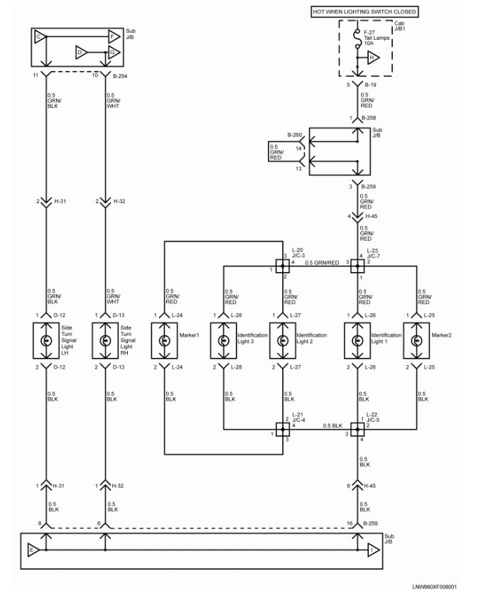
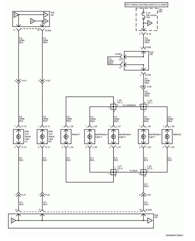
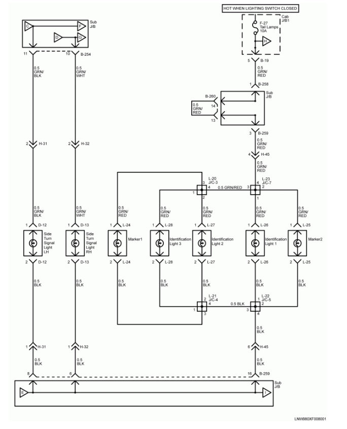
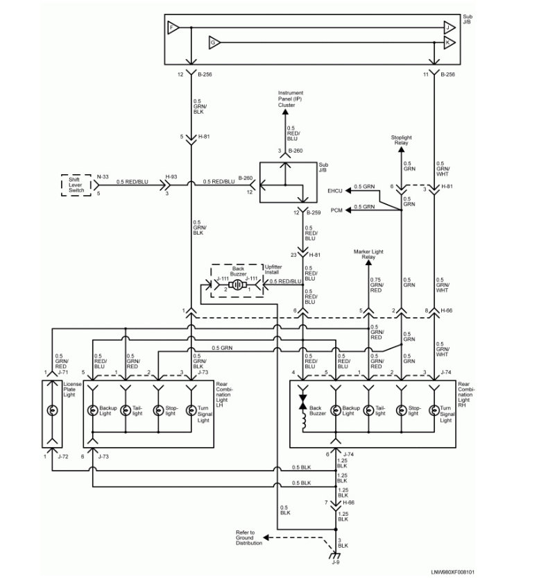
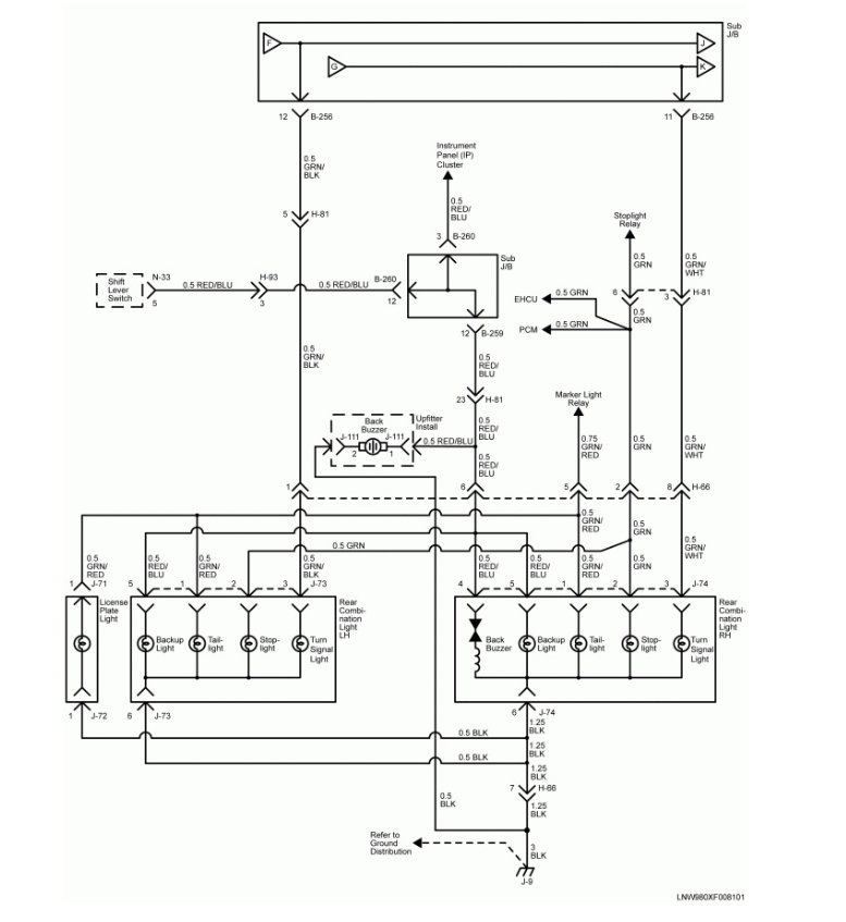
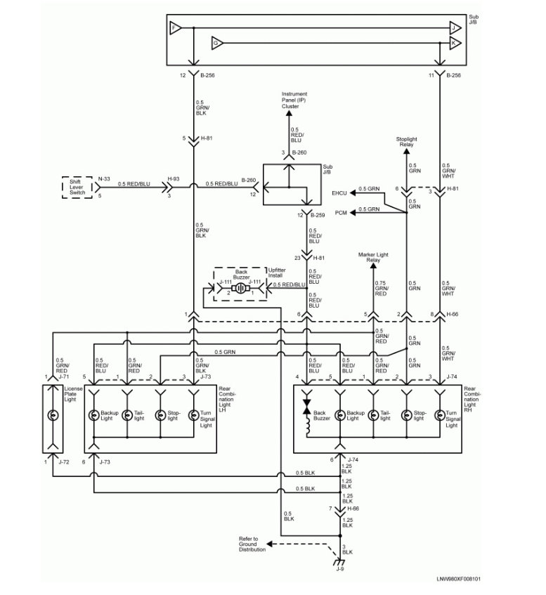
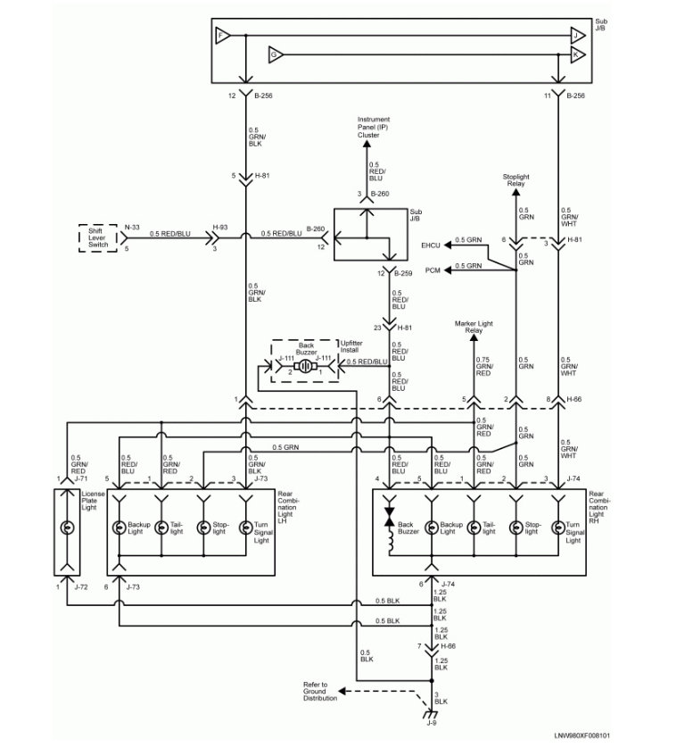
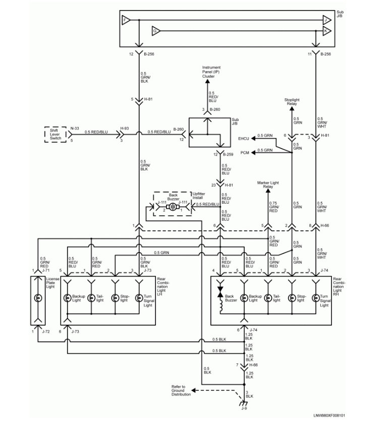
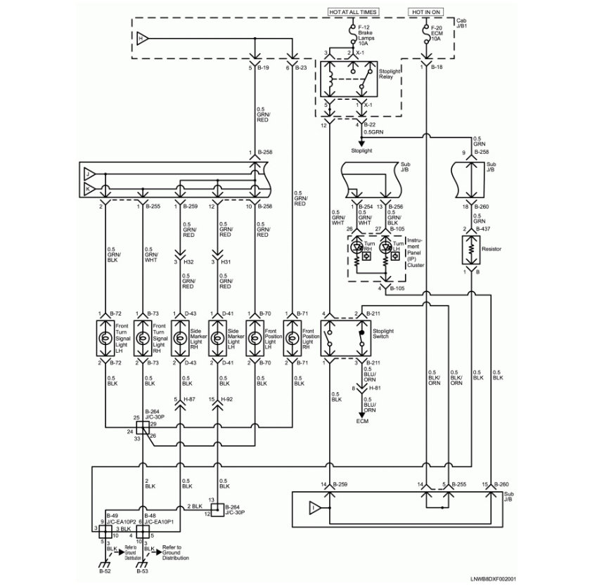
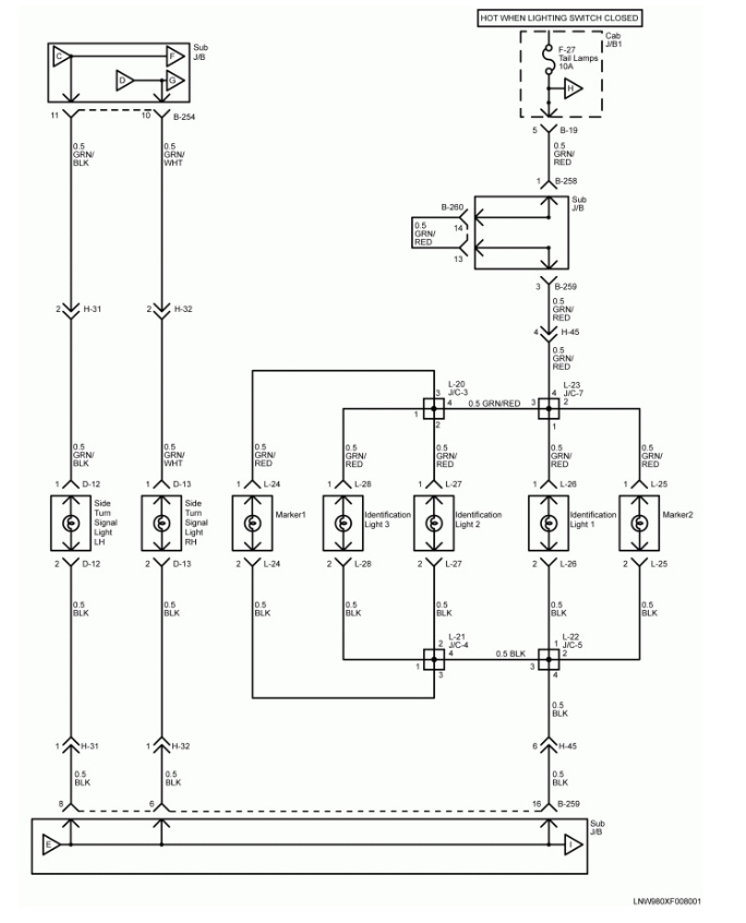
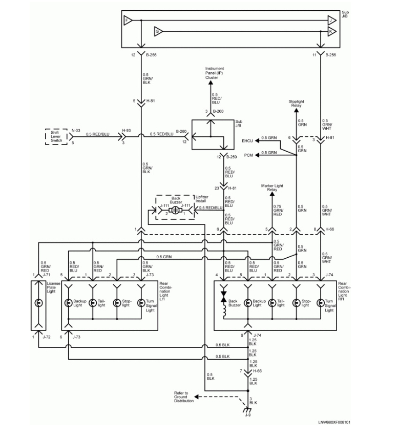
Rt. Turn signal causes flasher to click fast, non of the lights illuminate, (dash, front, back) left side and hazards work properly. Tried new flasher & bulbs








