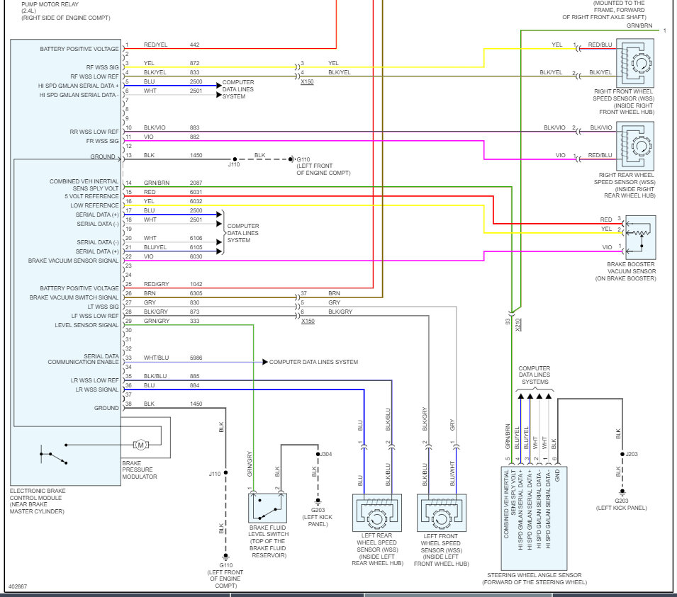
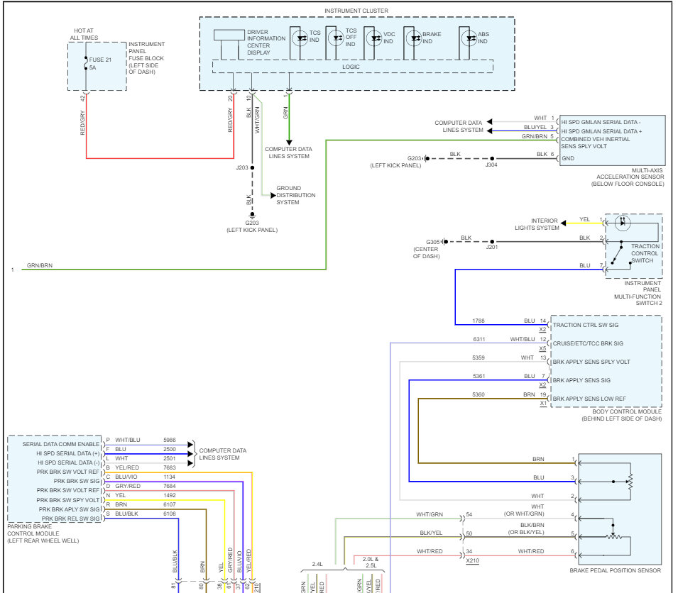
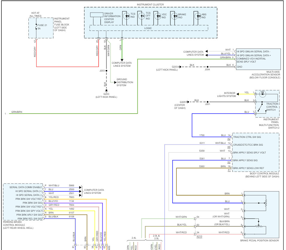
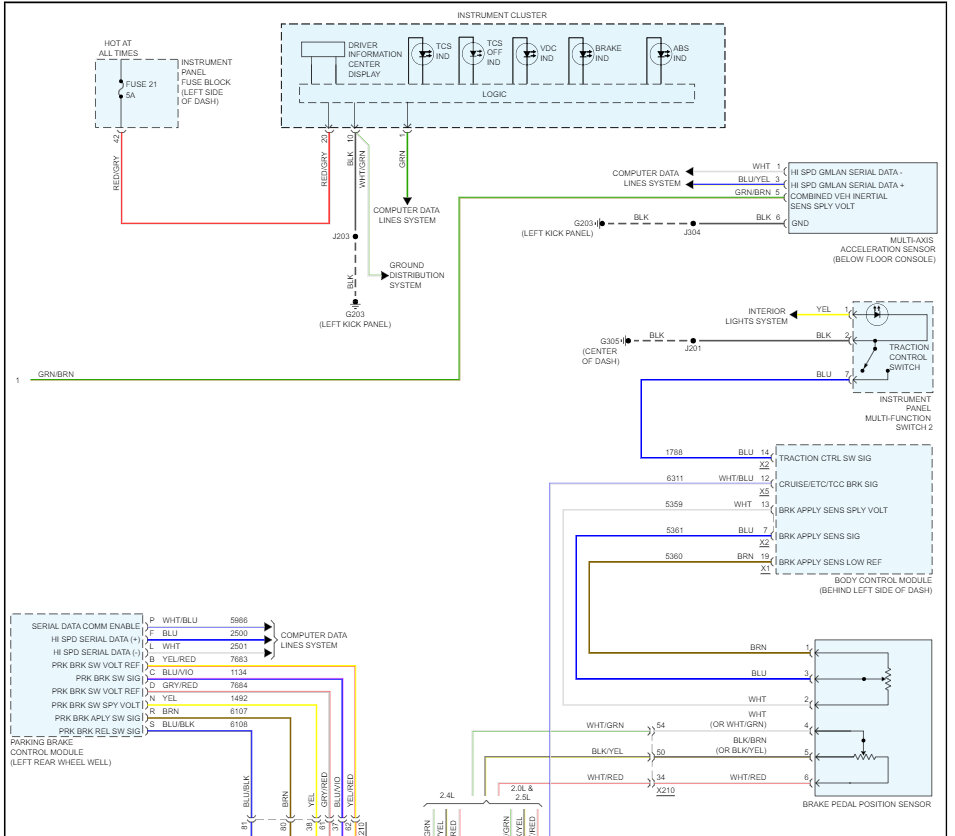
Tech II shows codes C0710 (steering position signal), and U2143 (lost communication with steering angle sensor) in the Electronic brake control module. There are no codes showing in the Power steering control module.
I have replaced the Steering position sensor, and the ECBM which I programmed with GM SPS2. Calibrated steering sensor and torque sensor, Same codes returned immediately. The signals, both 1 and 2, show around 2.5V at the steering module. 5V ref is good, ground is good.
Live Data in Tech II shows steering position correctly when turning wheel (500* to -500*), and both signals show between.1 and 5v when turning wheel, which leads me to believe the signal coming from the steering module is good.
When I go into the EBCM however, signal 1 shows 2.5v and doesn't update, and signal 2 shows 0v and doesn't update. So, I believe the EBCM is not getting a good signal.
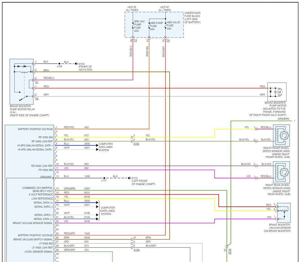
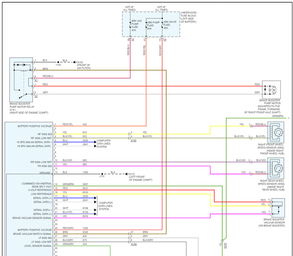
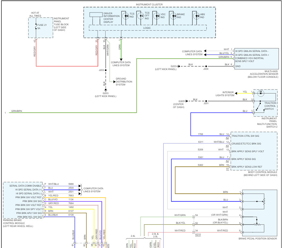
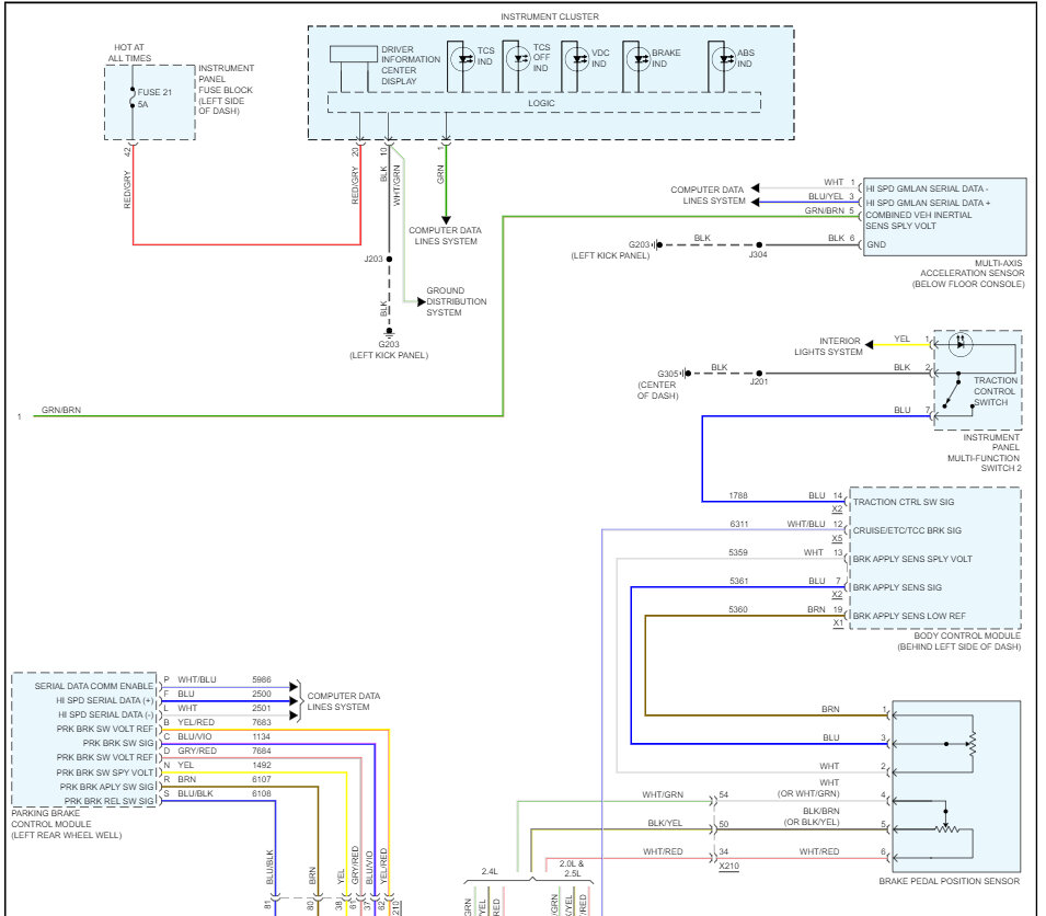
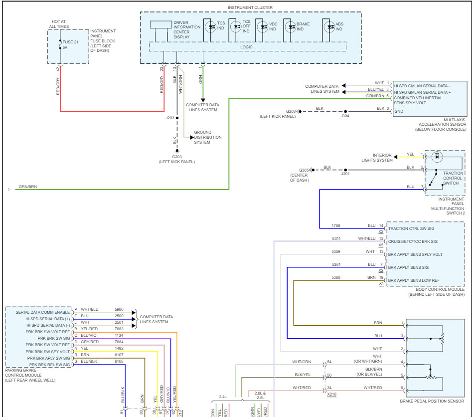
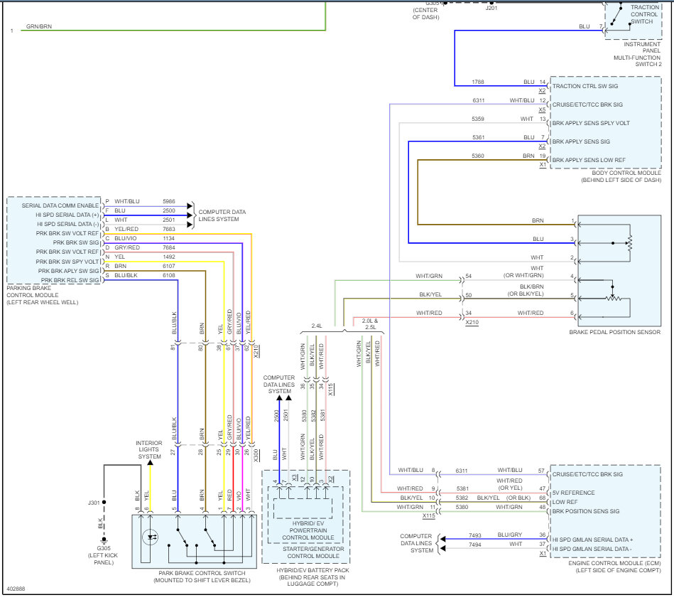
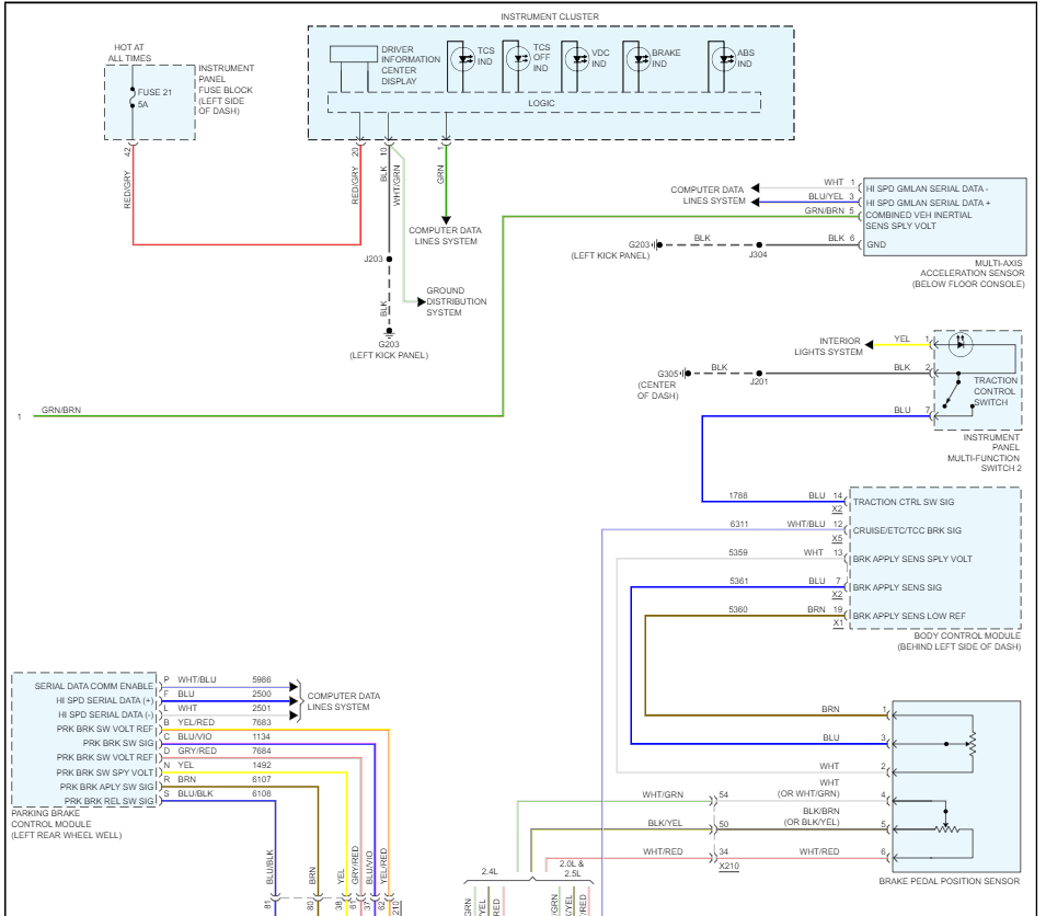
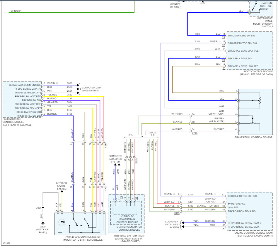
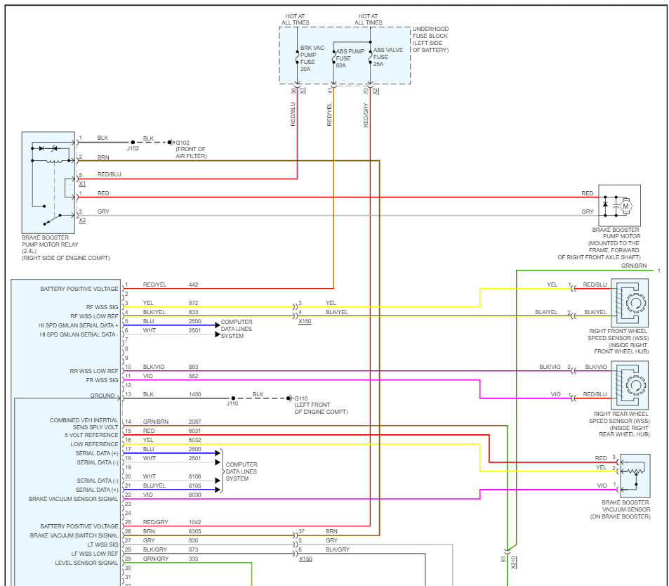
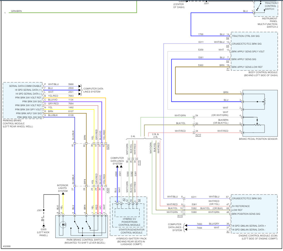
The ALLDATA diagram for this vehicle shows 4 wires going to the EBCM that simply don't exist on my car. The 5v ref, signal A/B and low ref are not present on my EBCM harness. I also checked my Mitchell manual, and the diagram is incorrect as well. This makes me unable to test the circuit any further.
I have attached diagrams detailing the missing terminals. From what I understand, the PSCM gets signal from the sensor and turns it into serial data to send the ECBM. For whatever reason the ECBM is not getting the signal which is good at the steering module. I am simply stumped and am nearly to the point of bringing it in to the dealer, which I would rather not do.
If anyone has access to the correct diagram, I would be truly grateful for it. Any advice is appreciated. Thank you!
Saturday, August 19th, 2023 AT 8:09 AM





