A guide for replacing the head including torque specs needed?

Tiny
REDBODIE
  • MEMBER
  • 2001 HONDA CIVIC
  • 1.6L
  • 4 CYL
  • 2WD
  • AUTOMATIC
  • 200,000 MILES
I need a free workshop manual for my car listed above lx. Or a guide for replacing the head. Torque specs etc.
Wednesday, October 11th, 2023 AT 2:19 PM

1 Reply

Tiny
JACOBANDNICKOLAS
  • MECHANIC
  • 110,194 POSTS
Hi,

This is somewhat of a big job. LOL Also, please confirm this is a 1.7L engine. You indicated it as a 1.6L, and there is nothing like that for this model year.

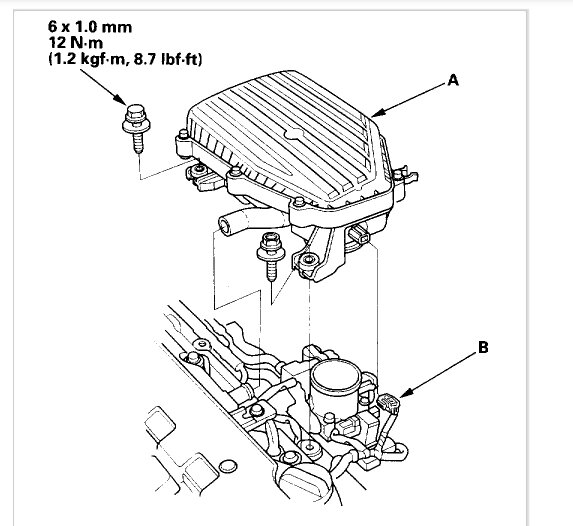
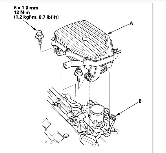
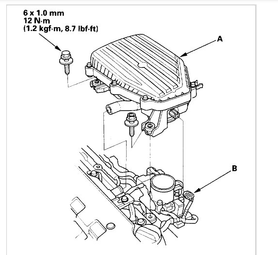
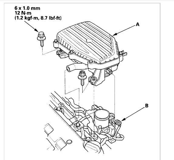
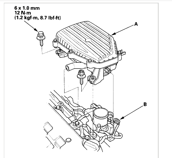
Regardless, if you look below, I attached the removal and installation directions for the cylinder head. When you do this, make sure the timing belt is set properly. This is an interference engine. If the timing is off, it can cause internal damage.

The directions include the torque specs as well. If you need help with the timing belt, let me know.

Take care and let me know if this helps.

Joe

See pics below.
Was this
answer
helpful?
Yes
No
Wednesday, October 11th, 2023 AT 8:42 PM

Please login or register to post a reply.