Is there an alternator fuse for this vehicle and if so where is it?

Tiny
RBERGER
  • MEMBER
  • 1998 CADILLAC DEVILLE
  • 4.6L
  • V8
  • 2WD
  • AUTOMATIC
  • 88,000 MILES
Testing at AutoZone indicates alternator is going bad. I have the red battery not charging warning on the dash. Before replacing the alternator, which is a giant pain, I want to make sure there is not a blown fuse. Belts and connection to battery look good
Tuesday, November 23rd, 2021 AT 2:02 PM

1 Reply

Tiny
STEVE W.
  • MECHANIC
  • 15,707 POSTS
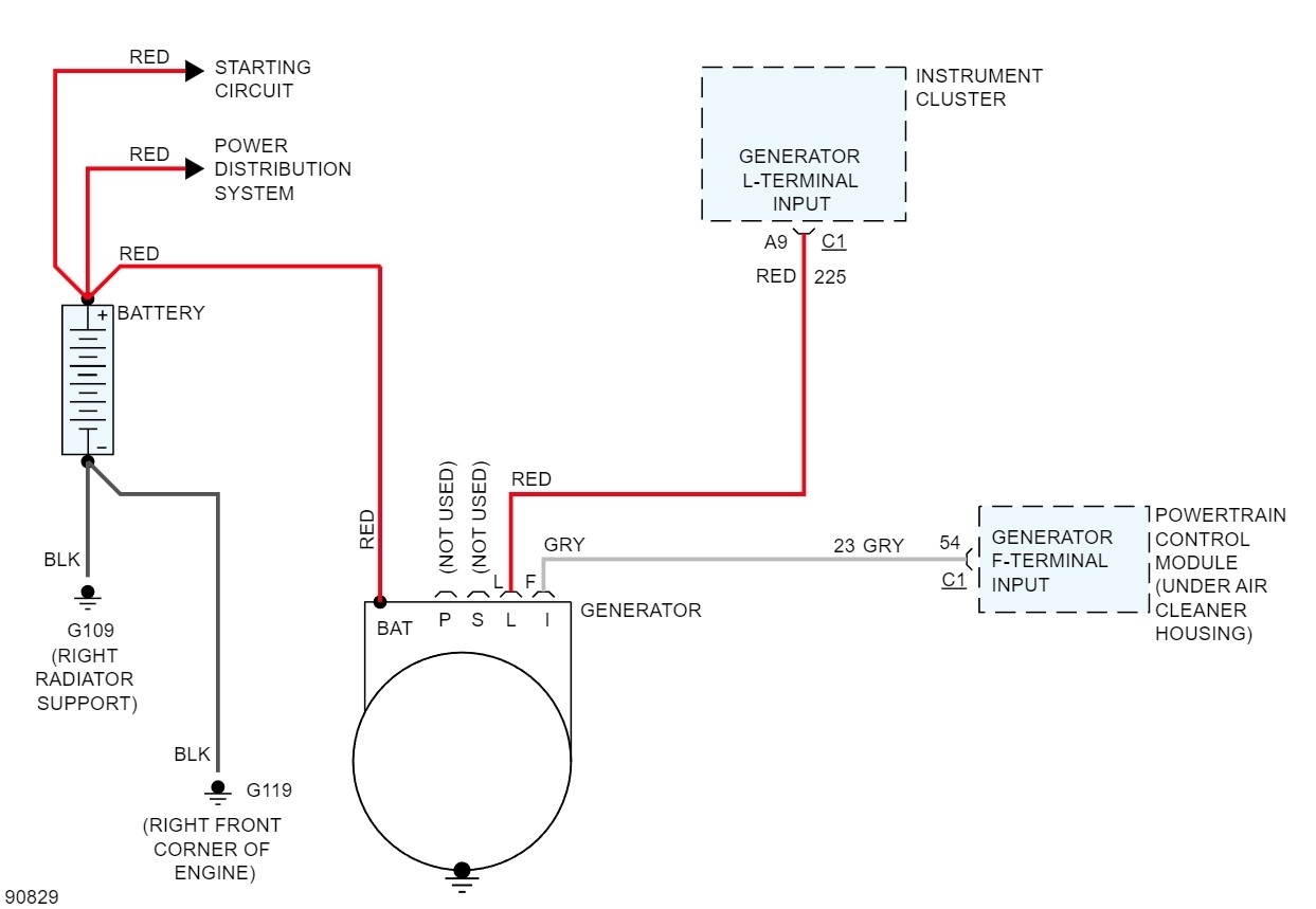
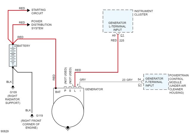
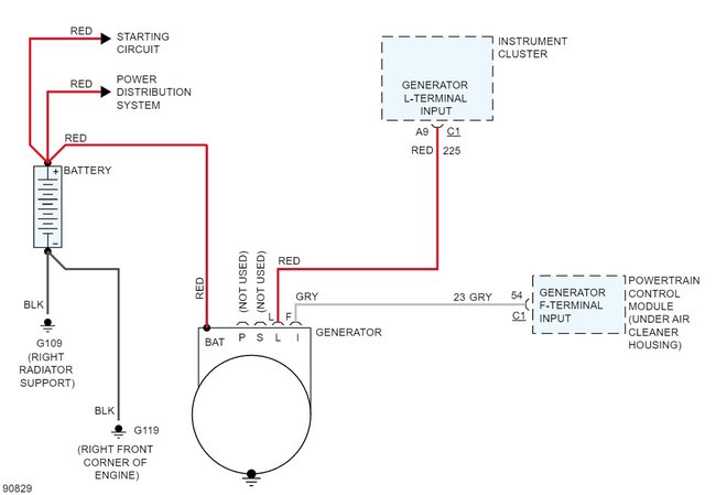
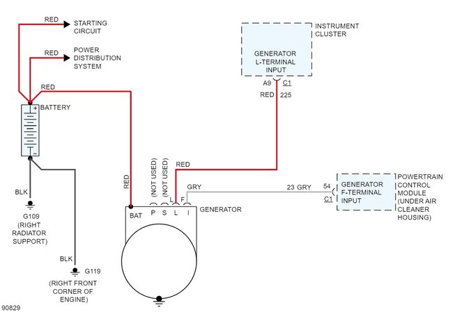
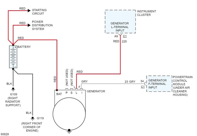
No fuse in that system, just the alternator connected to the battery and the PCM controlling the field circuit. The alternators in those years like to fail, but if you wanted to test if it's the alternator for sure a simple test is to full field it. However, I suspect that the test you had done is correct. If you want to test it further unplug the 4-pin connector from the alternator. Now use a test light connected to ground and verify that there is battery voltage at the battery terminal on the alternator. Now connect the test light to battery positive and with the engine running touch the F terminal in the connector very briefly, if the alternator is working it will go to full output and almost stall the engine. If that works but the dash light is still on, then it could be a bad wire between the alternator and the dash. Another simple test is to use a voltmeter, connect it across the battery, measure that voltage, then start the engine, you should see the voltage across the battery rise up to around 14 volts if it's charging.
Was this
answer
helpful?
Yes
No
+1
Tuesday, November 23rd, 2021 AT 8:07 PM

Please login or register to post a reply.