Is there a wiring diagram for the headlights. From the fuse box would be preferable.

Tiny
CAPTAINLP
  • MEMBER
  • 2020 CHEVROLET BLAZER
  • 2.5L
  • 4 CYL
  • 2WD
  • AUTOMATIC
  • 110,000 MILES
Right headlight is out. Good bulb and good fuses. Trying to track down where I'm losing power.
Friday, August 29th, 2025 AT 11:03 AM

2 Replies

Tiny
KEN L
  • MASTER CERTIFIED MECHANIC
  • 55,281 POSTS
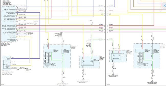
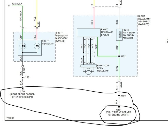
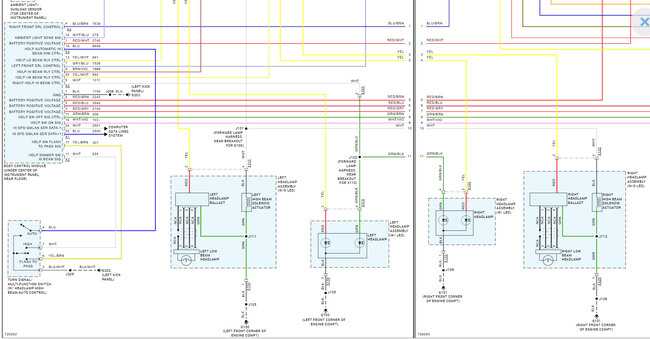
The right headlight is run by the BCM which turns on a relay, I would check the ground of the headlight as well. Here is the wiring diagrams as requested. It shows the control relay at the fuse panel under the hood. Check out the images (below). Please let us know what happens.
Was this
answer
helpful?
Yes
No
Friday, August 29th, 2025 AT 5:32 PM
Tiny
STEVE W.
  • MECHANIC
  • 15,671 POSTS
Is the entire headlight out? Low and High both? If yes it likely is a bad ground out near the light itself. That would be ground 101 out on the right side frame rail. That is because the power comes from two sources that are not linked.
Was this
answer
helpful?
Yes
No
Friday, August 29th, 2025 AT 5:33 PM

Please login or register to post a reply.