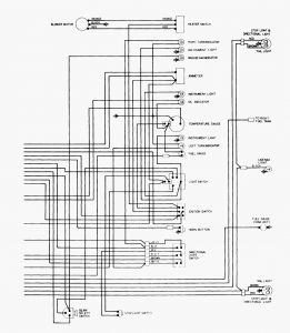
Thursday, October 15th, 2009 AT 12:58 PM
I need to know if you have access to a wiring harness illustration for the headlamp switch/this vehicle does have the dimmer switch in the floor



