Sunday, August 27th, 2023 AT 9:53 AM
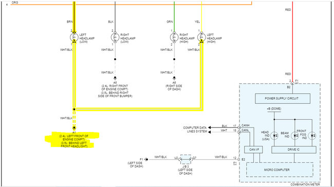
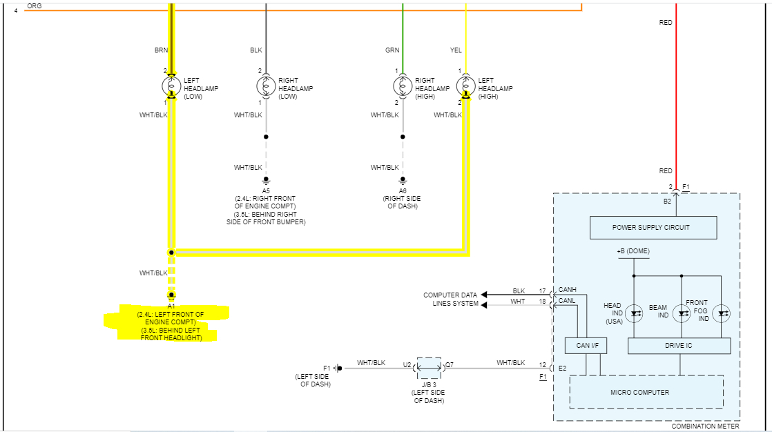
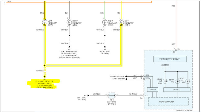
I'm having intermittent turn signal issues on my car listed above. When I start the car or when I turn on my headlights, the left turn signal arrow on the dash and the left turn signal lights outside come on. Sometimes it's a solid light and sometimes it flickers. I've checked the fuse, the bulbs and their connectors, the switch and the flasher relay. Nothing I've checked or replaced has made any sort of difference.





