Intermittent rough idle, no acceleration and code 301

Tiny
JIMMYPAGE
  • MEMBER
  • 2002 OLDSMOBILE BRAVADA
  • 4.2L
  • 6 CYL
  • 4WD
  • AUTOMATIC
  • 172,000 MILES
I’ve only owned the vehicle 2,000 miles. I am current experiencing intermittent rough idle, very little acceleration power and a code of 301.

After it sits overnight, it runs fine. I’ll get about 20 miles of stop and go driving. Then all of a sudden I will get a very rough idle (usually at a stop sign) then very little acceleration power. The Service Engine light will blink and some times stays on and other times goes out. Then all of a sudden the idle returns to normal and I can accelerate as normal. 1 block later all the bad stuff returns. When the light stays on, I read the code of 301 Cylinder misfire. There is no code when it blinks and then goes away.

I’ve replaced the accelerator pedal and sensor with no luck.

One question I have is if one cylinder goes out, will I have that drastic of power reduction? Can’t it run kind of normal on 5 cylinders?

What are other reasons for the problems?
Monday, December 14th, 2020 AT 5:14 PM

3 Replies

Tiny
JACOBANDNICKOLAS
  • MECHANIC
  • 110,192 POSTS
Hi,

If you lose the use of one of the cylinders, it will make a difference in power. Also, when the light is blinking, that is indicating a misfire is occurring.

As far as possible caused, it is like a coil pack, spark plug, or a fuel injector issue.

Here is what I want you to do. Each cylinder has its own coil pack. We are going to switch cylinder 1 coil with cylinder 2. Then you drive it. If the light comes back on and stays in cylinder 1, then it is either a spark plug or injector issue. If the miss goes to cylinder 2 (p0302), then we know it's the coil pack.

Here are the directions for removal and replacement of the coil packs. The attached pics correlate with these directions.

______________________

2002 Oldsmobile Truck Bravada 4WD L6-4.2L VIN S
Procedures
Vehicle Powertrain Management Ignition System Ignition Coil Service and Repair Procedures
PROCEDURES
REMOVAL PROCEDURE

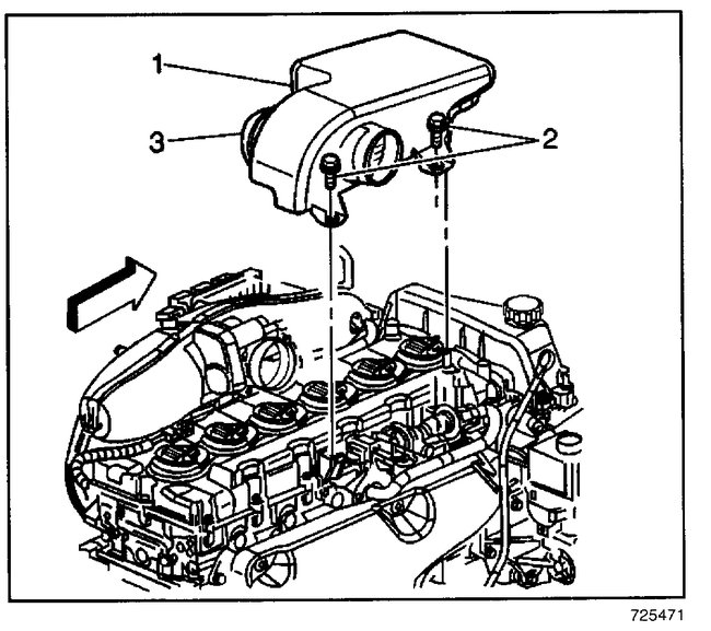
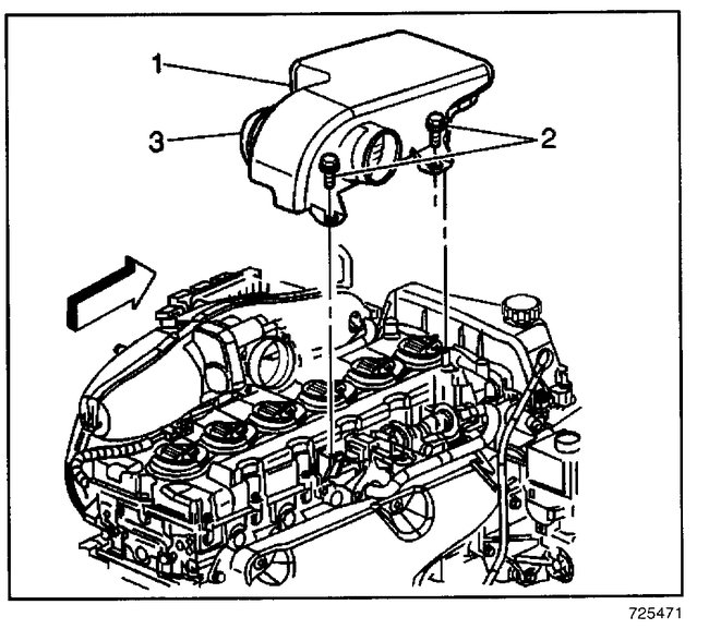
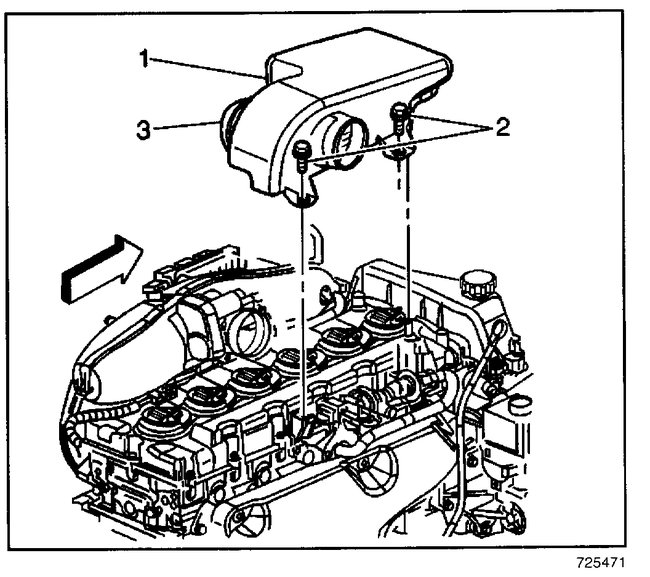
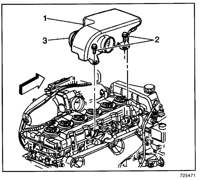
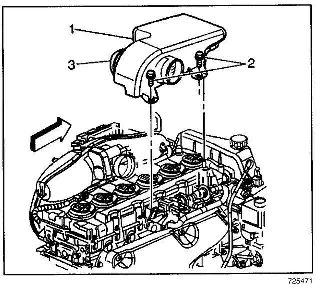
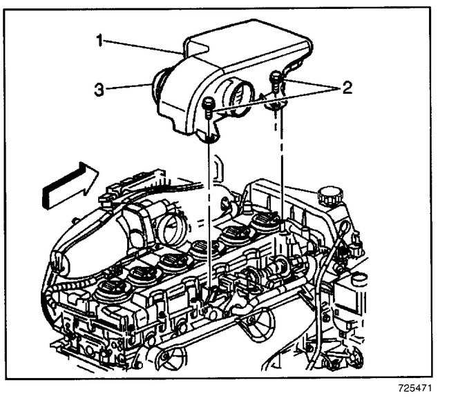
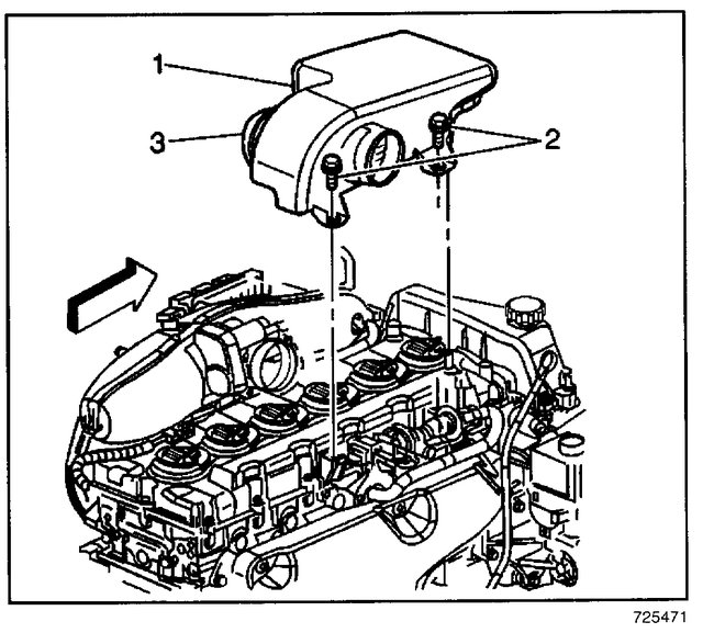
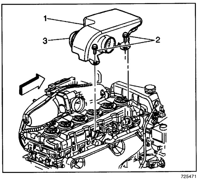
pic 1

1. Remove the bolts (2) holding the resonator to the engine.
2. Loosen the clamp (3) on the resonator.
3. Remove the resonator.

Pic 2

4. Disconnect the ignition coil connectors (1) from the ignition coils.
5. Remove the retaining bolts (2) from the ignition coils.

Pic 3

6. Remove the ignition coils (1) from the engine.

INSTALLATION PROCEDURE

IMPORTANT: Make sure that the ignition coil seals are properly seated to the valve cover.

Pic 4

1. Install the ignition coil (1).

NOTE: Refer to Fastener Notice in Service Precautions.

Pic 5

2. Install the ignition coil retaining bolts (2).

Tighten
Tighten the ignition coil retaining bolts to 10 N.M (89 lb in).

3. Replace the ignition coil connectors (1).

Pic 6

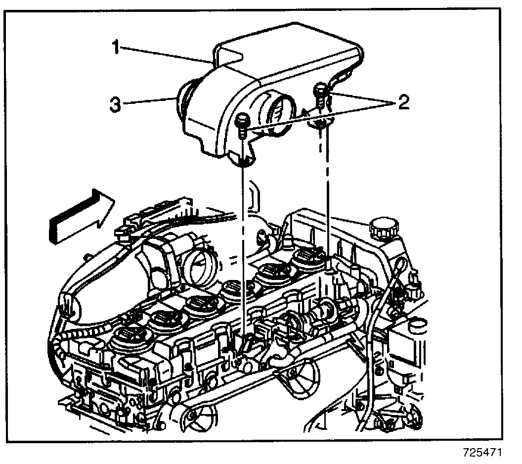
4. Replace the resonator.
5. Install the resonator bolts (2).

Tighten
Tighten the resonator retaining bolts to 10 N.M (89 lb in).

6. Tighten the integral clamp holding the resonator to the engine.

Tighten
Tighten the integral clamp to 4 N.M (35 lb in).

________________________________

If you look at the last picture, it shows cylinder locations. Simply switch the coil pack between cylinders one and two and let's see if the misfire changes cylinders.

Let me know what you find or if you have other questions.

Take care,
Joe
Was this
answer
helpful?
Yes
No
Monday, December 14th, 2020 AT 6:15 PM
Tiny
JENU3280
  • MEMBER
  • 1 POST
Same problem following.
Was this
answer
helpful?
Yes
No
Monday, February 28th, 2022 AT 9:26 AM
Tiny
JACOBANDNICKOLAS
  • MECHANIC
  • 110,192 POSTS
Hi,

Do you mean the misfire didn't change cylinder? Please confirm.

Joe
Was this
answer
helpful?
Yes
No
Monday, February 28th, 2022 AT 5:12 PM

Please login or register to post a reply.