Friday, September 16th, 2022 AT 1:43 PM
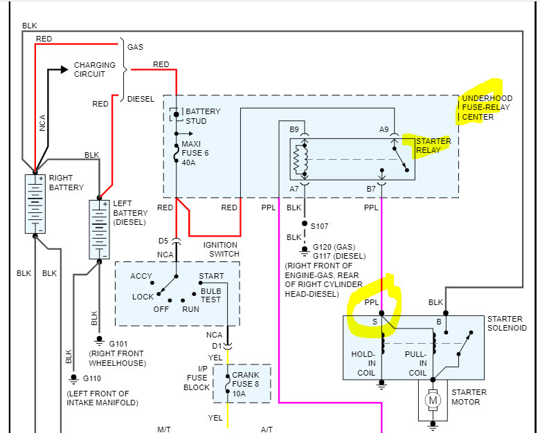
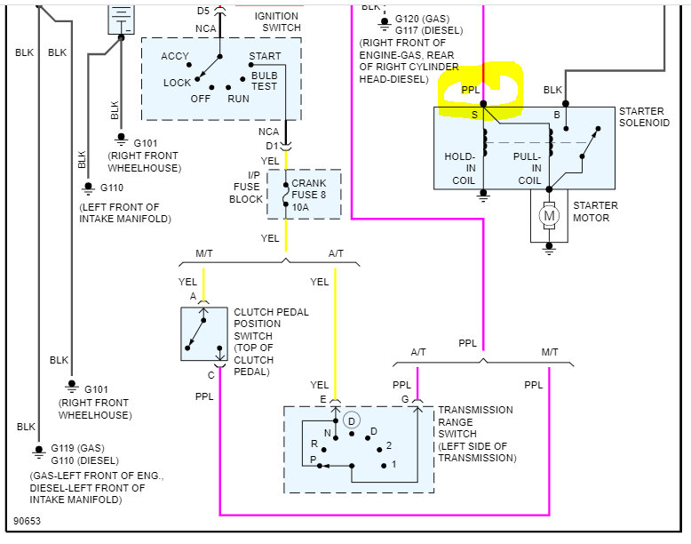
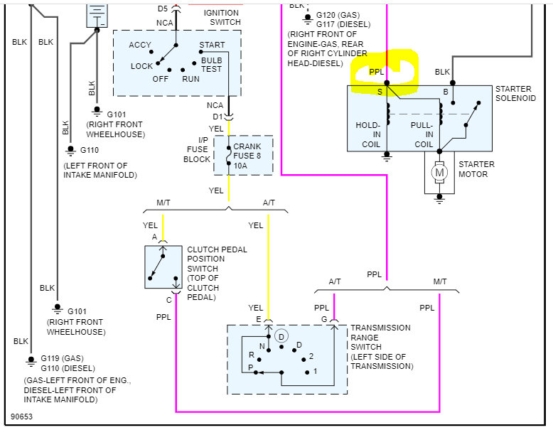
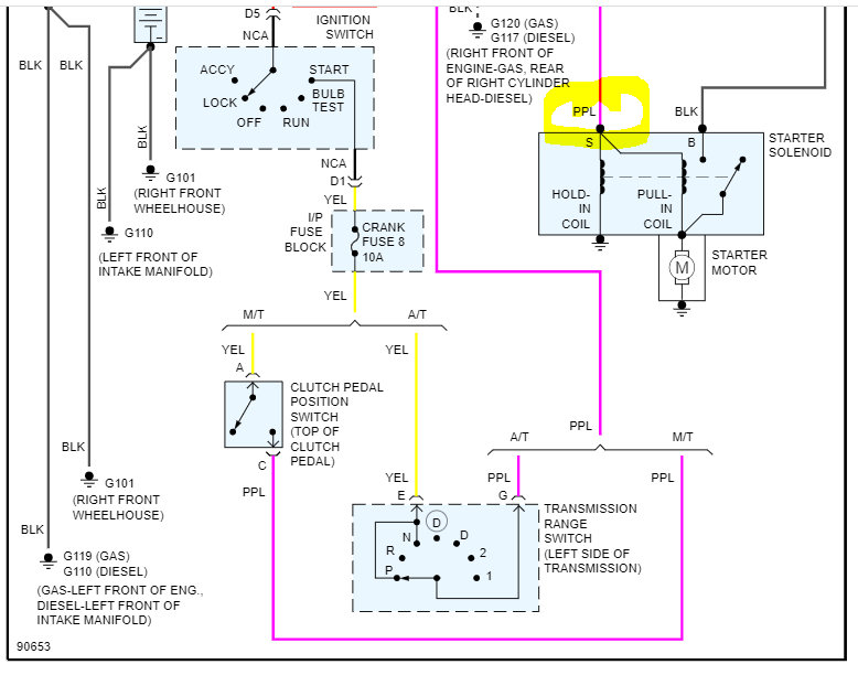
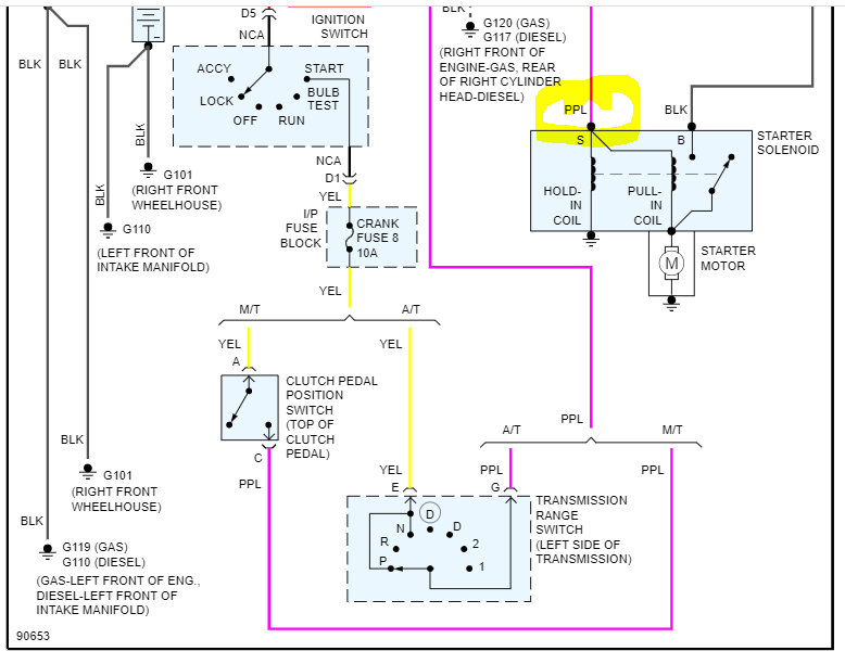
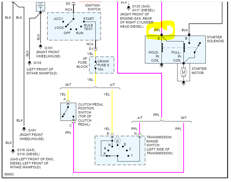
The vehicle will normally start right up fine for about a week or so and then won't start at all. Changed all the battery terminals and the way they are connected. This has been going on for about a month now. All connections are tight and proper. Underneath where the starter is, all is tight and proper. The wires all appear to be good. The starter is about a year old as is the battery. We replaced both at the same time. Any suggestions?



