Saturday, January 27th, 2018 AT 1:33 PM
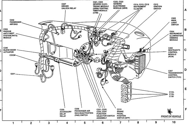
During damp or cold conditions, our truck windows, wipers, door chime, four wheel drive and dome lights will not work. We will hear a "click" on the passenger side to the right of the ashtray. When that click noise is heard, the issues stop. This may last a second or two, but if we are lucky it may last for an hour. Not good when it is raining. That is why we use Rainex wiper fluid.



