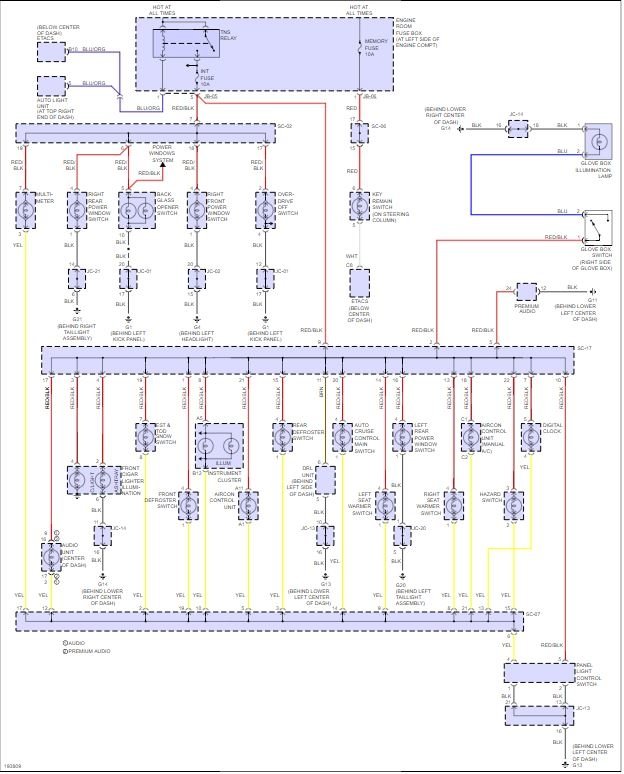
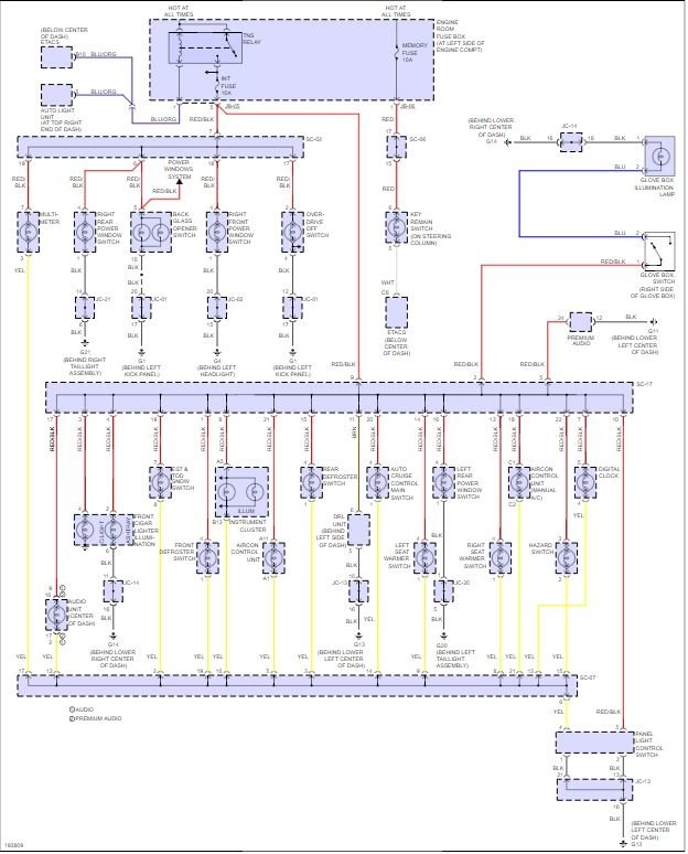
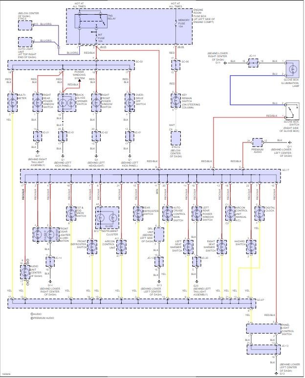
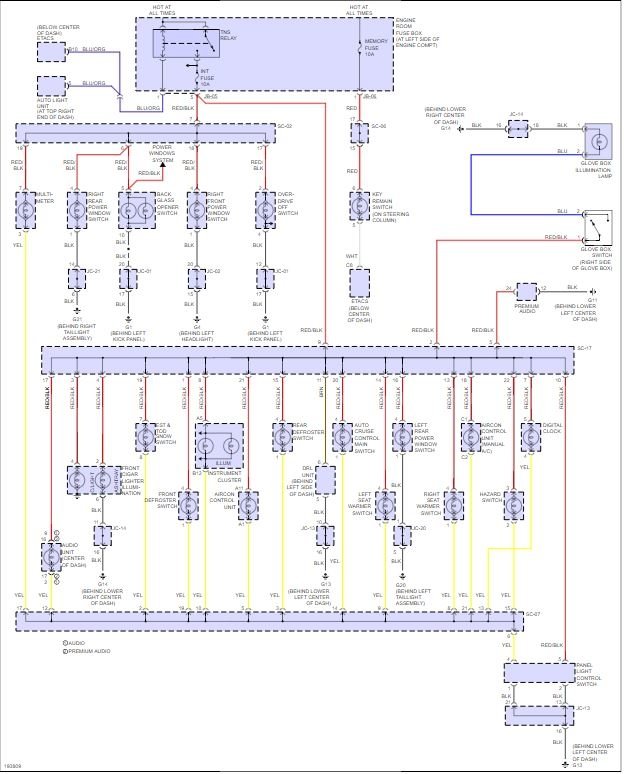
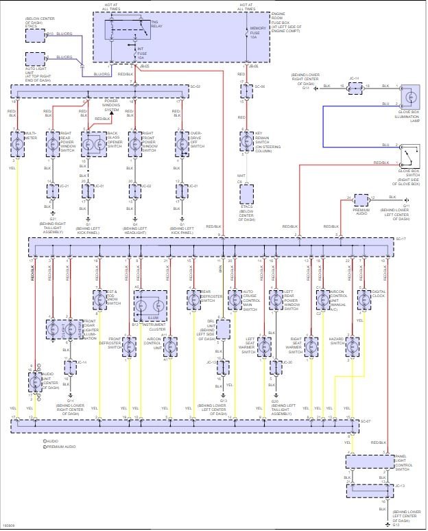
In addition the courtesy light that should come on when the car is started and the roller switch is rolled all the way up, does not work either (unless I touch one of the black wires on back of the switch to the blue wire). But this trick does not work for the dash lights.
All of the connections at the switch are tight.
All fuses under the dash are good.
Is it possible that the new switch is bad or am I missing something else?
Friday, March 2nd, 2018 AT 5:05 PM





