Intermittent code P0607

Tiny
ALPHASENTORY GALAXY
  • MEMBER
  • 2009 PONTIAC VIBE
  • 4 CYL
  • 2WD
  • AUTOMATIC
  • 75,000 MILES
Car starts fine; power good. Long term fuel trim idle is at 1300 on acceleration it drops to 7.0.

short term fuel trim is is 2.3 on gentle acceleration it drops to 1.3 or o.O on deceleration.

The battery is 6 years old.

The battery cables look okay visually.

Before the winter of 2019 throttle body was filthy after cleaning the code disappeared for 8 months. The code came back again this morning and disappeared after driving it.

I had a 4 day weekend did not start the car so battery may be low and dying I have not check the alternator nor the battery yet.

Should I clean the PCV valve and throttle again or check battery and alternator first and cables to battery?
Wednesday, April 1st, 2020 AT 5:07 PM

3 Replies

Tiny
ASEMASTER6371
  • MECHANIC
  • 52,796 POSTS
Good morning,

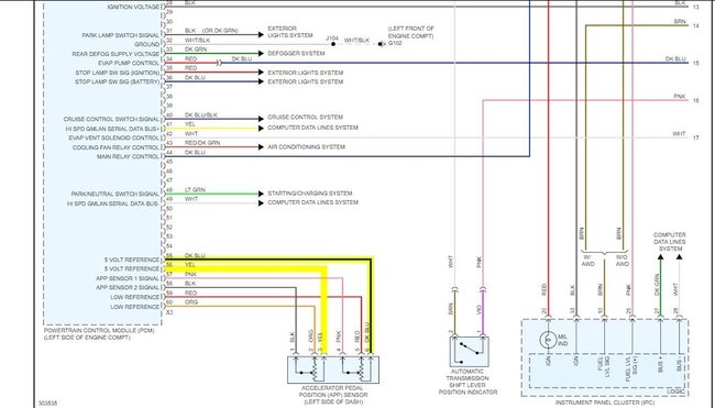
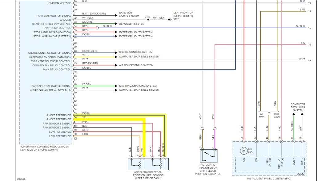
This code is for an electrical issue with the 5 volt reference circuit for the ECM. When that voltage is not present, this code will result.

I posted below the description and the flow chart for determining the issue. You will need a volt meter to do the testing.

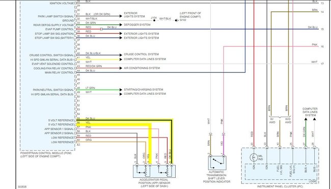
I also posted a diagram of the ECM and the 5 volt outputs that need to be verified.

Roy

https://www.2carpros.com/articles/how-to-check-wiring

Roy

DTC P0601-P0607, P060A, P060D, P060E, or P2610

Diagnostic Instructions

Perform the Diagnostic System Check - Vehicle (See: Vehicle > Initial Inspection and Diagnostic Overview) prior to using this diagnostic procedure.
Review Strategy Based Diagnosis (See: Vehicle > Initial Inspection and Diagnostic Overview) for an overview of the diagnostic approach.
Diagnostic Procedure Instructions (See: Vehicle > Initial Inspection and Diagnostic Overview) provides an overview of each diagnostic category.

DTC Descriptors
DTC P0604
Control Module Random Access Memory (RAM)

DTC P0606
Control Module Internal Performance

DTC P0607
Control Module Performance

DTC P060A
Control Module Monitoring Processor Performance

DTC P060D
Control Module Accelerator Pedal Position (APP) System Performance

DTC P060E
Control Module Throttle Position (TP) System Performance

DTC P2610
Control Module Ignition Off Timer Performance

Circuit/System Description

The powertrain control module (PCM) performs continuous self checks of all internal circuits. If the status of an internal memory circuit within the control module is incorrect, a DTC P0604 sets. If the inputs or outputs from the many central processing units (CPU) within the control module deviate from the standard level, a DTC P0606, P0607, or P060A sets. The control module monitors the accelerator pedal position (APP) sensor 1 signal and sets a DTC P060D when an internal APP sensor fault is detected. The control module monitors the throttle position (TP) sensor 1 signal and the stop lamp switch input for synchronous activity. If a deviation is detected a DTC P060E sets. The control module has several internal clock or timer circuits. The DTC P2610 diagnostic monitors the internal timer circuit responsible for the ignition OFF operation of the evaporative emission (EVAP) system vacuum leak pump. If the there is an error in the control module timer, a DTC P2610 sets.

Conditions for Running the DTC

P0604, P0606, P0607, P060A, P060D, and P060E
The ignition is ON, or the control module is awake.
The DTCs run continuously once the above condition is met.

P2610
The engine has been running for greater than 10 minutes.
The DTC runs once an ignition cycle.

Conditions for Setting the DTC

P0604, P0606, P0607, P060A, P060D, and P060E

The PCM detects that an internal error exists.

P2610

The PCM engine running timer and the engine soak timer do not agree.

Action Taken When the DTC Sets

DTCs P0604, P0606, P0607, P060A, P060D, and P060E are type A DTCs.
DTC P2610 is a type B DTC.

Conditions for Clearing the DTC

DTCs P0604, P0606, P0607, P060A, P060D, and P060E are type A DTCs.
DTC P2610 is a type B DTC.

Diagnostic Aids

A short to ground in the 5-volt reference circuit of some engine control sensors can set a DTC P0606 or P0607. The PCM provides 5 volts to the following sensors:

Throttle position sensor (TPS) 1 and 2
Accelerator pedal position (APP) sensor 1 and 2
The fuel tank pressure (FTP) sensor

A low battery condition may cause DTC P2610 to set.
An intermittent condition at the ignition switch may cause DTC P2610 to set.

Reference Information
Schematic Reference

Engine Controls Schematics (See: Powertrain Management > Electrical)
Electrical Information Reference

Circuit Testing (See: Vehicle > Component Tests and General Diagnostics)
Connector Repairs (See: Vehicle > Component Tests and General Diagnostics)
Testing for Intermittent Conditions and Poor Connections (See: Vehicle > Component Tests and General Diagnostics)
Wiring Repairs (See: Vehicle > Component Tests and General Diagnostics)

DTC Type Reference

Powertrain Diagnostic Trouble Code (DTC) Type Definitions (See: A L L Diagnostic Trouble Codes ( DTC ) > Diagnostic Trouble Code Descriptions)
Scan Tool Reference

Control Module References (See: Vehicle > Programming and Relearning) for scan tool information

Circuit/System Testing

1. Ignition ON, clear the DTC information with a scan tool. Observe the scan tool DTC information. Verify that DTC P0606 or P0607 does not fail this ignition cycle.

If DTC P0606 or P0607 failed this ignition, test the PCM 5-volt reference circuit of the applicable engine sensors for a short to ground. Refer to Diagnostic Aids. If the circuits test normal, replace the PCM.

2. Observe the DTC information with a scan tool. Verify DTCs P0604, P060A, P060D, P060E, or P2610 do not set this ignition cycle.

If any of the DTCs set this ignition cycle, replace the PCM.

Repair Instructions

Perform the Diagnostic Repair Verification (See: A L L Diagnostic Trouble Codes ( DTC ) > Verification Tests) after completing the diagnostic procedure.

Control Module References (See: Vehicle > Programming and Relearning) for control module replacement, setup, and programming
Was this
answer
helpful?
Yes
No
+1
Thursday, April 2nd, 2020 AT 4:31 AM
Tiny
ALPHASENTORY GALAXY
  • MEMBER
  • 41 POSTS
Hello Roy,

Thank you for the the information on the car listed above. It is a lot to learn it will take me some time to re-read and re-read just make certain I understand procedure for code P0607.

After checking sensors, and the ECM for powers and grounds, the park neutral safety switch was the problem however the center guts of the switch is welded to the transmission shaft, the switch was gently pried off until it broke off. It was stuck on after 20 years.

The inside of switch did not looked gunked up the grease was very dry and caked.

The end part of the shifter shaft of this transmission broke off where the cable leaver bolt is, that's my present status.

I have to cut off the welded part of the safety switch from the transmission's shaft without further damage.

Respectfully,
Alphasentory/galaxzy
Was this
answer
helpful?
Yes
No
Thursday, April 2nd, 2020 AT 5:48 AM
Tiny
ASEMASTER6371
  • MECHANIC
  • 52,796 POSTS
Keep me updated on what you find.

Roy
Was this
answer
helpful?
Yes
No
Thursday, April 2nd, 2020 AT 5:56 AM

Please login or register to post a reply.