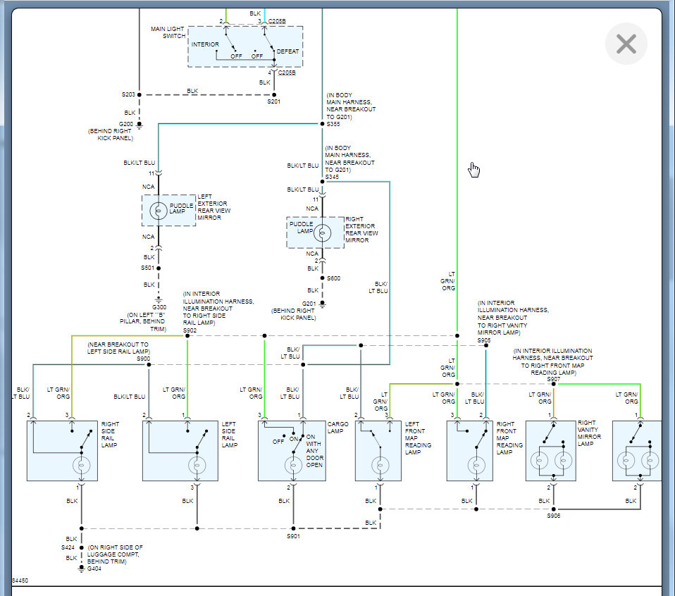
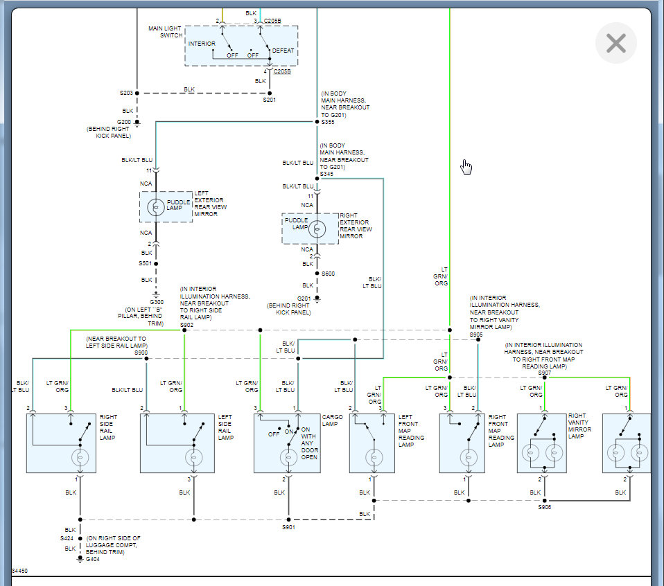
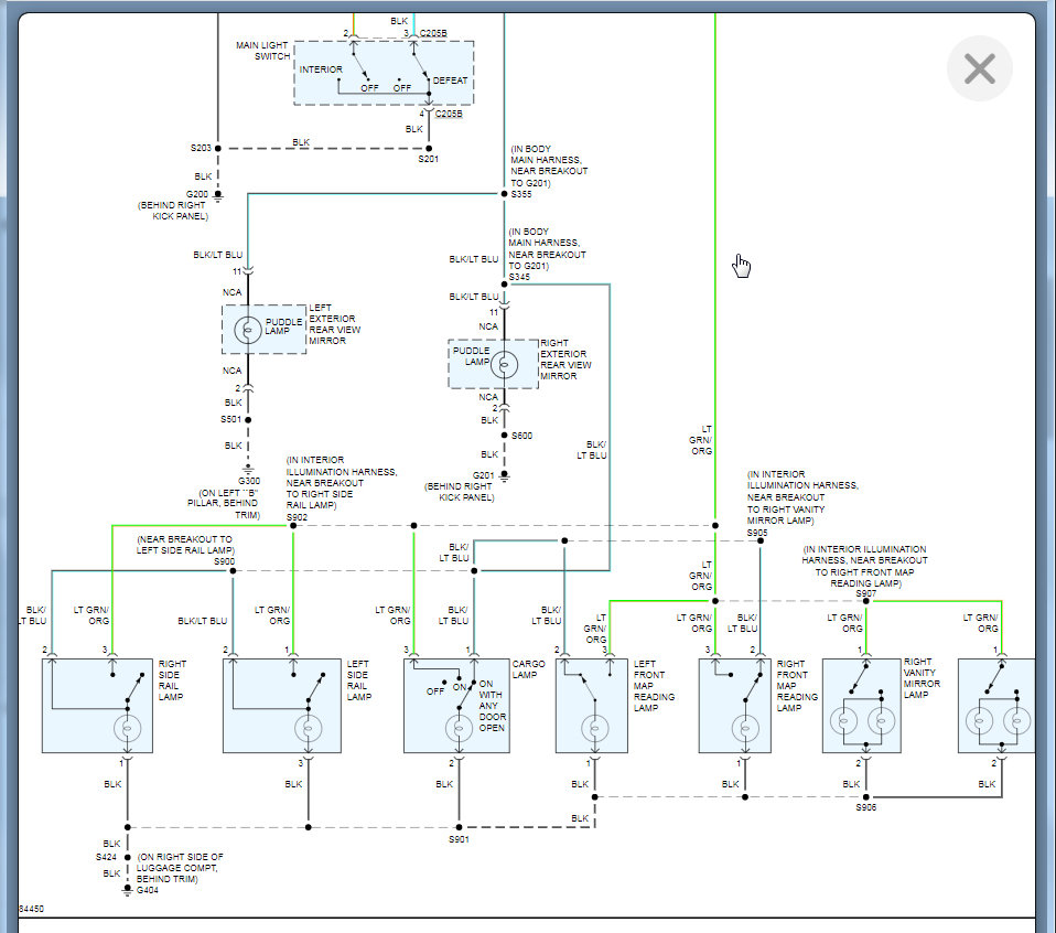
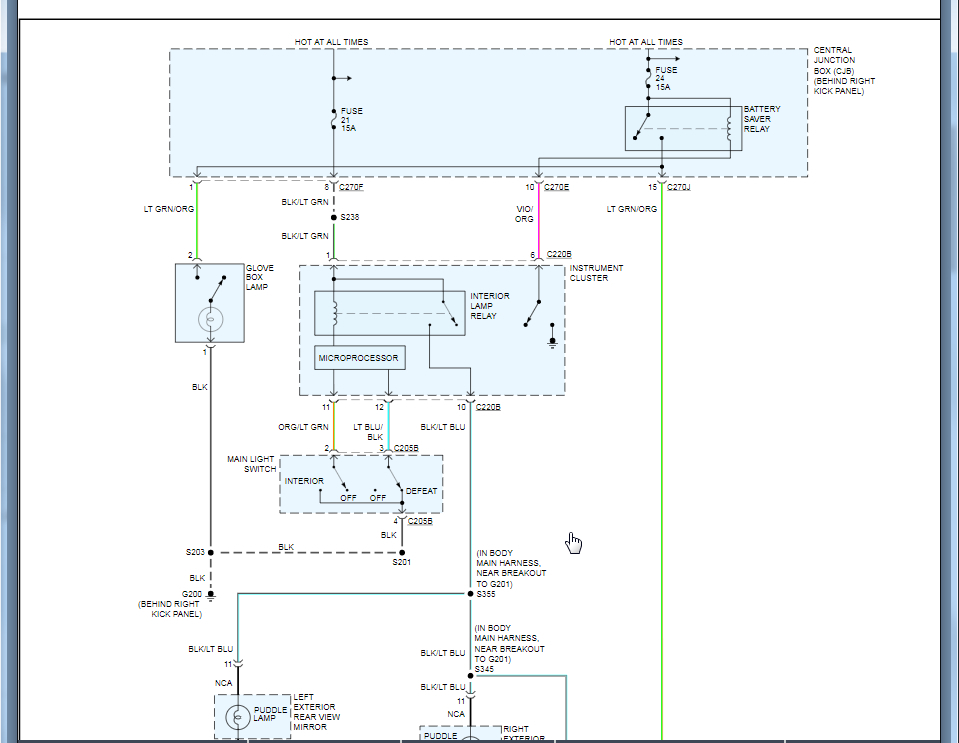
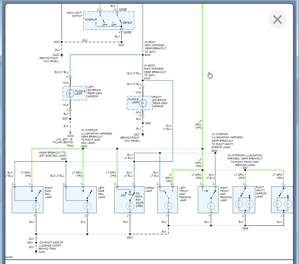
Saturday, February 20th, 2021 AT 11:53 AM
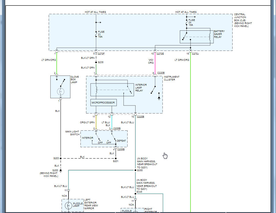
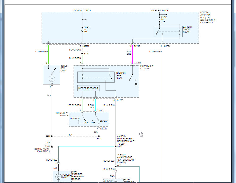
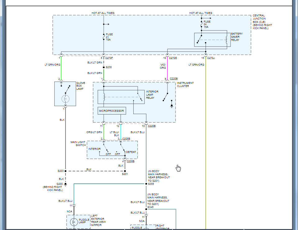
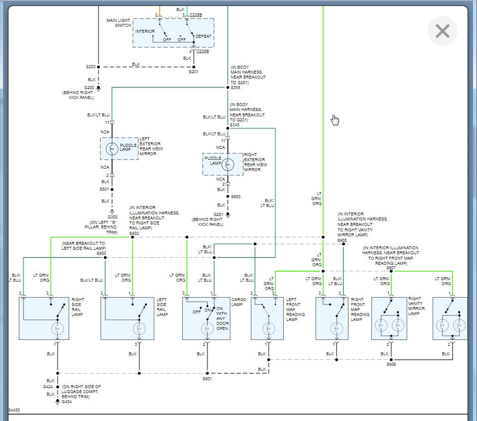
My vehicle listed above has a sunroof and I have told that the weep holes stop working and water runs down on top of GEM and cause problems (dome lights radios door latch parking light) and I get all of them not at the same time. I have not been able to find the GEM. Is there a reset for it?






