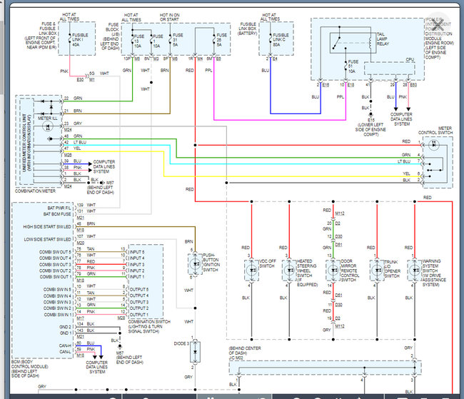
Interior panel lights, HVAC panel lights do work when the headlights are on

Tiny
SEAN PEDONE
  • MEMBER
  • 2013 NISSAN ALTIMA
  • 2.5L
  • 4 CYL
  • 2WD
  • AUTOMATIC
  • 110,000 MILES
When my headlights are on or in auto my dash odometer, tachometer lights and my A/C panel light does not work. If I turn my headlights off everything works fine. Also each time I restart my car my trip mileage resets. I've checked a bunch of fuses interior and under the hood finding none burnt. Any thoughts?

Thanks,
Sean
Wednesday, August 4th, 2021 AT 4:14 PM

3 Replies

Tiny
KASEKENNY
  • MECHANIC
  • 18,907 POSTS
Both of these functions are controlled by the body controller so I suspect we have an issue there.

Basically the BCM is going to control the lighting based on the switch input. Some vehicles will adjust this lighting on sunload as well but it looks like your vehicle uses that only for A/C operation.

https://www.2carpros.com/articles/how-to-replace-a-bcm-body-control-module

Looks like to me that we are going to need to replace the BCM but the only thing that gives me pause is the fact that the manual does not state that the trip meter is BCM controlled. It lists it under the Trip computer under the cluster operation.

This is not the cheapest part and not the easiest to confirm this. We are going to need to use a scan tool and monitor the BCM inputs and outputs in order to confirm this.

However, you should have a push button start. This will have a halo around it, does this work properly? That may give us a little more info to be more confident if you don't have a scan tool that can monitor the BCM.
Was this
answer
helpful?
Yes
No
Thursday, August 5th, 2021 AT 6:48 PM
Tiny
SEAN PEDONE
  • MEMBER
  • 10 POSTS
The ignition is illuminated when the headlights are off but when the headlights are turned on it shuts off as do the other lights. What level of scan tool would I need for the scan? The dealer wants $200.00 for the scan and print out. Any ideas on how much a new BCM?
Was this
answer
helpful?
Yes
No
Friday, August 6th, 2021 AT 8:39 AM
Tiny
KASEKENNY
  • MECHANIC
  • 18,907 POSTS
You would need a pretty good scan tool which will be a few hundred dollars at least.

Based on the fact that the ignition does the same thing tells us that the BCM is doing this but the only question left would be, is there a sensor or something telling the BCM to do this? This would be what we need the scan tool for though.

As for the $200.00 charge that is commonly abused or confused by the dealer.

If they are going to charge you a diagnostic charge then that means they will charge you $200.00 and then tell you what is wrong with the vehicle. Basically you are paying the first $200.00 of the bill. So if the total will be $400.00 then you are paying $200.00 to find out what it will be and then the remaining $200.00 if you want them to fix it but no matter what, you owe the $200.00.

Dealers basically pass off this charge as a quick scan but then ask for more money if they need to do more testing.

I would suggest making sure the dealer is going to tell you what is wrong with the vehicle for $200.00. If they are wrong then that is on them and they go back to diagnosing it.

As for the cost of the BCM, it is about $600.00 but you may be able to find one cheaper. I attached the part number below.
Was this
answer
helpful?
Yes
No
Saturday, August 7th, 2021 AT 5:26 PM

Please login or register to post a reply.