Interior lights stay on

Tiny
DENISE LACEY
  • MEMBER
  • 1995 LINCOLN CONTINENTAL
  • 2.8L
  • V8
  • FWD
  • AUTOMATIC
  • 132,562 MILES
Lights will not go out after car is off the interior lights stay on.
Monday, July 17th, 2017 AT 8:15 AM

3 Replies

Tiny
KEN L
  • MASTER CERTIFIED MECHANIC
  • 55,440 POSTS
Hello,

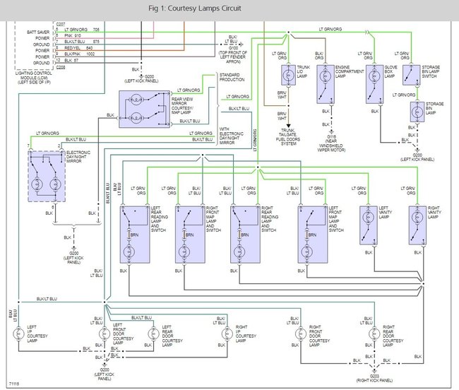
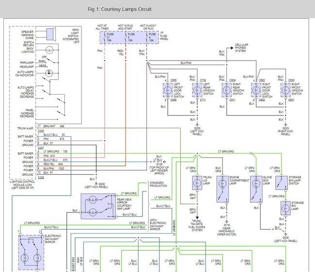
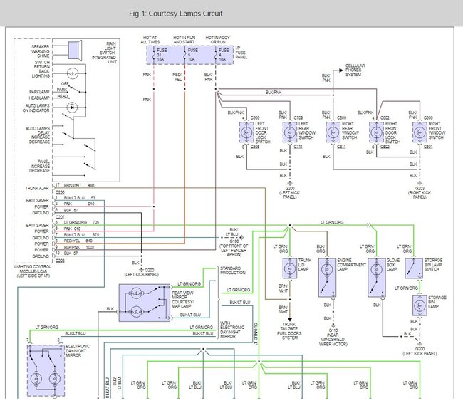
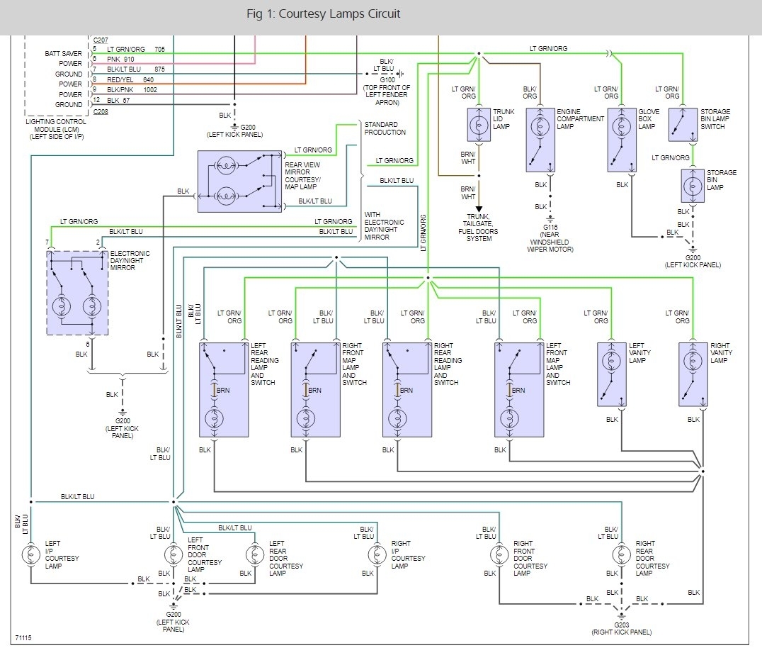
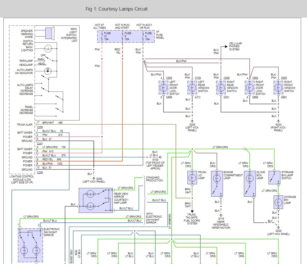
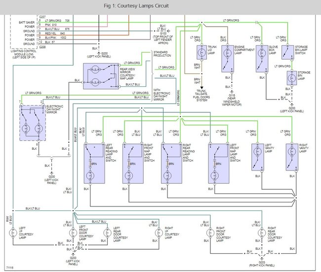
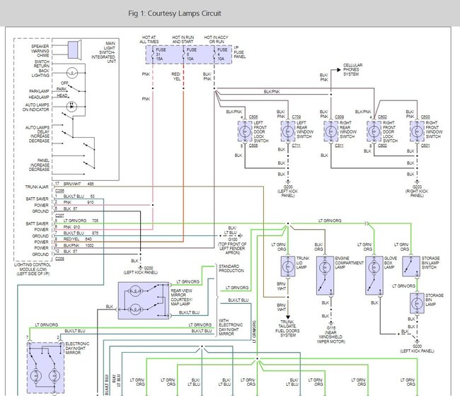
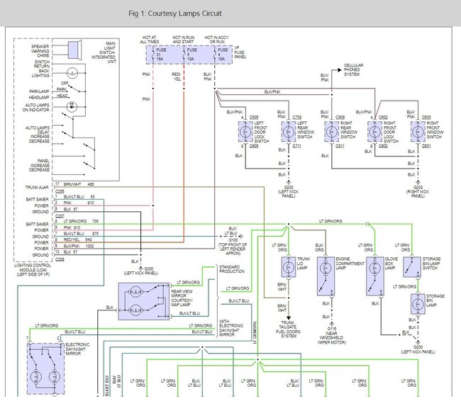
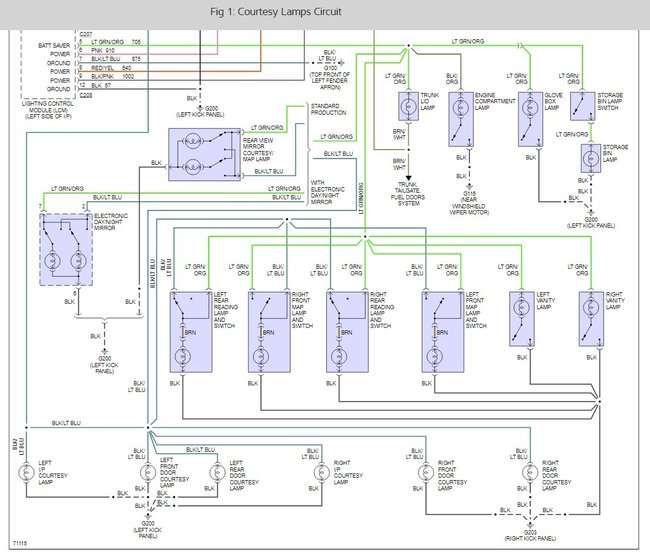
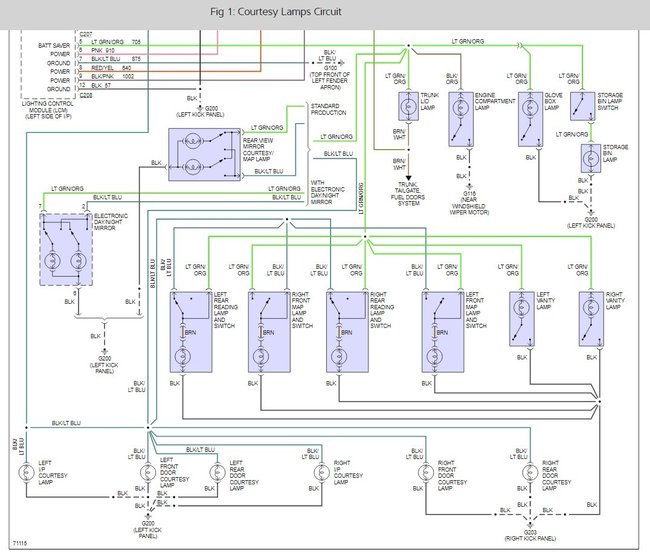
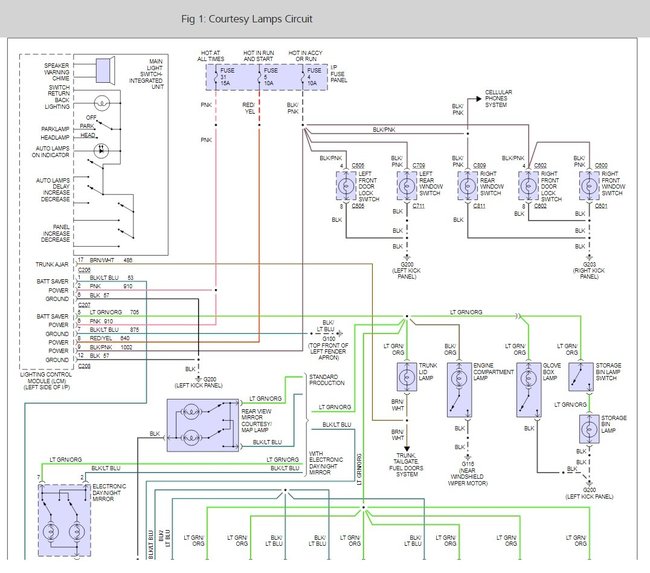
It sounds like you have a lighting module that is going out. This module is located near the headlight switch. Here is a diagram for the wiring and a guide to help you confirm the problem.

https://www.2carpros.com/articles/how-to-use-a-test-light-circuit-tester

Please let us know what you find.

Cheers, Ken
Was this
answer
helpful?
Yes
No
Tuesday, July 18th, 2017 AT 10:00 AM
Tiny
ALAN_WATSON
  • MEMBER
  • 4 POSTS
  • 1996 LINCOLN CONTINENTAL
  • V8
  • FWD
  • AUTOMATIC
  • 132,000 MILES
V8 front wheel drive automatic 132,000 miles.

I would like to know which color wires go to the door latch?
Was this
answer
helpful?
Yes
No
+1
Tuesday, July 18th, 2017 AT 3:20 PM (Merged)
Tiny
MERLIN2021
  • MECHANIC
  • 17,250 POSTS


https://www.2carpros.com/forum/automotive_pictures/62217_tc_2.jpg



https://www.2carpros.com/forum/automotive_pictures/62217_tca_1.jpg


Door lock actuator caution: When performing the following test, use a circuit-protected DVOM. Do not apply power to actuator longer than five seconds. Apply twelve volts to actuator terminals. Actuator rod should complete its travel in less than one second. Reverse leads to actuator terminals. Actuator should operate in reverse direction at same speed. 1. Measure actuator motor current. See Fig. 1 . Reverse leads at actuator terminals to measure reverse current draw. Refer to the actuator motor current specifications table. Replace actuator if current exceeds specification. 2.


https://www.2carpros.com/forum/automotive_pictures/62217_locks_1.jpg

Was this
answer
helpful?
Yes
No
+1
Tuesday, July 18th, 2017 AT 3:20 PM (Merged)

Please login or register to post a reply.