Interior lights, cigarette lighter, cargo lights, overhead reading lights and cluster not working

Tiny
JOHNNYSILVERWOLF
  • MEMBER
  • 2005 DODGE RAM
  • 5.7L
  • V8
  • 4WD
  • AUTOMATIC
  • 180,000 MILES
On my truck is a Daytona version 1500 ram I had the heater core and condenser (i think that is whats it called) replaced. The shop messed up tilt steering and I had to go back and let them fix it. Since then my interior lights, security lights, cargo lights, overhead cluster panel and overhead light don't work. Checked all fuse I can find even iod all good, but still can't find the problem. Oh and my airbag light stayed on the dash. I did find the connection to it and fixed it. L'm thinking that when they fixed tilt they unplugged something just can't find that problem.
Can anyone help?
Saturday, April 25th, 2020 AT 3:49 PM

1 Reply

Tiny
JACOBANDNICKOLAS
  • MECHANIC
  • 110,194 POSTS
Hi,

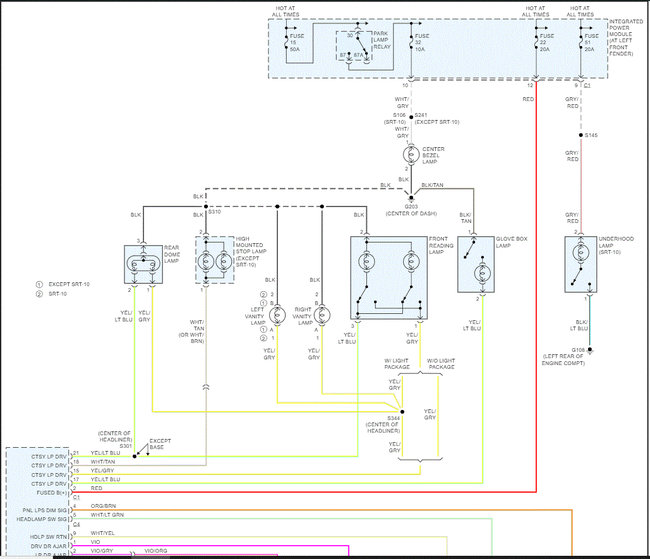
Check the connector under the dash to the instrument panel cluster. That seems to be the junction point of what you described.

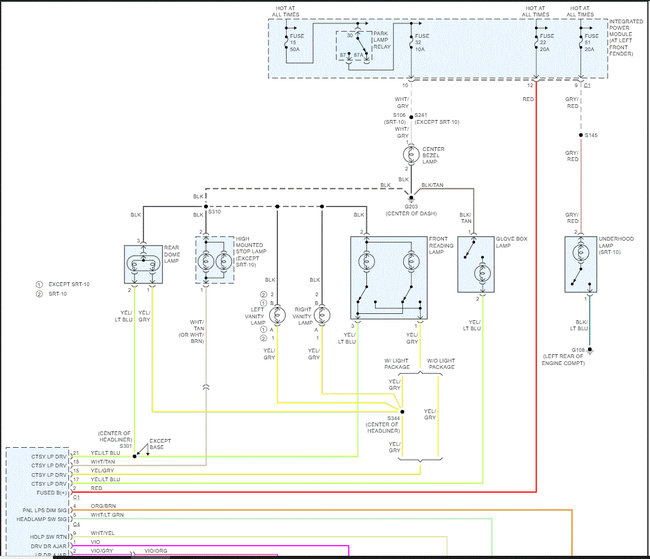
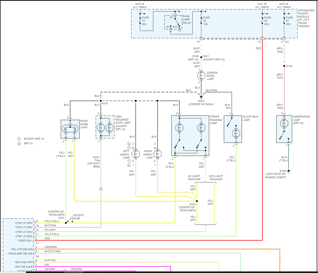
I attached a the entire schematic in two pics of the interior lighting. Take a look and let me I overlapped the pics so you can easily follow them.

Let me know if this helps.

Take care,
Joe
Was this
answer
helpful?
Yes
No
Saturday, April 25th, 2020 AT 9:16 PM

Please login or register to post a reply.