Interior lights

Tiny
KALOLE
  • MEMBER
  • 2003 CHEVROLET MONTE CARLO
  • V6
  • 2WD
  • AUTOMATIC
  • 51,000 MILES
My gauges do not work. They are all out even when I am driving. Oil, volt, battery, speedometer all are not working.
Wednesday, January 10th, 2018 AT 5:10 AM

1 Reply

Tiny
PATENTED_REPAIR_PRO
  • MECHANIC
  • 1,853 POSTS
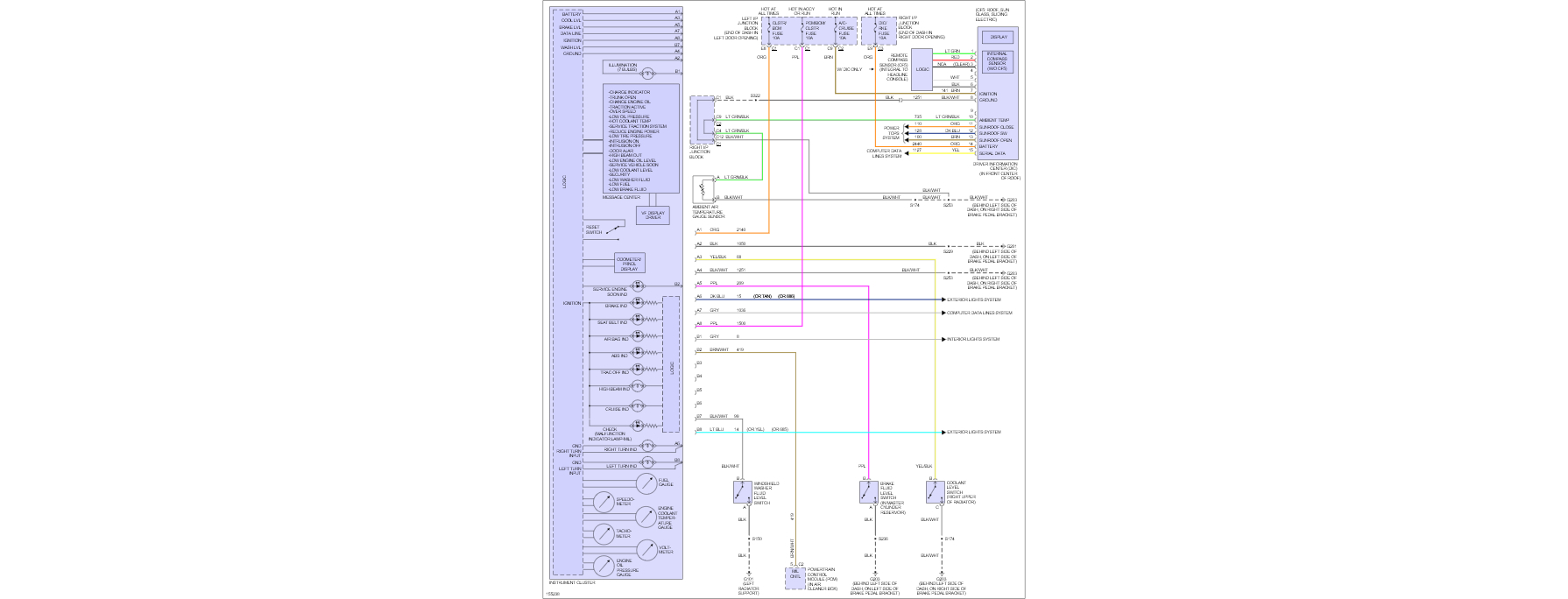
To begin, check the fuses, the CLSTR/BCM and PCM/BCM/CLSTR, both in the right I/P junction block, located end of right side of dash in door opening.
If they are both okay, check the ground, a black/white wire attached to the right side of brake pedal bracket, under the left side of dash.
Was this
answer
helpful?
Yes
No
Wednesday, January 10th, 2018 AT 6:23 AM

Please login or register to post a reply.