Friday, September 27th, 2019 AT 1:12 PM
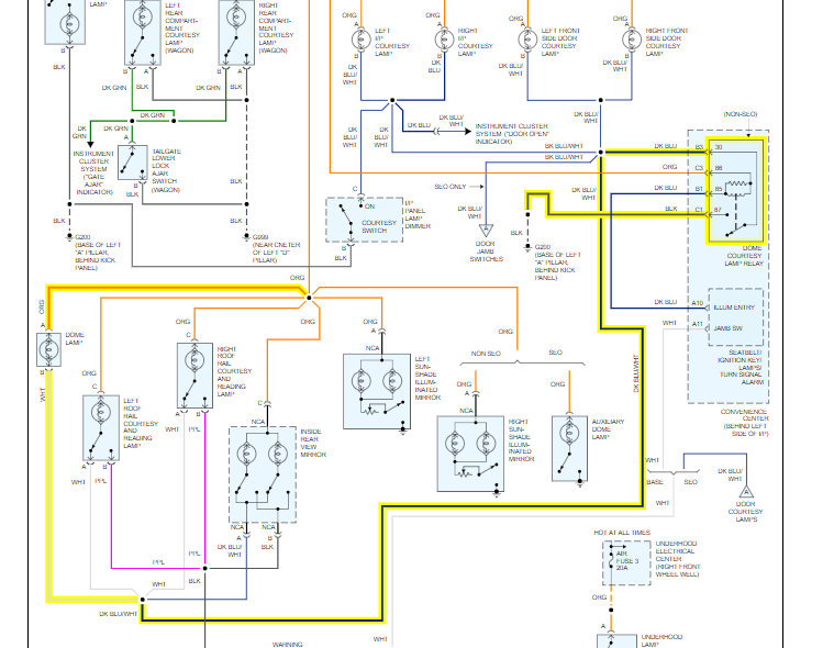
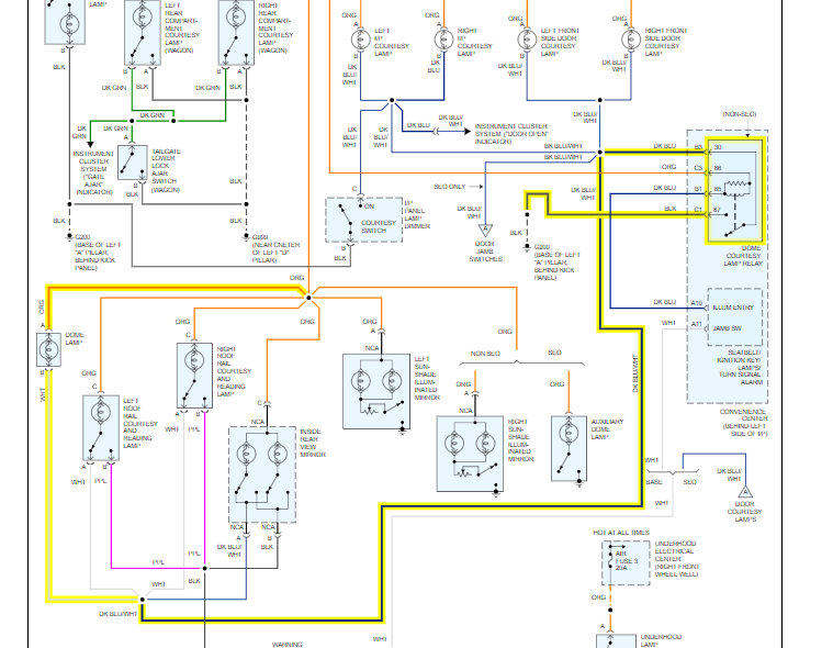
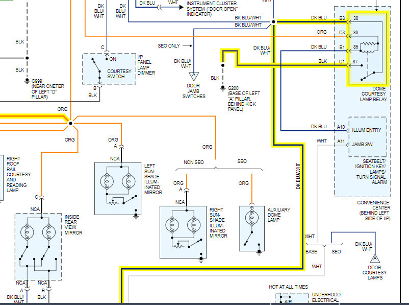
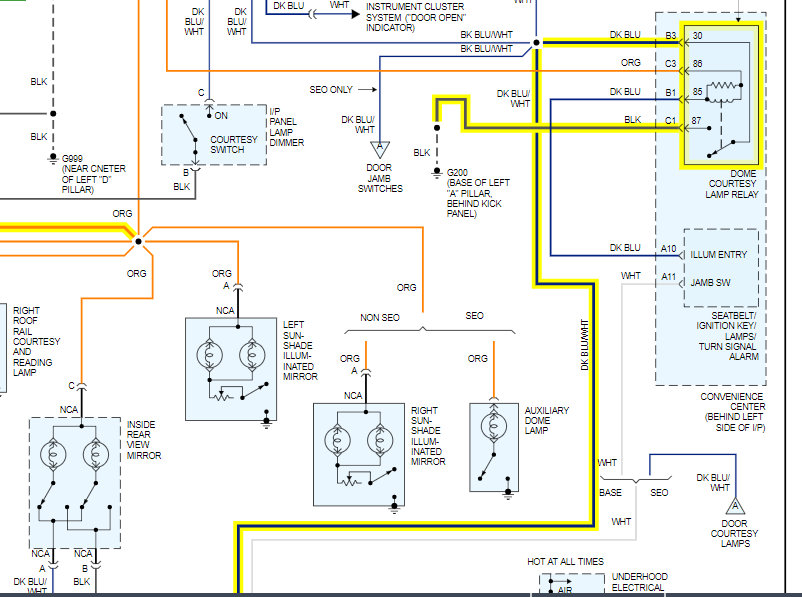
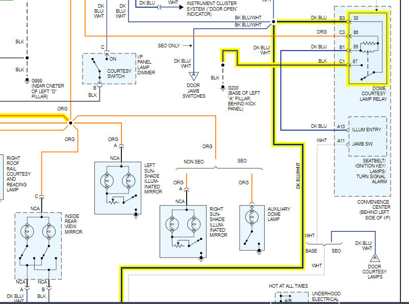
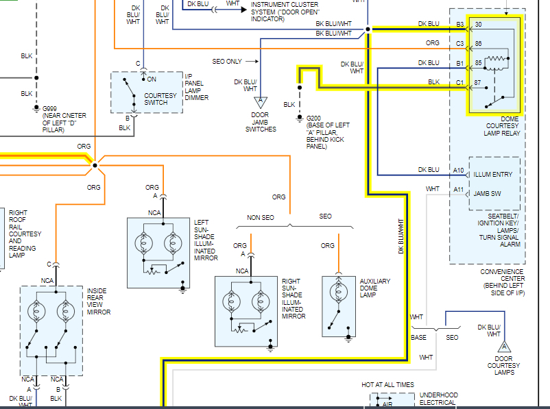
All hi, am asking help in my problem. I'll be brief. The light in the cabin is constantly on the display it is written-open doors, door jamb switch right. Give scheme and explain where is the main module, thank you


