Interior dome light issue

Tiny
JADAN
  • MEMBER
  • 2005 KIA SORENTO
  • 3.5L
  • 6 CYL
  • 4WD
  • AUTOMATIC
  • 65,000 MILES
I have an issue with the interior dome light that does not light up when doors are opened. On all Internet forum this issue is fixed by replacing the diode whose location in behind the driver kick plate, beside the fuse box.
I have unwrapped the whole cable loom where supposedly the diode is located and it is not there. Can you inform me if there is another location to look for this diode?
Thank you
Thursday, April 19th, 2018 AT 3:03 AM

2 Replies

Tiny
HARRY P
  • MECHANIC
  • 2,296 POSTS
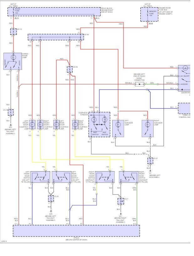
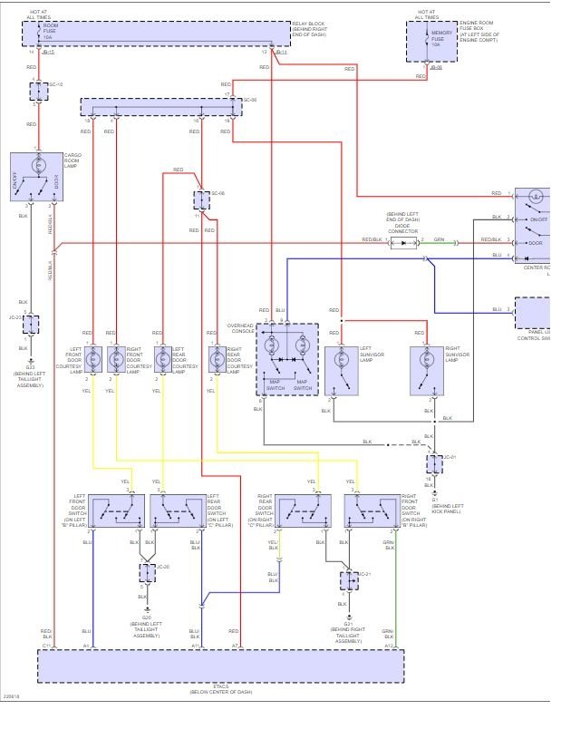
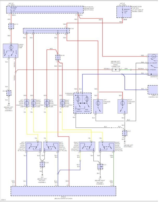
The only information that I can find on Prodemand is that it is behind the left end of the dash. AllData does not give a location at all.
Was this
answer
helpful?
Yes
No
Thursday, April 19th, 2018 AT 3:54 AM
Tiny
PATENTED_REPAIR_PRO
  • MECHANIC
  • 1,853 POSTS
I can add. It has a red/black and green wire.
Wait, here is a diagram:
Was this
answer
helpful?
Yes
No
Thursday, April 19th, 2018 AT 6:29 AM

Please login or register to post a reply.