How can I tell which is positive and which is negative on the circuit board?

Tiny
JCAMPN05
  • MEMBER
  • 2007 CHEVROLET SILVERADO
  • 5.3L
  • V8
  • 4WD
  • AUTOMATIC
  • 123,456 MILES
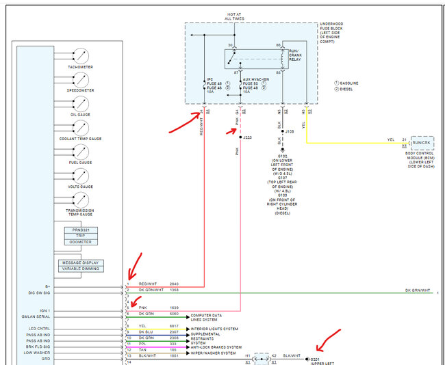
Instrument panel.
Monday, February 17th, 2025 AT 8:11 AM

1 Reply

Tiny
KEN L
  • MASTER CERTIFIED MECHANIC
  • 55,512 POSTS
Sure, here are the power and ground locations for the instrument cluster which I have marked in red for you. Check out the images (below). Let us know if you need anything else.
Was this
answer
helpful?
Yes
No
Tuesday, February 18th, 2025 AT 10:44 AM

Please login or register to post a reply.