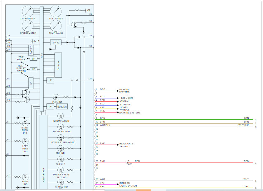
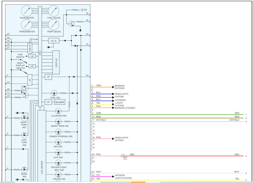
Hello, I have an instrument cluster for the car listed above. I would like to set it up on a test bench for research, but I cannot find information on the pins. I just want to power on the instrument cluster and connect to the CAN pins on it, but I cannot find out which ones are the power pins and which ones are the CAN network pins. Any help is appreciated.
The only connector on the device is a 40-pin connector, with 20 pins in each row.
The only connector on the device is a 40-pin connector, with 20 pins in each row.
Jan 2, 2024 at 5:55 PM





