Wednesday, June 14th, 2023 AT 12:19 AM
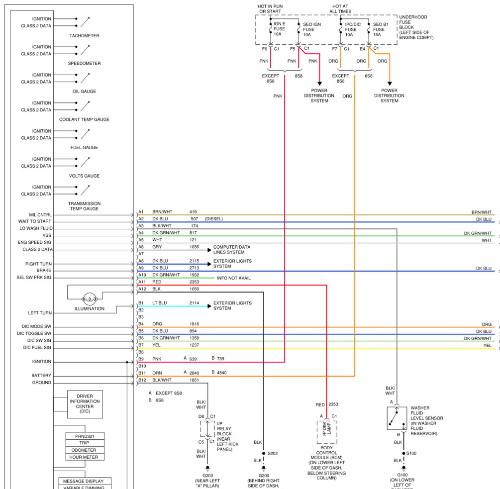
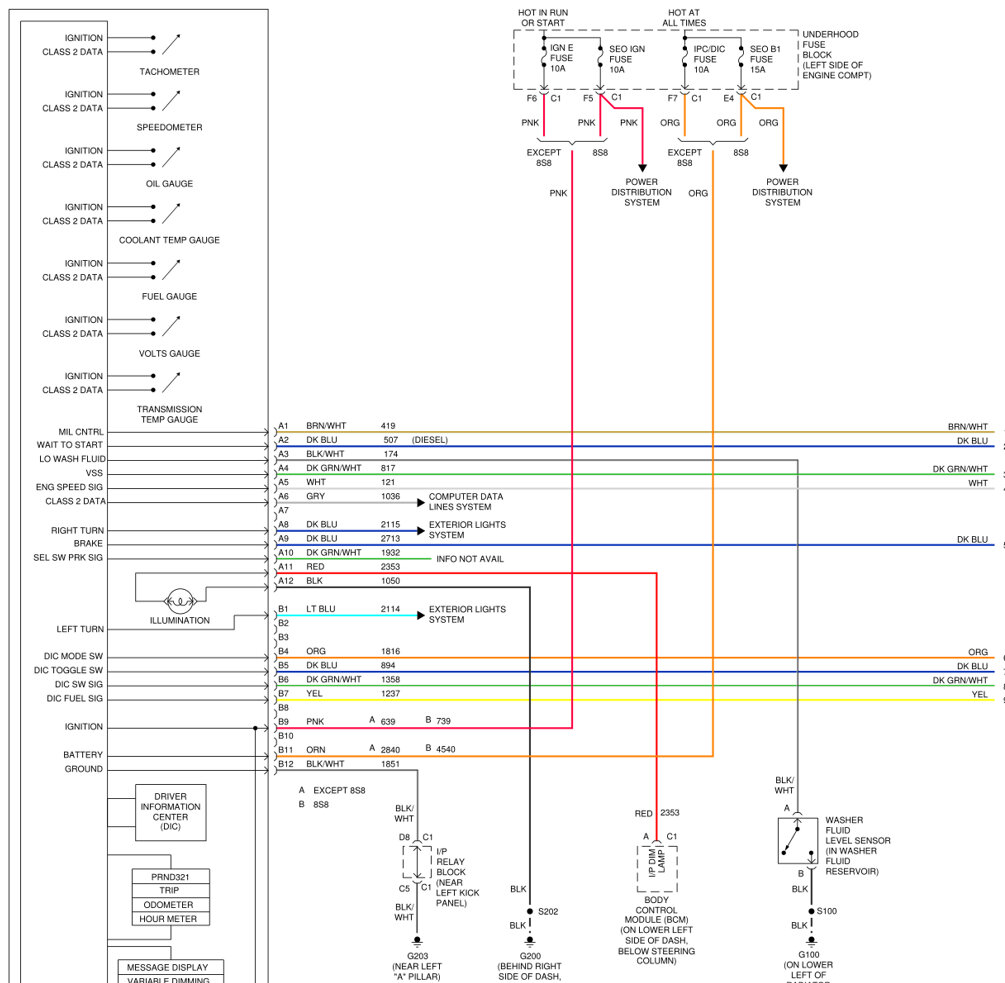
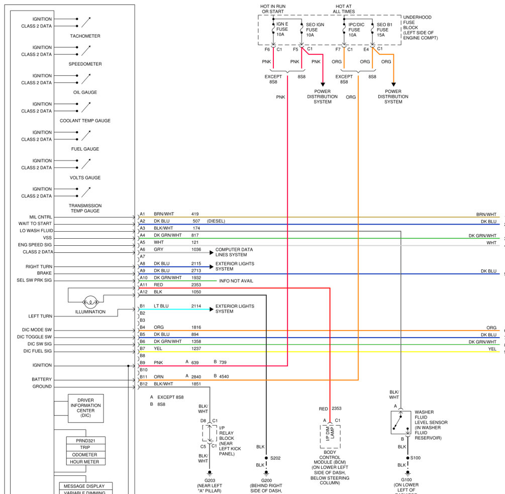
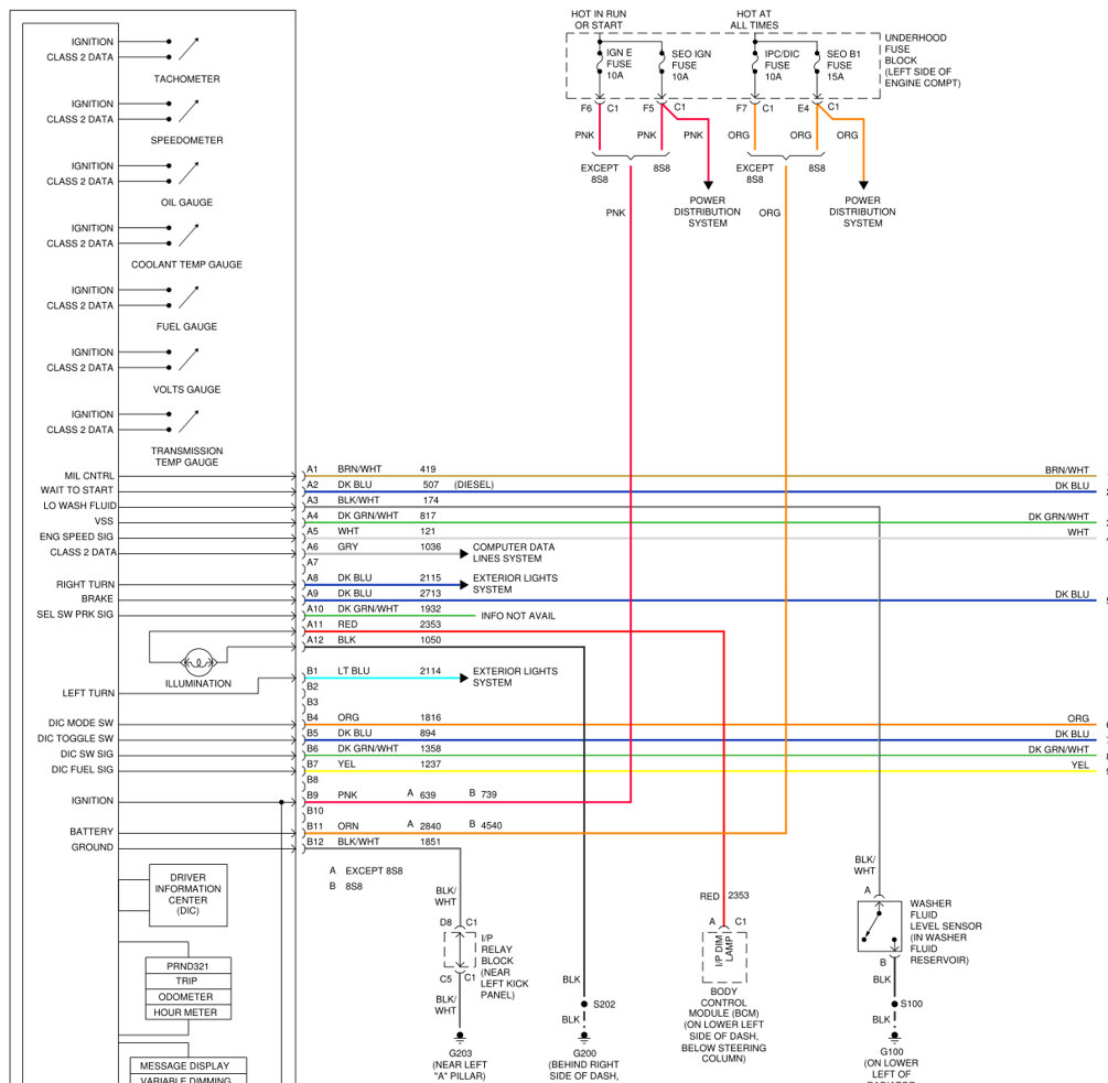
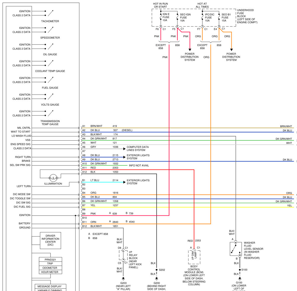
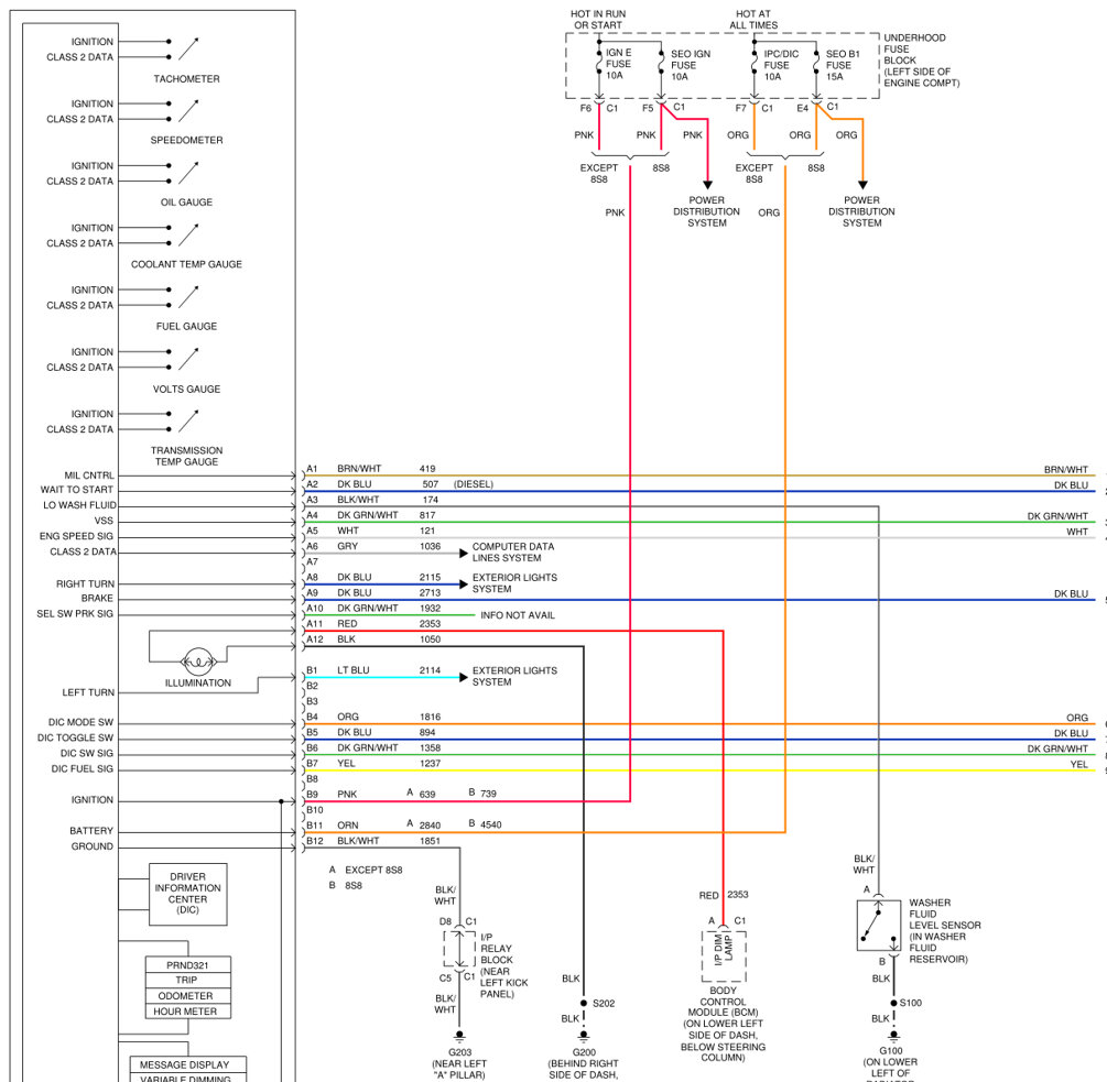
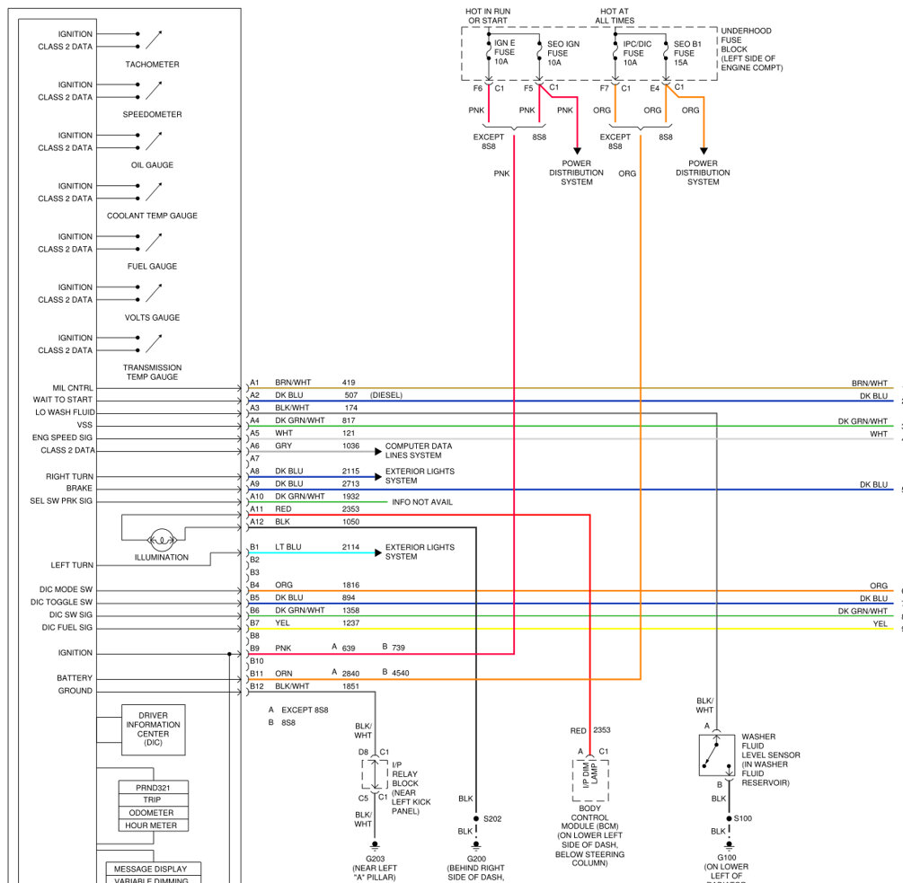
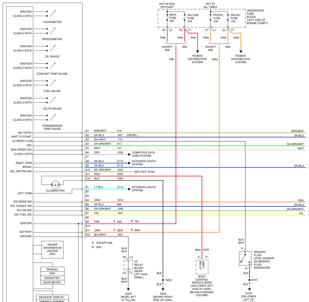
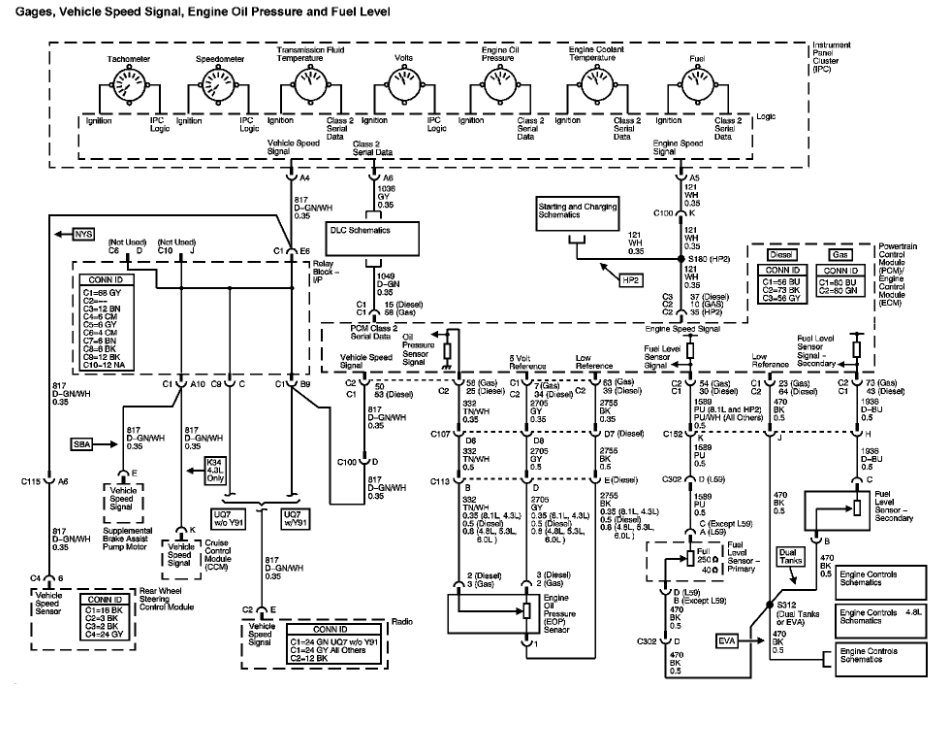
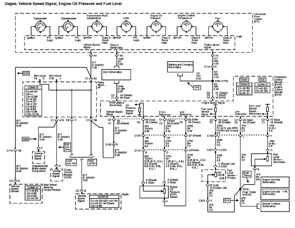
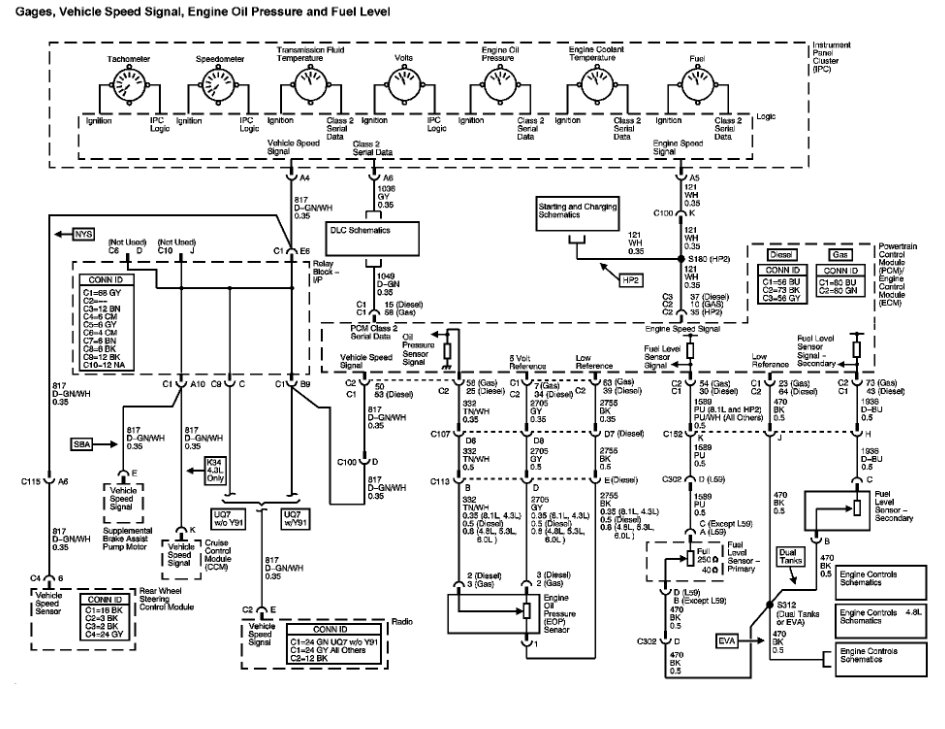
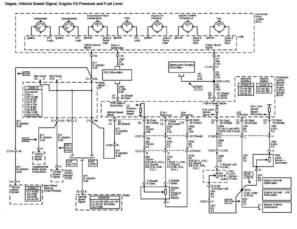
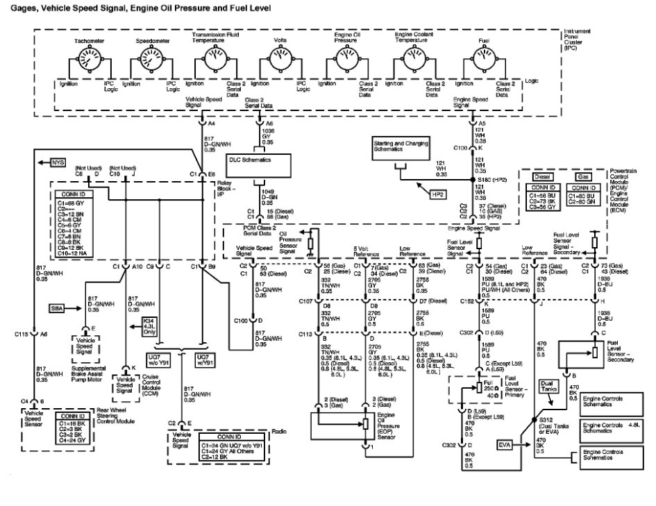
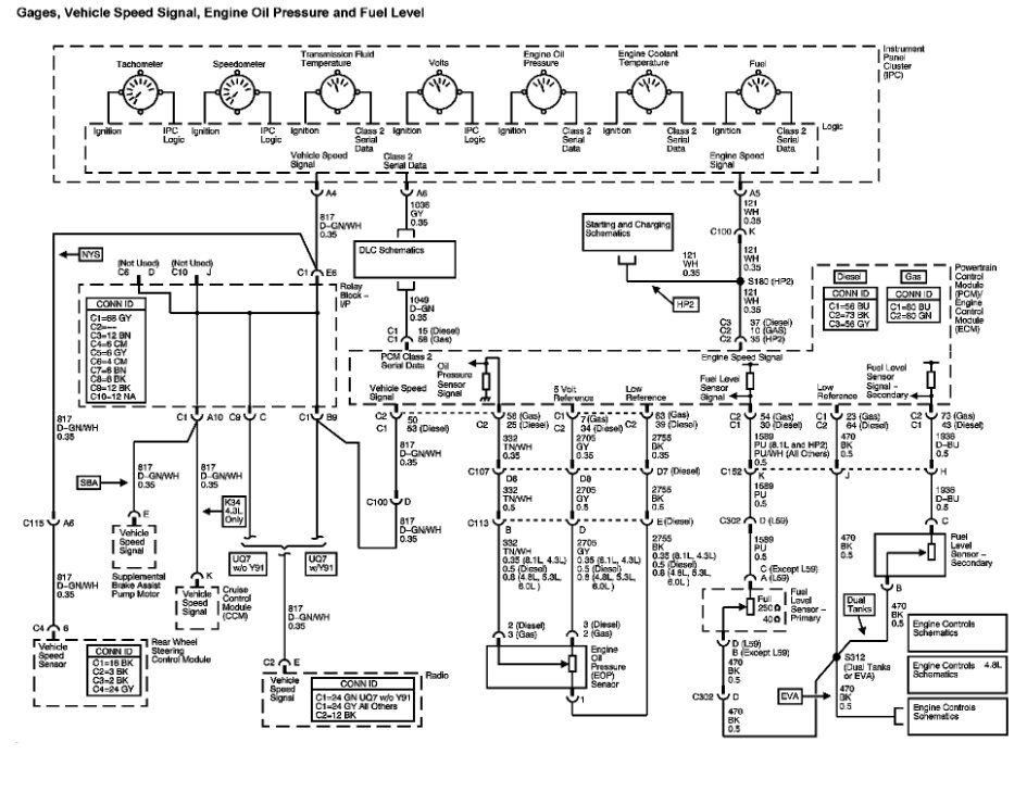
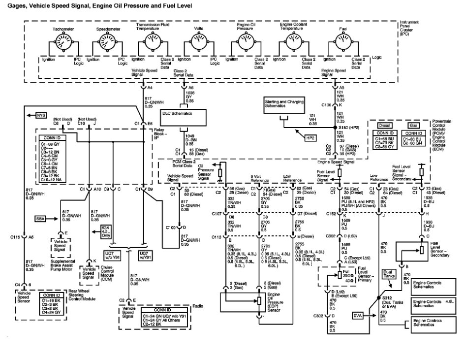
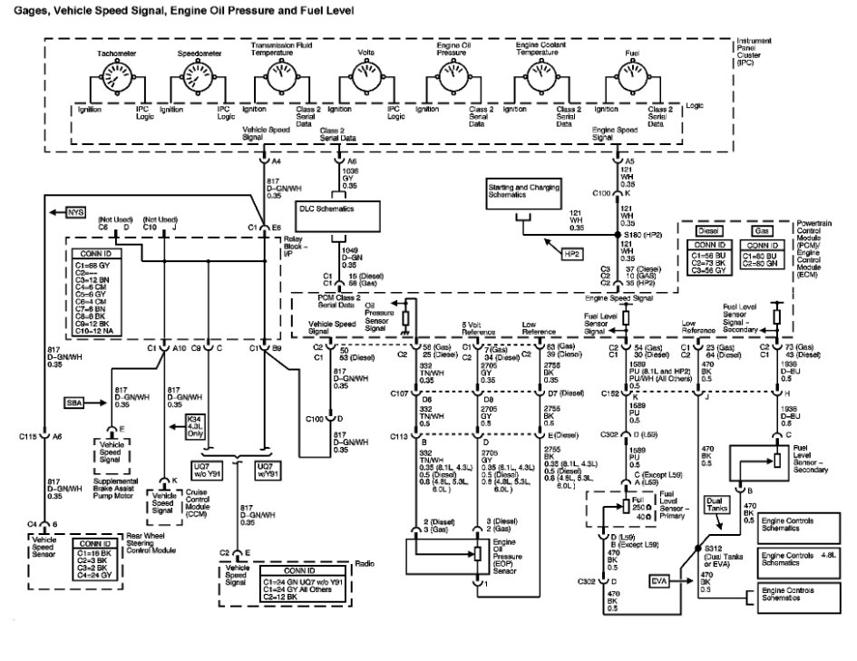
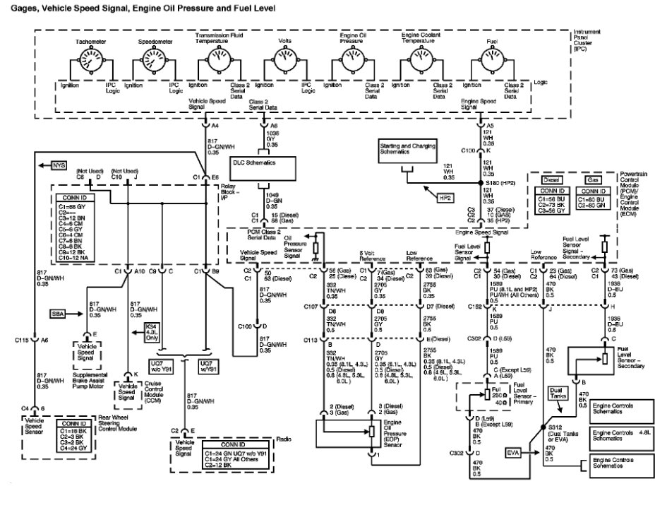
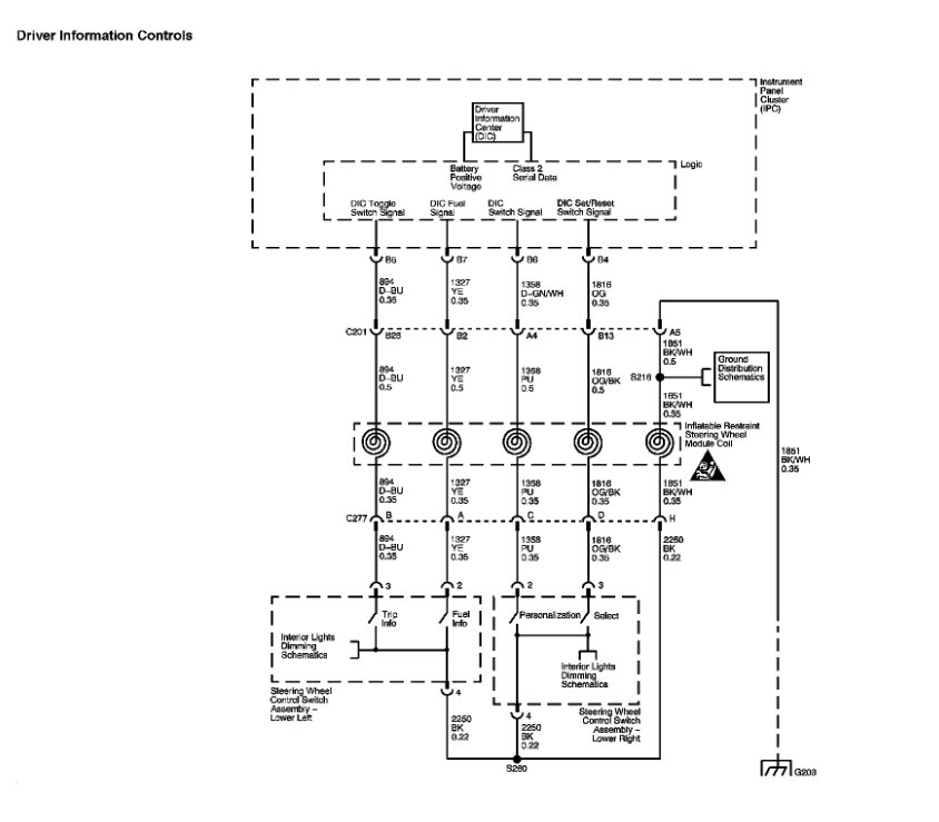
All of the wires are out of my instrument cluster wiring harness, and I can't seem to find an accurate pinout to put them back.








