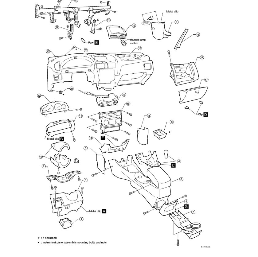
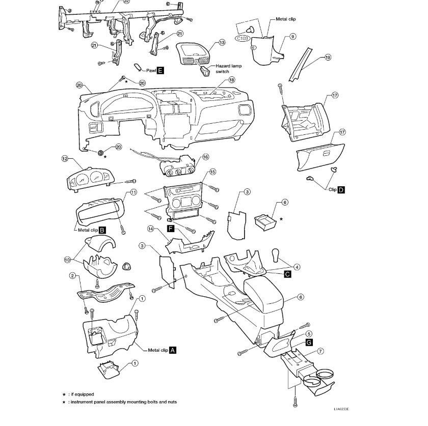
The part that has the speedometer what I have figured out is an instrument cluster. It switches off and on. If I hit a bump or hit it with my hand it switches on then switches off again, sometimes quickly others it will stay on for a few minutes. I thought it may be a loose wire. I have pulled it to out and checked the switches with with the wires connected to it in the back. Looks good. Once I put pressure on the middle of it on the clear front facing plastic showing the gauges, it switches on and off again. When it does turn on, all gauges are good. It just doesn't stay on. Help :(
Saturday, October 19th, 2019 AT 4:01 PM




