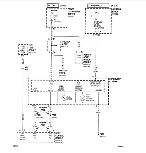
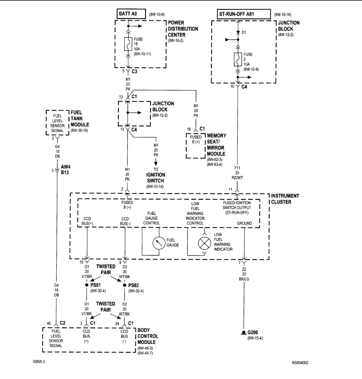
Saturday, February 15th, 2020 AT 11:56 AM
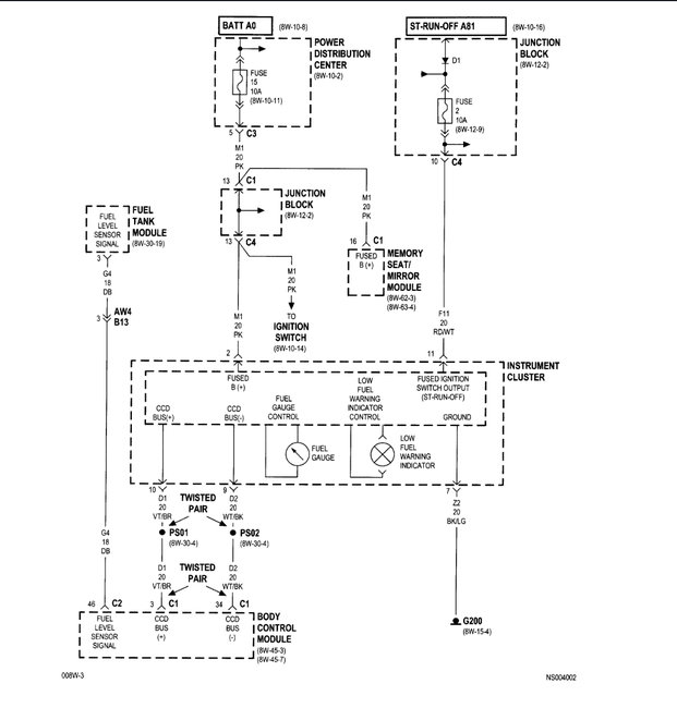
My instrument cluster gauges stopped working. It will show the mileage and the shift options when you turn the key into aux mode but as soon as you start it it turns off those things. Also the gauges jump a tiny bit with turning the key like it’s trying to work but they don’t do anything else. Also the power locks don’t lock the doors when I’m driving now like they did when the cluster board was working.




