Instrument cluster lights not working in daytime?

Tiny
BRYAN BLICK
  • MEMBER
  • 2005 CHEVROLET SILVERADO
  • 5.3L
  • V8
  • 4WD
  • AUTOMATIC
  • 112,000 MILES
My instrument cluster lights work great at night and the dimmer works great as well; everything works as it should, but during daytime, the instrument cluster lights won't work at all, and I can't see my cluster. The odometer and everything on the LCD readout works fine and I can see that.
I just can't see my gauges during daytime.
Please help. What is wrong?
Thursday, August 17th, 2023 AT 8:17 PM

1 Reply

Tiny
KEN L
  • MASTER CERTIFIED MECHANIC
  • 55,302 POSTS
First, we need to check the fuse TBC 2A in the fuse panel on the left side of the dash. This guide can help:

https://www.2carpros.com/articles/how-to-check-a-car-fuse

If the fuse is okay, it sounds like the BCM is out but to be sure we should do a CAN scan. You can get a CAN scanner (Controller Area Network) which will work on most cars from Amazon.

Here is a video to show you how:

https://youtu.be/u-4syLc-ifQ

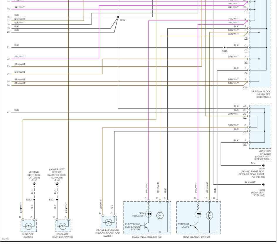
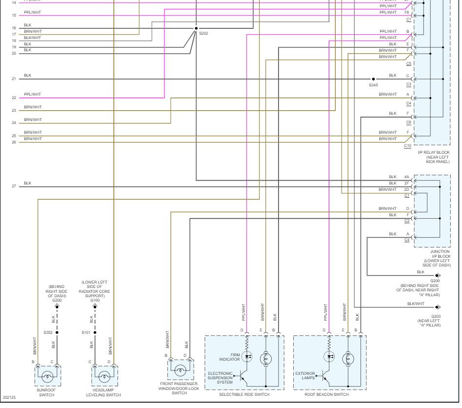
Here are the instrument cluster wiring diagrams so you can see how the system works and how to swap out the BCM, you can get a preprogrammed unit by searching Google or Ebay. Check out the images (below). Please let us know what happens.
Was this
answer
helpful?
Yes
No
Friday, August 18th, 2023 AT 11:50 AM

Please login or register to post a reply.