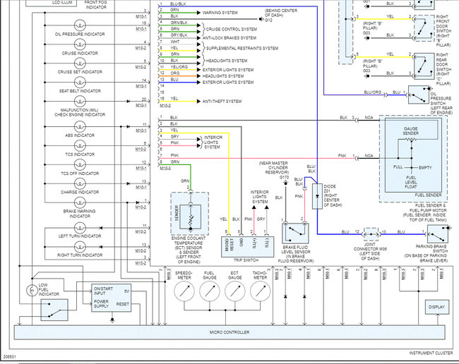
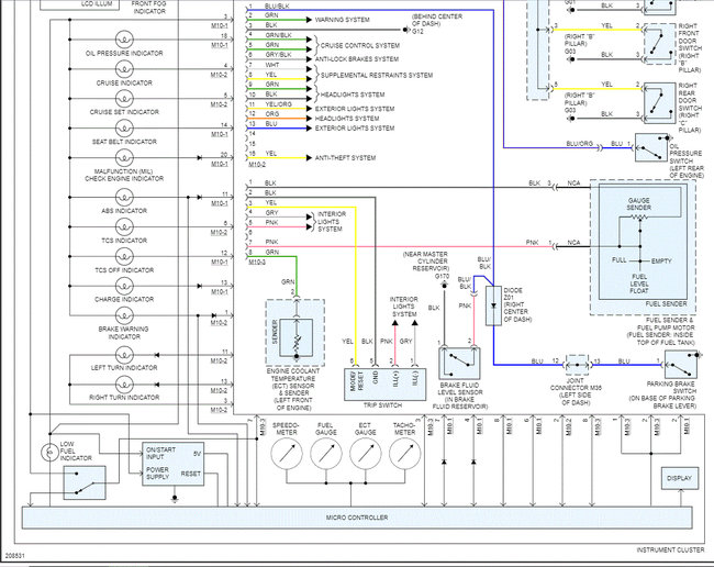
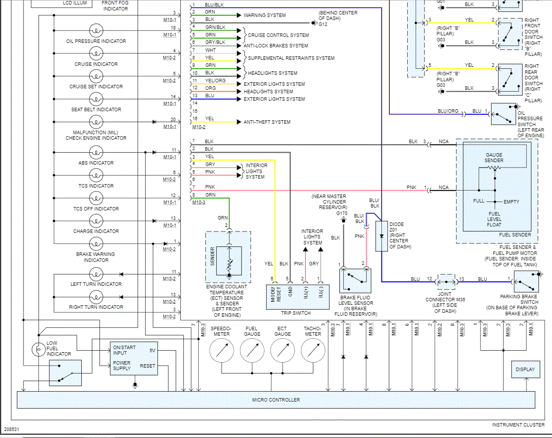
Friday, May 1st, 2020 AT 4:27 PM
The instrument cluster some times while I am on ramp up or accelerating the gauge goes out of range like the power has been cut off and restored again the same time but the glitch happens. So how can I solve that problem?




