Saturday, December 17th, 2022 AT 2:53 PM
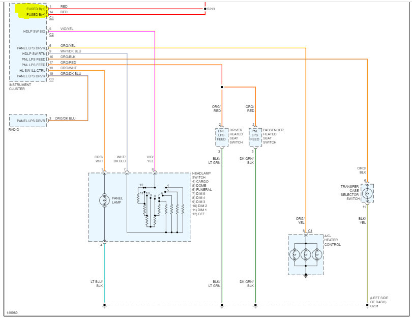
I have the truck listed above 1500 SLT. All of a sudden, I have no lights on my speedometer or anything on the instrument cluster. I have the odometer and all the dummy lights and such those work and also my air conditioning knob lights do not work as well I tried taking the light switch out and cleaning it and making sure the contacts, we're still making contact on the circuit board and it looks as though they are. So, I don't know what else to check I've checked all the fuses and the relays I've switched around and nothing they did start working for about a week or so until I washed it again and now, they don't work again so I don't know if I got water on one of the contacts somewhere? I don't know how that would have been possible any info would be helpful thanks.




