HOME
ASK A QUESTION
REPAIR GUIDES
BECOME A MEMBER
LOG IN
Login with Facebook
OR
Remember me
NOT A MEMBER?
FORGOT PASSWORD?
CONTACT US
PRIVACY POLICY
TERMS AND CONDITIONS
☰
Home
Chevrolet
Equinox
Interior
Instrument Cluster
Instrument cluster pinout connector description needed?
NVGUY
MEMBER
2005 CHEVROLET EQUINOX
V6
AUTOMATIC
226,098 MILES
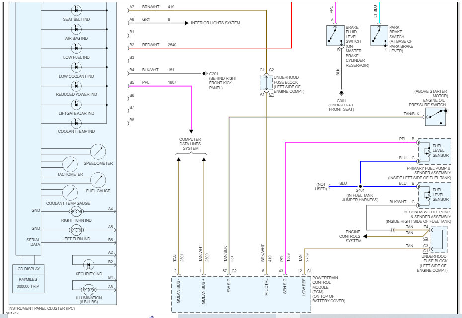
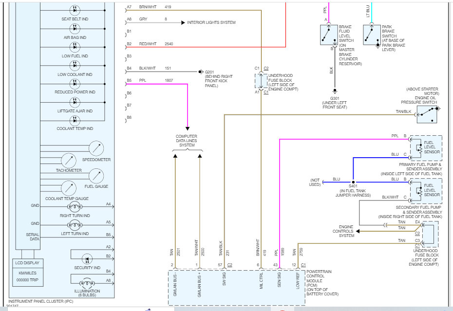
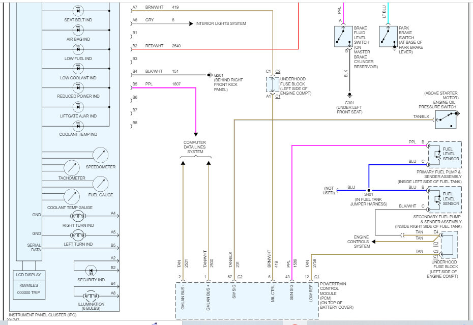
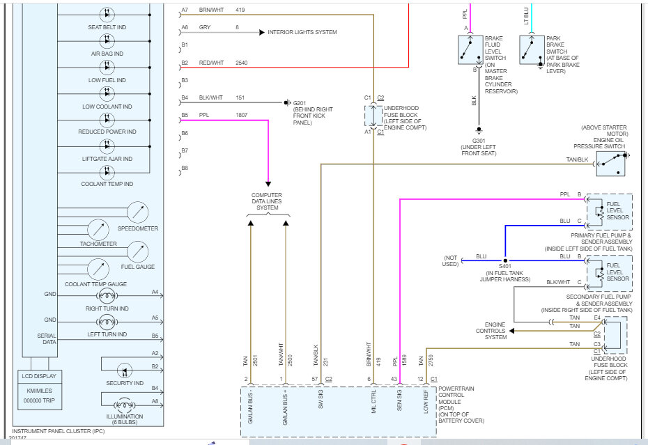
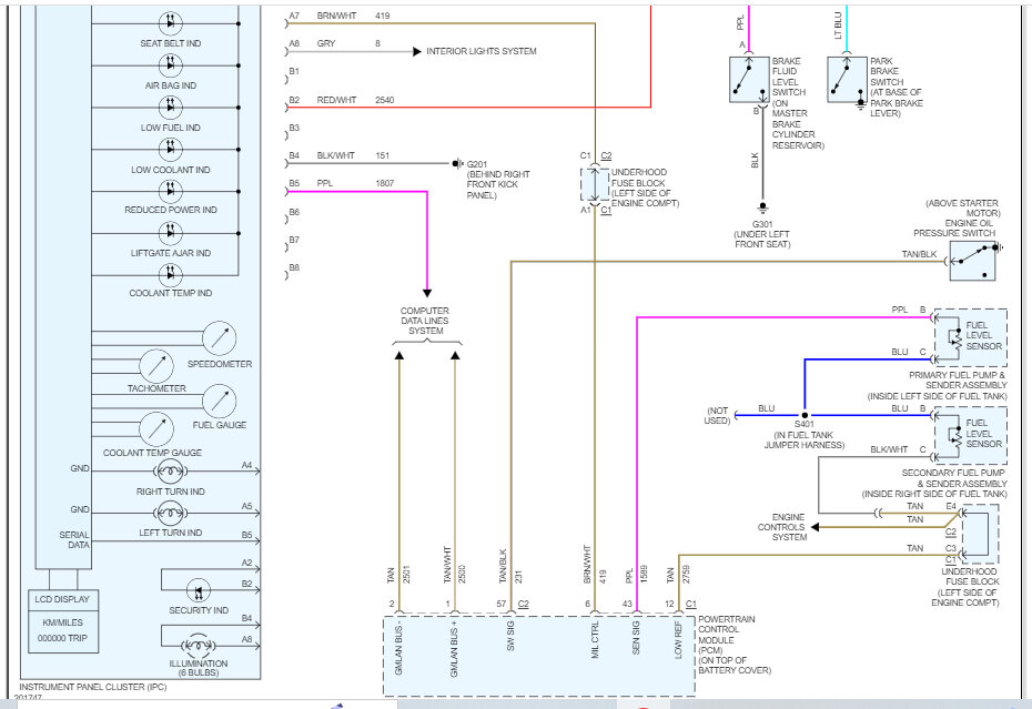
I need an instrument cluster pinout connector description for the vehicle listed above LS.
Tuesday, December 6th, 2022 AT 11:05 PM
1 Reply
JACOBANDNICKOLAS
MECHANIC
110,192 POSTS
Hi,
For some reason, the only thing I am finding is the general wiring schematic. The manual isn't providing a connector pinout.
Take a look at the schematic. It does show the wires going to the IP. Take a look at it and let me know if it helps.
Take care,
joe
Images (Click to make bigger)
Was this
answer
helpful?
Yes
No
Wednesday, December 7th, 2022 AT 5:36 PM
Please
login
or
register
to post a reply.
Related Instrument Cluster Content
Navigation System
I Am A Citizen Of Russia. I Bought A Used Car Chevrolet Equinox Lt 2012. Vin: 2gnflne54c6340967. The Vehicle Is Intended For The U.S. Market...
Asked by
AlexBel
·
3 ANSWERS
2012
CHEVROLET EQUINOX
Ask a Car Question. It's Free!
Instrument Cluster Replacement
How to Use a Test Light
Airbag Removal - Drivers Side