Monday, March 9th, 2020 AT 9:10 PM
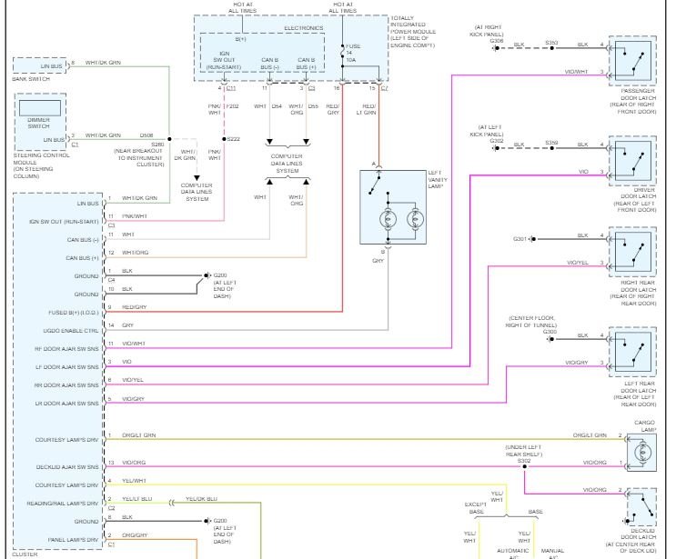
Instrument cluster back lighting will flicker when it wants to but when it is 29 degrees or under they come on and stay on until car warms up and when I hit bump it goes off and stays off. When lights are on the lighting is consistent bright throughout the cluster so no blown bulbs. The freezing weather has got me on this one. I have looked at all main harness plugs and fuses and the switch feels like it positively engages as well as it dims according to the controller input. Is there a ground in behind cluster that maybe loose or faulty in some way?



