Installation of stop light switch

Tiny
JENNIFER LECHAROEN
  • MEMBER
  • 2000 CHEVROLET 3500
  • 7.4L
  • V8
  • 2WD
  • AUTOMATIC
  • 218,300 MILES
I am trying to locate information on how to install the stop light switch on to the brake pedal in my truck.
Friday, June 8th, 2018 AT 4:27 PM

2 Replies

Tiny
JACOBANDNICKOLAS
  • MECHANIC
  • 110,192 POSTS
Hi and thanks for using 2CarPros. Com.

Here are the removal directions for this vehicle:

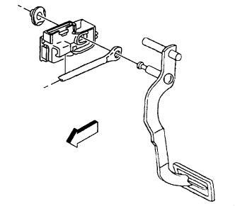
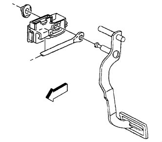
Removal Procedure

Disconnect the battery negative cable.
Disable the SIR. Refer to Disabling the SIR System.
Remove the pushrod retainer from the brake pedal pin. Use snap ring pliers.
Unsnap the stoplamp switch from the pushrod.
Disconnect the electrical connector from the stoplamp switch.
Installation Procedure
Connect the electrical connector to the stoplamp switch.
Snap the stoplamp switch onto the pushrod.
Install a new pushrod retainer on the brake pedal pin. Use an 11 mm (7/16 inch) socket in order to push a new clip onto the pin.
Connect the negative battery cable.
Enable the SIR. Refer to Enabling the SIR System in Restraint Systems.
Replacement is opposite of removal.
__________________________________________________________________

I hope this helps. Let me know if you have other questions.

Take care,
Joe
Was this
answer
helpful?
Yes
No
Saturday, June 9th, 2018 AT 8:18 PM
Tiny
JENNIFER LECHAROEN
  • MEMBER
  • 3 POSTS
I did everything instructed in the answer to my question replacing the stop light switch connected the battery enable the sir system and brake lights are still not working. So now what do I do?
Was this
answer
helpful?
Yes
No
Tuesday, June 12th, 2018 AT 12:04 PM

Please login or register to post a reply.