Inside fuse box location needed

Tiny
MARTIN LIPSCOMB
  • MEMBER
  • 2006 CHRYSLER TOWN AND COUNTRY
  • 170,000 MILES
Where is it located?
Monday, January 20th, 2020 AT 7:14 AM

3 Replies

Tiny
TOUGHDIVER
  • MECHANIC
  • 224 POSTS
Hi,

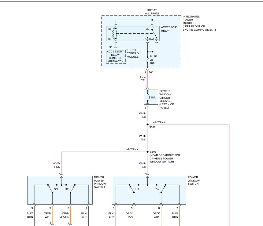
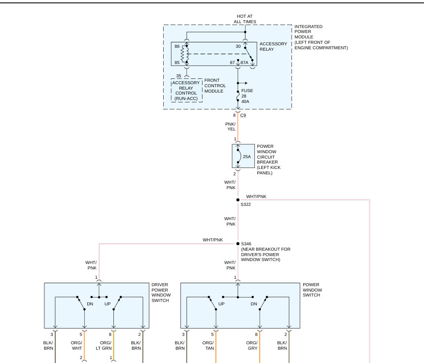
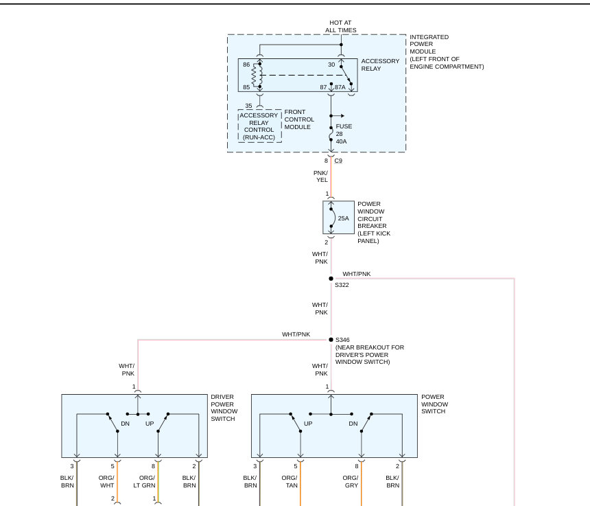
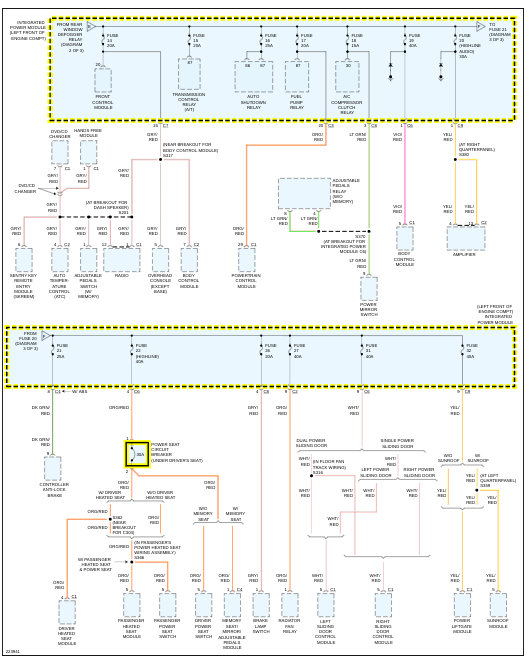
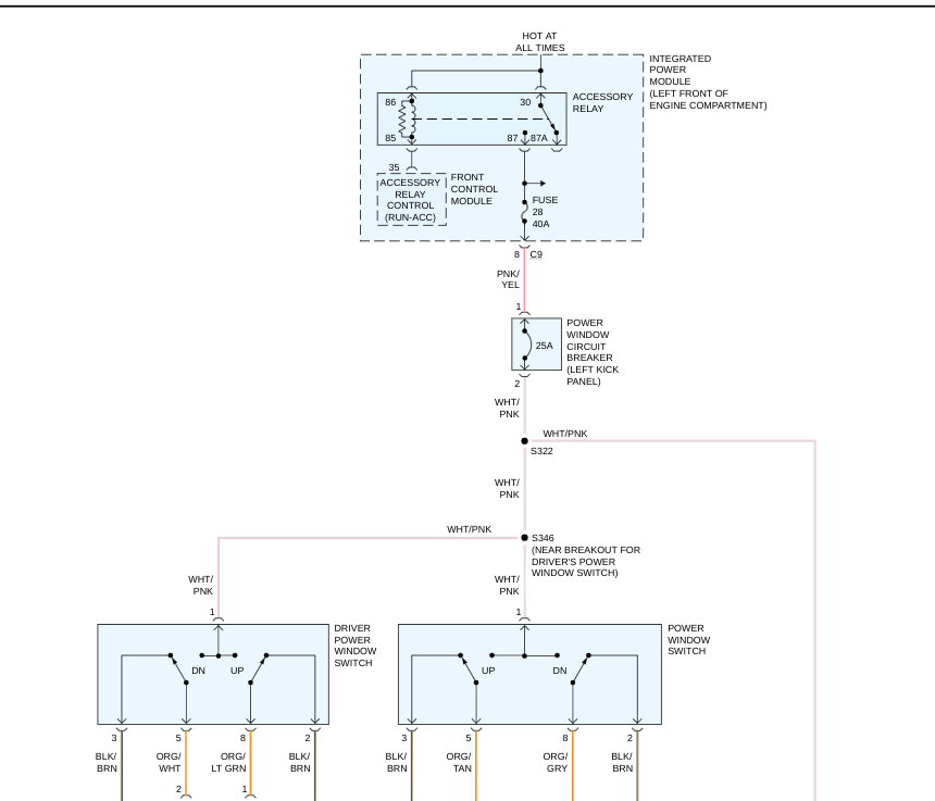
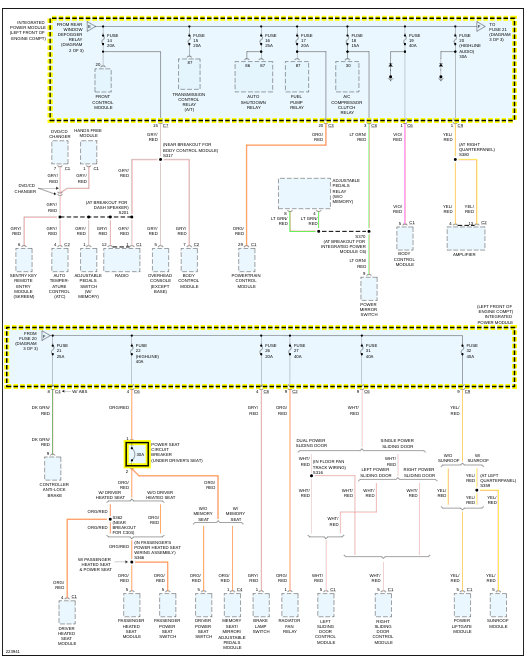
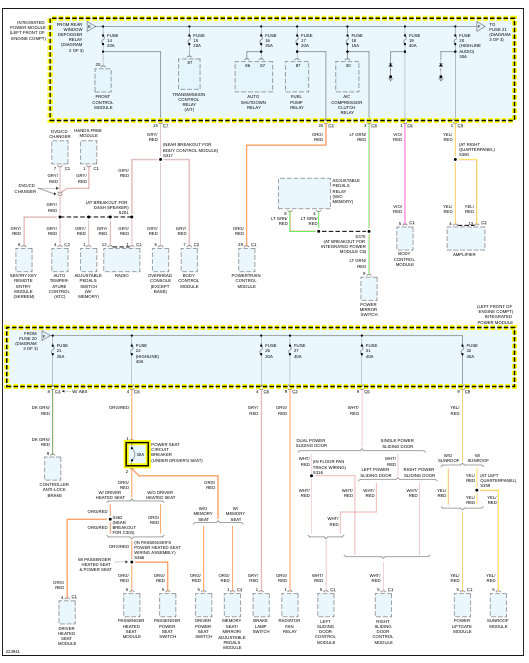
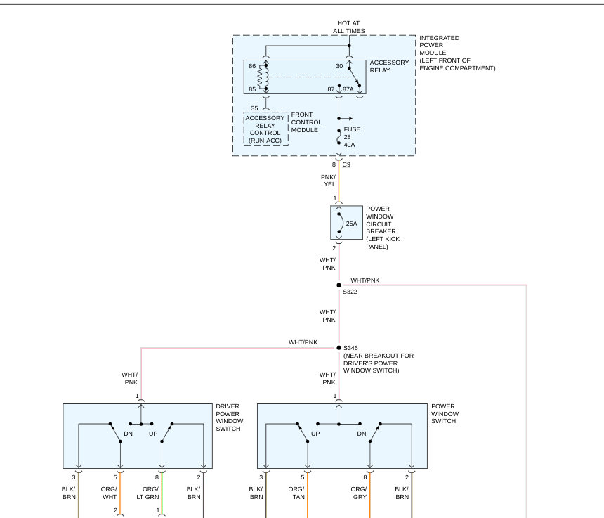
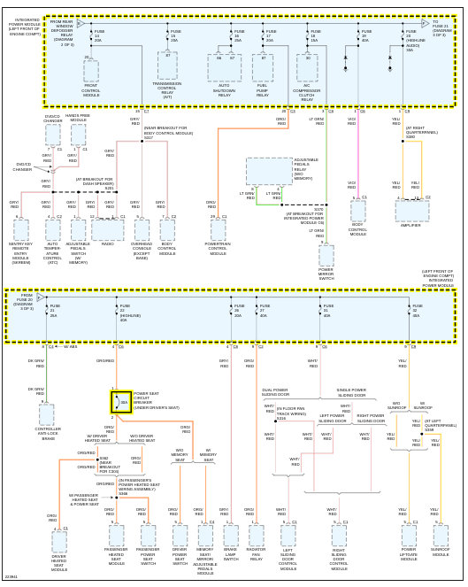
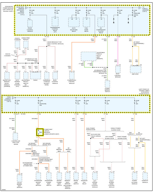
Martin, I attached a wiring schematics for power distribution there are some inside relays but all the fuses and most of the relays are located in the Integrated Power Module under the hood left side. If you let me know your engine size and what kind of repair you are doing I can be more specific with my information. Please let us know if this info is helpful or if you need more information.

Thank you
Joe T.
Was this
answer
helpful?
Yes
No
+1
Monday, January 20th, 2020 AT 11:30 AM
Tiny
MARTIN LIPSCOMB
  • MEMBER
  • 2 POSTS
Okay then, where is the fuse for the power windows located?
Was this
answer
helpful?
Yes
No
Monday, January 20th, 2020 AT 11:53 AM
Tiny
TOUGHDIVER
  • MECHANIC
  • 224 POSTS
Hi,

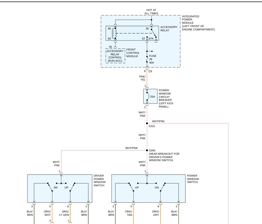
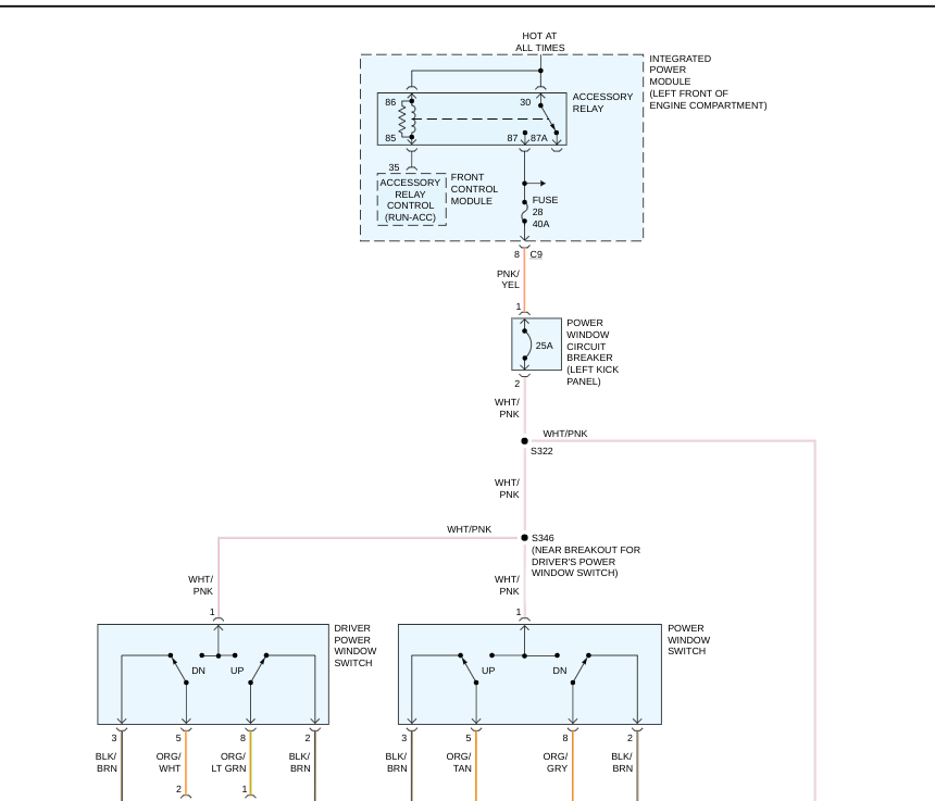
Martin, the power window fuse is #28 40A and the power window relay is in drivers side kick panel. If you have the Highline model the drivers window switch is the the power window module. Let us know if you need more info.

Thank you
Joe T.
Was this
answer
helpful?
Yes
No
Monday, January 20th, 2020 AT 1:30 PM

Please login or register to post a reply.