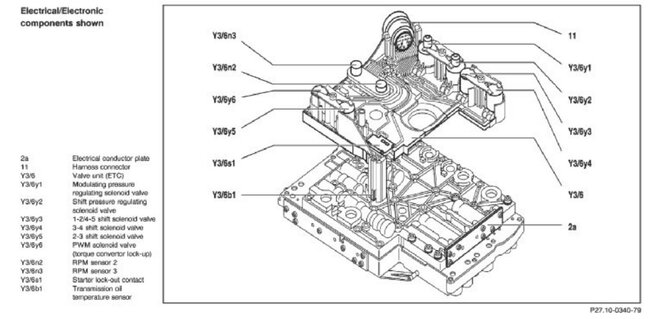
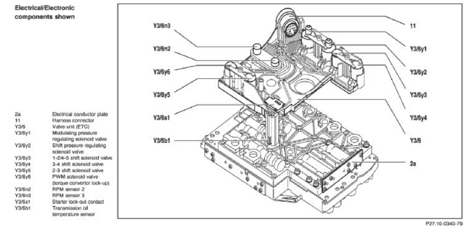
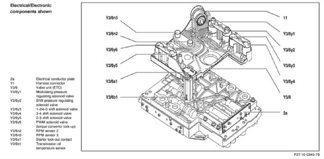
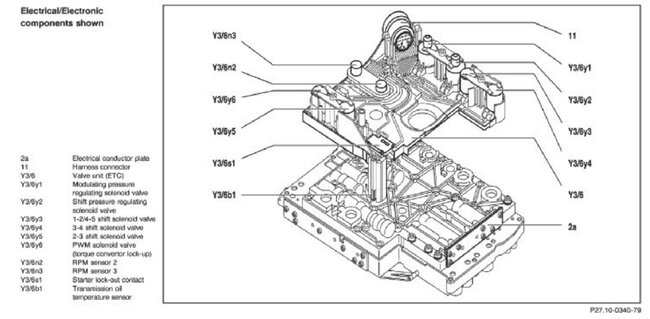
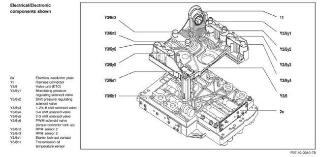
Input/turbine shaft speed sensor A circuit location?
1998 MERCEDES BENZ ML320
328,111 MILES • 3.2L • 6 CYL • 4WD • AUTOMATIC
DERRICKBENZ
MEMBER
1 POST
FOLLOW
Is this on the outside of transmission or inside? If outside, where is it located?
Aug 6, 2023 at 3:11 PM
Repair Safety Notice:
This information is for general instructional purposes only. Vehicle repair can be dangerous.
Verify all information, follow manufacturer service procedures, use proper tools and safety equipment,
and consult a qualified repair shop when needed.
Advertisement
STRAILER
CAR REPAIR CONTRIBUTOR
54,199 POSTS
Yes, both speed input sensors are inside the transmission. Check out the images (below). Please let us know if you need anything else to get the problem fixed.